Контрактное производство электроники. Полный цикл работ

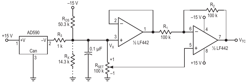
С помощью этой недорогой и простой схемы можно установить практически любой температурный коэффициент, будь то положительный, отрицательный или нулевой. Для показанных значений номиналов температурный коэффициент выходного напряжения равен нулю при 25°

АвторыMichael Wyatt
Основной документСтатья «Отрегулируйте размер и знак температурного коэффициента»
ОписаниеРисунок 1
Формат / Размер файлаPDF / 14 Кб
Язык документарусский

С помощью этой недорогой и простой схемы можно установить практически любой температурный коэффициент, будь то положительный, отрицательный или нулевой Для показанных значений номиналов температурный коэффициент выходного напряжения равен нулю при 25°

Многослойные керамические конденсаторы от лидеров азиатского рынка
ТМ Электроникс. Электронные компоненты и приборы. Скидки, кэшбэк и бесплатная доставка