Design Note 526
Введение
Микросхема АЦП LTC2314-14 имеет последовательный выход, содержит высокоточный источник опорного напряжения, и способна работать на частоте до 4.5 Мвыб/с. Управлять несимметричным входом микросхемы очень просто, и во многих случаях для этого не требуется входной буфер. Если же сигналы слабы, или их источник имеет большой выходной импеданс, в качестве драйвера можно использовать операционный усилитель, такой, скажем, как LT6236. LT6236 – это драйвер, предназначенный, в первую очередь, для операционных усилителей и АЦП последовательного приближения, имеющий добротность 215 МГц, выход rail-to-rail, приведенную к входу плотность напряжения шумов 1.1 нВ/√Гц и типовое смещение всего 100 мкВ. Ток потребления LT6236 не превышает 3.5 мА. Это очень хорошая совокупность параметров, вполне отвечающая требованиям, предъявляемым к описываемому ниже приложению.
Для оценки возможности использования представленного здесь драйвера приведены его характеристики при различных коэффициентах усиления, скоростях выборки и частотах входных сигналов.
Работа драйвера
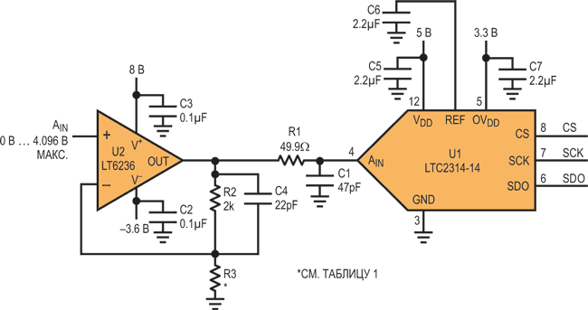
![]() |
|
| Рисунок 1. | Драйвер АЦП с несимметричным входом и диапазоном входных напряжений от 0 до 4.096 В. |
На Рисунке 1 изображена схема неинвертирующего драйвера, управляющего микросхемой LTC2314-14. В зависимости от выбранного сопротивления резистора R3, коэффициент усиления драйвера принимает значение между 1 и 10 (Таблица 1). Конденсатор C1 и резистор R1 ограничивают полосу пропускания до 68 МГц. Кроме того, C1 выполняет функцию накопительного резервуара для заряда конденсатора выборки/хранения на входе АЦП и помогает изолировать LT6236 от помех, возникающих на выводе AIN в момент перехода АЦП в режим выборки. Этой же цели изоляции служит и резистор R1.
| Таблица 1. | Коэффициент усиления и диапазон входных напряжений для различных значений R3 |
|||||||||||||||
|
||||||||||||||||
Характеристики драйвера
![]() |
|
| Рисунок 2. | Результат 16К-точечного БПФ выходного сигнала схемы, изображенной на Рисунке 1. |
Из показанного на Рисунке 2 результата БПФ выходного сигнала видно, что схема с единичным усилением имеет отношение сигнал/шум 77 дБ и полный уровень гармонических искажений –84 дБ, при темпе выборки 4.5 Мвыб/с и входной частоте 600 кГц. Эти величины близки к типовым параметрам, приведенным в справочных материалах на микросхему LTC2314-14, включенную автономно, и говорят о том, что использование драйвера практически не ухудшает характеристик схемы. На Рисунке 3 изображена зависимость SINAD (отношение сигнала к шуму и искажениям) от частоты выборки для нескольких коэффициентов усиления от одного до десяти. SINAD практически не меняется и остается на уровне 75-76 дБ в диапазоне частот выборки от 1 Мвыб/с до предельного для данной микросхемы значения 4.5 Мвыб/с.
![]() |
|
| Рисунок 3. | Зависимость SINAD от частоты выборки. |
На Рисунке 4 показаны зависимости SINAD от частоты входного сигнала для коэффициентов усиления от 1 до 10. Начинаясь со значений 75-76 дБ при входной частоте 100 кГц, SINAD падает с ростом частоты и усиления. Для большинства приложений вполне допустимо снижение SINAD на 3 дБ. При единичном усилении SINAD уменьшается до 73 дБ на частоте примерно 2.2 МГц. При коэффициенте усиления два это происходит приблизительно на 1.2 МГц, при пяти и десяти – соответственно, на частотах порядка 600 кГц и 250 кГц.
![]() |
|
| Рисунок 4. | Зависимость SINAD от частоты входного сигнала. |
Заключение
Для управления 14-разрядным АЦП последовательного приближения LTC2314-14 со скоростью выборки 4.5 Мвыб/с может использоваться микросхема малошумящего драйвера LT6236, имеющая rail-to-rail выход, добротность 215 МГц, коэффициент усиления от одного до десяти и диапазон скоростей выборки от 1 до 4.5 Мвыб/с при частоте входного сигнала от 100 кГц до 2.2 МГц. Схема подходит как для высоко-, так и для низкоимпедансных источников сигнала. Рисунки 3 и 4 помогут оценить пригодность этого драйвера для приложений с определенными значениями усиления и полосы частот входного сигнала.







Купить LTC2314 на РадиоЛоцман.Цены


