Журнал РАДИОЛОЦМАН, ноябрь 2019
Minh-Tam Nguyen, Maxim Integrated
EDN
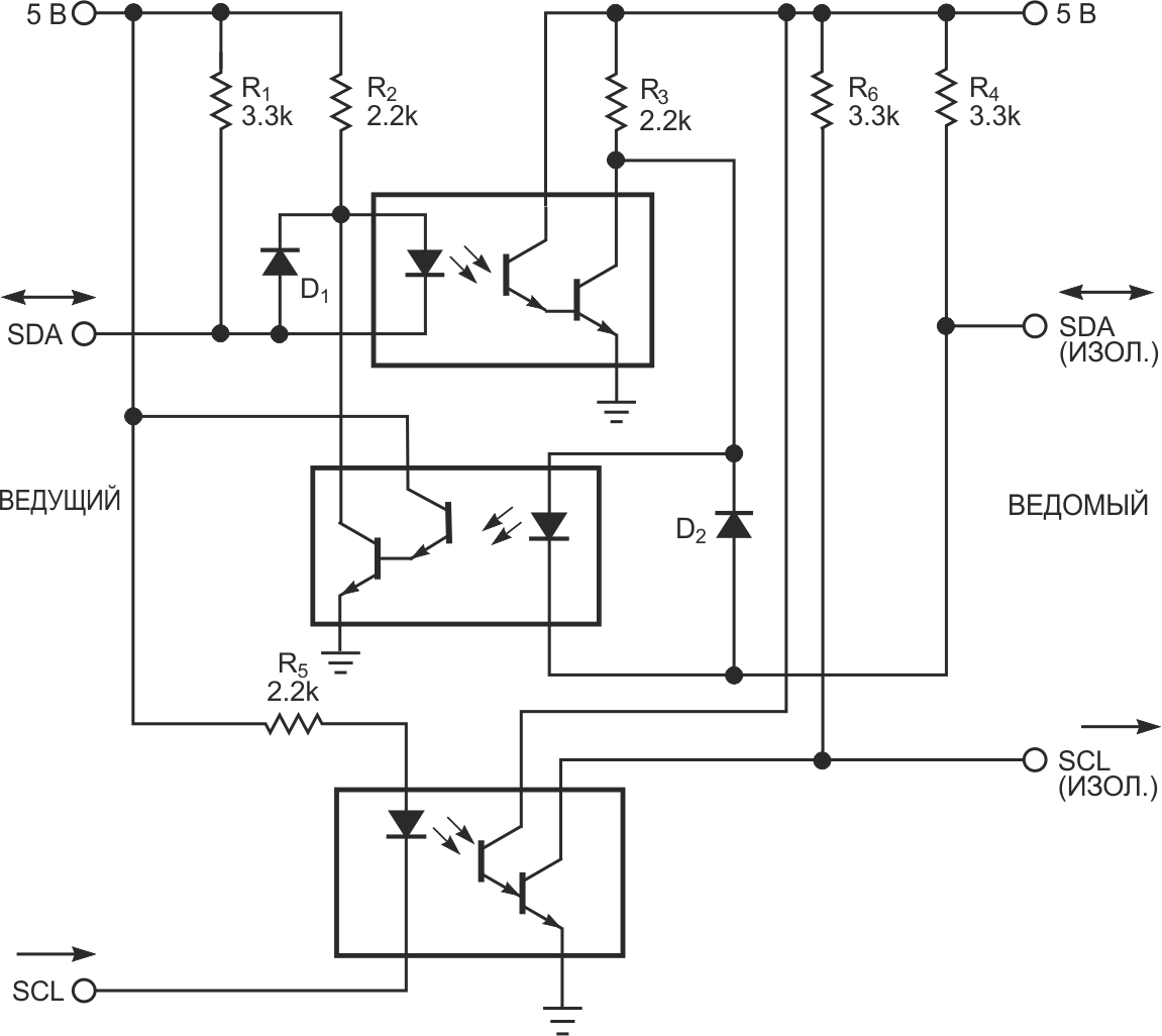
Шинам I2C и SBBus, в отличие от четырехпроводных интерфейсных стандартов SPI, QSPI и Microwire, для передачи данных требуются только два провода, поскольку отправляют и получают их они по одному и тому же проводу. На Рисунке 1 показана схема, обеспечивающая гальваническую изоляцию двухпроводного интерфейса. Небольшой трансформатор и драйвер трансформатора MAX253 или MAX845 (на схеме не показаны) формируют изолированное напряжение 5 В из 5-вольтовой шины питания ведущей стороны системы. Выбор трансформатора и оптопары определяется скоростью передачи данных и напряжением изолирующего барьера в вашем приложении. В схеме на Рисунке 1 используется оптоизолятор 6N138, выпускаемый компанией Toshiba. Предполагается, что задающим устройством в схеме будет микропроцессор или микроконтроллер, поэтому ограничения на выходной ток вывода SDA процессора требуют, чтобы минимальный ток включения оптрона был меньше 3 мА. Но даже при таких условиях, коэффициента передачи тока выбранной оптопары, равного 300%, достаточно для обеспечения правильной работы этой схемы.
![]() |
||
| Рисунок 1. | Несколько недорогих компонентов образуют изолирующий барьер для двух линий интерфейса передачи данных I2C. |
|
На ведомой стороне должно находиться устройство, совместимое с I2C, такое как 8-разрядный ЦАП MAX517 или система сбора данных MAX127. Когда шина не используется, уровни сигналов на линиях SDA и SCL на стороне ведущего устройства должны быть высокими. Типичном условием СТАРТ для шины I2C является переход линии SDA из высокого состояния в низкое при сохранении низкого уровня на линии SCL (Рисунок 2). При низком уровне на линии SDA под действием тока, проходящего через резистор R2 и вход оптопары, формируется сигнал порядка 0.4 В (сумма напряжений на выходе оптоизолятора и на диоде Шоттки D2, смещенном в прямом направлении). Подтягивающие резисторы R1, R4 и R6 необходимы для совместимости со стандартом I2C. После того, как ведущий, описанным выше образом, обращается к ведомому, адресуемое ведомое устройство отвечает битом подтверждения (ACK) низкого уровня. Двунаправленная линия SDA позволяет передавать данные в обоих направлениях, тогда как однонаправленная линия SCL должна передавать сигналы лишь от задатчика к ведомому. Передача данных завершается состоянием СТОП, в котором обычно происходит переход линии SDA из низкого состояния в высокое при высоком уровне на линии SCL.
![]() |
||
| Рисунок 2. | На этом рисунке показана временная диаграмма обмена по шине I2C для цифро-аналогового преобразователя MAX517. |
|





Купить MAX253 на РадиоЛоцман.Цены


