FM-передатчик и FM-приемник, несомненно, входят в число самых популярных тем электронных проектов, однако создание цифрового FM-передатчика для энтузиастов электроники может оказаться непростой задачей. Передатчик можно подключить к источнику звука, например, телефону или компьютеру, для трансляции музыки или другого аудиоконтента.
В этом проекте я представил схему компактного цифрового стерео FM-передатчика, работающего в диапазоне частот от 87 МГц до 108 МГц. Частота перестраивается с шагом 0.1 МГц с помощью двух тактовых кнопок. Сердцем схемы является микроконтроллер ATmega8, который взаимодействует с 0.96-дюймовым OLED-дисплеем через интерфейс SPI, а с микросхемой FM-передатчика KT0803L – через интерфейс I2C. К плате можно напрямую подключить микрофон или дополнительный кабель для трансляции желаемого звука, например, воспроизведения музыки с мобильного телефона, компьютера и т. д. После проведения нескольких тестов было установлено, что схема работает достаточно стабильно, а принимаемый звук чистый и четкий.
Для разработки схемы и печатной платы я использовал Altium Designer 23 и поделился проектом с друзьями, чтобы получить их отзывы и обновления до Altium-365. Я уверен, что использование этой схемы доставит вам удовольствие.
Технические характеристики
- Входное напряжение: 7 - 9 В DC;
- Потребляемый ток: 50 мА;
- Диапазон частот: от 87 МГц до 108 МГц;
- Шаг перестройки частоты: 0.1 МГц;
- Дополнительный вход: стерео.
Анализ схемы
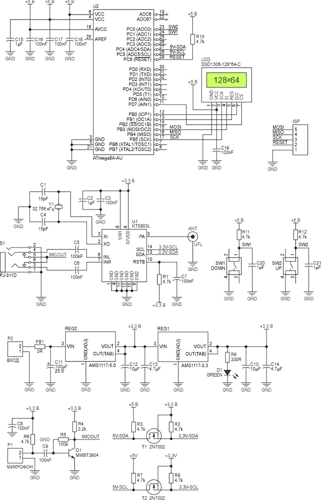
На Рисунке 1 показана принципиальная схема цифрового FM-передатчика для диапазона частот 87–108 МГц. Схема состоит из нескольких частей, которые я объясню последовательно.
![]() |
|
| Рисунок 1. | Принципиальная схема цифрового FM-передатчика. |
Источник питания
P2 – это разъем типа XH для подачи питания на плату. Входное напряжение может составлять от 7 до 9 В DC. Элементы FB1 и C11 образуют фильтр нижних частот для снижения входных помех. REG2 – это регулятор TLV1117-5.0, стабилизирующий напряжение шины питания +5 В. Конденсаторы C12 и C13 предназначены для снижения его выходных шумов. Регулятор REG1 (TLV1117-3.3) стабилизирует напряжение шины питания +3.3 В. D1 – это светодиод, указывающий на правильность подключения питания, а конденсаторы C10 и C14 используются для снижения выходных шумов REG1.
Микрофонный вход
P1 – это разъем типа XH для подключения к плате электретного микрофона. C8 – развязывающий конденсатор для снижения помех, а резистор R6 обеспечивает условия для питания микрофона. Конденсатор C9 удаляет постоянную составляющую сигнала, а транзистор Q1 усиливает слабые сигналы микрофона для передачи в микросхему FM-передатчика.
Преобразователь логического уровня
T1 и T2 – это n-канальные MOSFET 2N7002, которые используются для преобразования логического уровня 5 В шины I2C микроконтроллера (U2) в логический уровень 3.3 В для подачи на микросхему FM-передатчика (U1). Резисторы R2, R3, R7 и R8 служат для подтяжки к шинам питания.
FM-передатчик
Основным компонентом этой части схемы является микросхема KT0803L (U1). S1 – это SMD-разъем для наушников, используемый для подключения к плате дополнительного кабеля, который позволяет передавать звук с мобильного телефона, ПК или другого устройства на плату. Конденсаторы C5 и C6 используются для передачи звукового сигнала в микросхему U1. C2 и C3 – это развязывающие конденсаторы, а ANT –высокочастотный разъем, обеспечивающий интерфейс подключения телескопической антенны к плате.
Микроконтроллер и дисплей
Сердце схемы – микроконтроллер ATmega8-AU (U2). C15…C18 – развязывающие конденсаторы для снижения уровня помех. R10 – резистор, подтягивающий вход RESET к шине питания. LCD – это 0.96-дюймовый OLED-дисплей с разрешением 128×64 и интерфейсом SPI, показанный на Рисунке 2. C19 – развязывающий конденсатор для вывода питания ЖК-дисплея. SW1 и SW2 – тактовые кнопки для увеличения и уменьшения частоты. Конденсаторы C20 и C21 используются для устранения дребезга кнопок, а R11 и R12 – подтягивающие резисторы. Разъем внутрисхемного программирования ISP предназначен для прошивки микроконтроллера. Хотя это не обязательно, вы можете припаять штыревой разъем.
![]() |
|
| Рисунок 2. | Изображение 0.96-дюймового желто-синего SPI OLED-дисплея с разрешением 128×64. |
Разводка печатной платы
![]() |
|
| Рисунок 3. | Печатная плата цифрового FM-передатчика. |
На Рисунке 3 показана разводка печатной платы. Плата двухсторонняя; почти все используемые компоненты – SMD. На Рисунке 4 показана плата в сборе.
![]() |
|
| Рисунок 4. | Размещение компонентов на печатной плате цифрового FM-передатчика. |
Программа и программирование
Если вы просто хотите собрать проект, как он есть, скачайте HEX-файл по ссылке из раздела Загрузки и запрограммируйте микроконтроллер. Установите Fuse-биты для внутреннего источника тактовой частоты микроконтроллера 8 МГц.
Если вы планируете изменить программу, ниже в разделе Загрузки можно скачать код микроконтроллера для платформы Arduino. Обязательно добавьте в среду разработки Arduino библиотеку FM [1], библиотеку SPI OLED [2] и библиотеку MiniCore Board Manager [3]. Источник тактовой частоты установите на внутренний, 8 МГц.
Сборка и испытание
Пайка компонентов не должна вызвать затруднений, поскольку на плате нет компонентов, которые были бы меньше, чем 0805 и разъем UFL. На Рисунке 5 показана собранная плата.
![]() |
|
| Рисунок 5. | Собранная плата цифрового FM-передатчика. |
Ссылки
Материалы по теме
- Datasheet Solomon Systech SSD1306
- Datasheet Microchip ATMEGA8A-AU
- Datasheet KT Micro KT0803L
- Datasheet Texas Instruments TLV1117
- Datasheet Microchip 2N7002











