Владимир Рентюк, Запорожье, Украина
В статье рассматривается ряд вопросов практического проектирования низкочастотных фильтров с учетом особенностей их построения, технологичности изготовления и области применения.
Без сомнения фильтры – это наиболее популярные и востребованные узлы радиоэлектронной аппаратуры (РЭА), которые находят применение в самых разнообразных устройствах. Более того, с уверенностью можно сказать, что устройств без фильтров попросту не бывает. Действительно, в любой РЭА есть хотя бы фильтры по питанию, а реальный усилитель должен восприниматься как фильтр, так как полоса его рабочих частот ограничена как минимум сверху, о чем мы часто забываем. Это же касается и линий передачи сигнала. Вот почему фильтры являются одной из важнейших составных частей, и к их проектированию необходимо подходить с должным пониманием и вниманием.
По фильтрам написано много ценных и хороших книг, еще больше статей, но все они, как правило, рассматривают вопросы теории, и очень редко – практики. Объем статьи не позволит раскрыть всю глубину этой темы и все ее разнообразие, ее задача – дать реперные точки, которые позволят легче ориентироваться в этой области и не делать распространенных ошибок. Она написана на основании многолетней практики автора в области профессионального проектирования РЭА. Итак, без особой нужды мы не будем углубляться в дебри непростой теории фильтров, которая детально излагается в разделе радиотехники, называемой радиотехнические цепи и сигналы, а сделаем упор на практические прикладные аспекты, важные для проектировщиков.
Для начала определим основные области применения фильтров, в контексте данной статьи – низкочастотных. Во-первых, это фильтры по питанию. Их назначение – уменьшить влияние шумов и помех от источников питания; особенно это касается очень распространенных в настоящее время импульсных преобразователей. Во-вторых, это усилители. Как бы мы их не проектировали, тут, как в известной поговорке: «Какую партию у нас не строят – в итоге получается КПСС». Так и усилитель, какой бы мы не проектировали – в итоге получается фильтр. В-третьих, это автоматика. Здесь фильтры входят в контуры отрицательной обратной связи (ООС) и являются неотъемлемой составной частью систем регулирования. Именно правильно выбранные характеристики фильтров в цепи ООС устройств автоматического слежения и определяют их качественные характеристики, в частности, устойчивость. Если кто-то из читателей подумает, что он таким не занимается и ему это неинтересно, мол, это высокие материи, то он ошибается. Такие регуляторы вы встречали в цепях ООС усилителя ошибки AC/DC импульсных блоков питания, и реже в DC/DC преобразователях (loop- и slope-компенсация), в устройствах управления двигателями и т.п. Ну, и самое основное назначение фильтров –обработка сигналов.
В соответствии со своей характеристикой – полосой пропускания – фильтры делятся на:
- Фильтры нижних частот (ФНЧ), пропускающие сигналы, частота которых лежит ниже их частоты среза;
- Фильтр верхних частот (ФВЧ), пропускающие сигналы, частота которых лежит выше их частоты среза;
- Полосовые фильтры или полосно-пропускающие фильтры (ППФ), пропускающие сигналы, частота которых находится между их частотами среза;
- Заграждающие фильтры (ЗФ) или полосно-заграждающие фильтры (ПЗФ), не пропускающие сигналы, частота которых лежит между их частотами среза.
Разновидность полосового фильтра – это селективный фильтр, то есть фильтр с очень узкой полосой пропускания, а разновидность полосно-заграждающего фильтра – это подавляющий фильтр. В данном случае это фильтр с очень узкой полосой пропускания. Он предназначен для того, чтобы вырезать некоторую часть спектра сигнала. В низкочастотной технике это обычно фильтры, подавляющие сетевые помехи 50 или 100 Гц, или фильтры, используемые для подавления частоты нежелательного резонанса. И полосовой и заграждающий фильтры могут рассматриваться как комбинации ФНЧ и ФВЧ.
Итак, что же является основным для такого понятия, как фильтр? Более подробно и доступно это изложено, например, в книге [1], которую автор считает настольной книгой каждого, кто занимается практическими вопросами разработки РЭА. Она доступна для скачивания в Интернете. Первое, что мы вспоминаем, и что нас чаще всего интересует – это упомянутая выше передаточная или амплитудно-частотная характеристика фильтра, то есть зависимость коэффициента передачи фильтра от частоты входного сигнала.
Еще одним важным параметром фильтров является его фазо-частотная характеристика (ФЧХ), то есть, зависимость сдвига фазы выходного сигнала от частоты. Учитывать эту характеристику особо важно, и даже, необходимо для фильтров, работающих в цепях обратной связи. Поясним почему. Если фильтр, установленный в цепи отрицательной обратной связи, сдвинет на какой-либо частоте фазу выходного сигнала на 180°, то при соблюдении условия баланса амплитуд (более понятыми словами, если хватит усиления для компенсации потерь в петле отрицательной обратной связи) такой каскад превратится в генератор. Это с успехом используется на практике. Кроме этого важен такой параметр, как групповое время задержки. Фактически любой ФНЧ является своеобразной линией задержки, то есть, выходной сигнал в полосе пропускания будет сдвинут на некоторое время относительно входного сигнала. Эта задержка в цепи ООС приводит к искажениям в передаче импульсных сигналов. Вы не работаете с импульсными сигналами? А что, по вашему представляет собой музыкальный сигнал? Относительно чистый гармонический (синусоидальный) сигнал дают только одиночные трубы органа и флейты, например, пикколо и Пана. А все остальное, например, рояль, гитара – это сложные импульсные сигналы с весьма крутыми фронтами [2]. Наша речь – тоже сложные сигналы, со своими резонансами (формантами), ведь мы же не общаемся свистом в повседневной жизни.
Все основные характеристики фильтров в настоящее время определяются в результате компьютерного расчета и моделирования, как-никак, за окном 21-й век. Это позволяет избежать ошибок и синтезировать именно тот фильтр, который необходим, причем синтезировать его оптимально.
Обычно в технической литературе приводят передаточные характеристики фильтров в идеализированном и не всегда соответствующем практике виде, например, как это показано на Рисунке 1.
|
|||||
| Рисунок 1. | АЧХ (а) и ФЧХ (б) фильтра нижних частот. | ||||
За частоту среза FC принята не просто некоторая удобная частота, а частота гармонического сигнала, на которой мощность на выходе фильтра падает вдвое, что соответствует 1/√2 по напряжению, или в более привычном представлении, –3 дБ, опять-таки, по напряжению. Иногда, исключительно для специальных целей, ее задают по уровню –1 дБ, но редко и с оговоркой. Также нас интересует затухание в области подавления. Его оценивают в децибелах на октаву (дБ/октава), выражающих ослабление сигнала при изменении частоты вдвое. Кроме того, встречается и представление в децибелах на декаду (дБ/декада). В последнем случае сравниваются выходные напряжения на частотах, различающихся в 10 раз. Первый вариант используется наиболее часто, хотя второй на практике более точен.
Представления АЧХ и ФЧХ, приведенные на Рисунке 1, соответствуют простейшим, наиболее часто встречающимся фильтрам. Такими фильтрами являются фильтры первого порядка, так как их передаточные функции описываются линейными уравнениями, то есть уравнениями первого порядка. Фильтры, если они не используют в своей непосредственной структуре активных элементов (усилительных каскадов), называются пассивными. Их достоинства – это минимальный уровень собственных шумов, широкий динамический диапазон, дешевизна и простота реализации. А самое главное их достоинство в том, что они не вносят ни нелинейных, ни интермодуляционных искажений. Недостаток – малая крутизна спада АЧХ.
Такие фильтры (Рисунок 2) в виде самостоятельных каскадов применяются в аудиотехнике, системах обработки сигналов (примеры в [2]), измерительных приборах, в качестве фильтров в цепях питания и т.п. Кроме того, они используются в качестве нечетного звена фильтров высших порядков (о том, что такое порядок фильтра, мы поговорим позже). Еще одним несомненным достоинством таких фильтров является то, что в отличие от многих типов фильтров высоких порядков, они не имеют выбросов (неравномерности) ни в полосе пропускания, ни в полосе подавления, то есть их АЧХ плоская. Описываемые фильтры могут работать как от источника напряжения, так и от источника тока (а вот об этом часто не задумываются). Устройства этого типа так тесно вошли в практику, стали настолько обыденными, что при проектировании на них мало обращают внимание. Насколько оправдано такое пренебрежительное отношение к пассивным фильтрам? Специалисты, работающие в области низких частот, не любят заглядывать в области выше 100 кГц, а там, как говорится, могут скрываться интересные нюансы. Как может помочь использование простейшего ФНЧ по входу, наглядно видно, скажем, на примере схемы усилителя для стереотелефонов [3]. Здесь, установленный по входу, пассивный фильтр первого порядка устранил вредный паразитный резонанс на высоких частотах; другим путем убрать его было бы просто нереально.
|
|||||||||||||
| Рисунок 2. |
Схемотехника низкочастотных Примечание: |
||||||||||||
Наиболее часто мы имеем дело с сигналами, приходящими от источника напряжения, поэтому остановимся на их рассмотрении, что не помешает перенести излагаемое ниже и на устройства, выходы которых представляют собой источники тока. Источники тока в низкочастотной технике не такая уж и экзотика. Например, вам необходимо передать низкочастотный сигнал по кабелю с большой погонной емкостью. Для того чтобы исключить его влияние на АЧХ тракта, в качестве источника сигнала можно использовать источник тока, например, обычный резистор, а вход выполнить не по напряжению, а по току, например, в виде открытого инвертирующего входа операционного усилителя с отрицательной обратной связью, естественно, не забыв про его защиту. Как известно, входное сопротивление такого каскада стремится к нулю, и емкость кабеля уже не окажет практически никакого влияния на прохождение сигнала; влиять будет только индуктивность линии передачи.
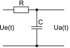
Поскольку для низкочастотной схемотехники ввиду своей технологичности наиболее характерны RC-фильтры, для оценки глубины проблемы, рассмотрим пример обычного однозвенного пассивного RC-фильтра низших частот – ФНЧ (Рисунок 2в). Это фильтр первого порядка. Согласно теории, его затухание равно 6 дБ/октава или 20 дБ/декада.
Но дело в том, что спад АЧХ реального фильтра, например, ФНЧ первого порядка, приближается к своим теоретическим 6 дБ/октава даже не во второй и не в третьей октаве от частоты среза, а только лишь с четвертой октавы и то, примерно. Однако для фильтров высоких порядков с ростом порядка это несоответствие нивелируется. А вот затухание 20 дБ/декада для фильтра первого порядка будет обеспечено, но не от частоты среза FC, а на частоте 10FC, и относительно области пропускания. Затухание на частоте 10FC относительно FC будет всего 17 дБ, то есть, ожидаемого затухания в полосе подавления в минус 23 дБ на частоте 10FC мы не получим.
Чтобы понять некоторые важные с практической точки зрения тонкости, заглянем в теорию. Модуль передаточной функции такого фильтра (а это и есть, собственно, его АЧХ) и ФЧХ фильтра описываются выражениями:
![]() |
(1) |
где
ω – циклическая частота, равная 2πf,
τ – постоянная времени, равная в нашем случае RC,
φ – фаза.
Формула (1) удобна тем, что позволяет вычислить напряжение на выходе фильтра на нужной разработчику частоте. Обратите внимание: эта формула дает результат в разах, а не в децибелах. В обычной же практике, фильтр характеризуется частотой среза FC. Как уже отмечалось выше, она определятся из условия половинной мощности сигнала на выходе фильтра, что соответствует 1/√2 по напряжению или, в более привычном представлении, минус 3 дБ. Из формулы (1) получаем, что частота среза
| (2) |
Но все это справедливо только для идеального случая. То есть, когда источник сигнала имеет бесконечно низкое сопротивление, а нагрузка – бесконечно большое, о чем некоторые забывают. Если это условие не соблюдается, то по формуле (2) мы не получим не только необходимую частоту среза, но и необходимое затухание в области подавления. Так, если сопротивление нагрузки фильтра во много раз превышает значение R фильтра, а ее собственная емкость несущественна по отношению к C, то значение частоты среза FC с учетом сопротивления источника сигнала определяется по формуле
![]()
где
RS –сопротивление источника сигнала.
Учесть сопротивление нагрузки сложнее, так как оно оказывает влияние как на коэффициент передачи фильтра в полосе пропускания, так и на частоту среза фильтра. Для упрощения разделим эту задачу на две. Коэффициент передачи фильтра в полосе прозрачности определяется как
![]()
где
RL – сопротивление нагрузки.
Если сопротивление источника сигнала RS по сравнению с R невелико, им можно пренебречь. Частота среза по уровню минус 3 дБ (а это и есть условие |A| = 1/√2), в отличие частоты среза идеального фильтра, определяется по формуле
![]() |
(3) |
где
![]()
Как видно из приведенных формул, сопротивление нагрузки оказывается подключенным параллельно основному сопротивлению фильтра в сумме с сопротивлением источника сигнала.
Что касается затухания, то даже в идеальном случае, когда сопротивление нагрузки равно бесконечности, для такого фильтра оно будет приближаться к 6 дБ/октава примерно с четвертой октавы, а затухание 20 дБ/декада будет обеспечено не от частоты среза, а на частоте 10FC. Это многие знают, но на практике забывают.
Литература
- Титце У., Шенк К. Полупроводниковая схемотехника. 12-е изд. Том 1, 2: Пер. с нем. – М.: ДМК Пресс, 2008.
- Рентюк В. «Синтез музыкальных тембров», цикл статей, Радиоаматор, №10, 11 2011, №1, 3, 4 2012.
- Музей советских синтезаторов
















