В этом материале мы расскажем, как правильно подключить до 12 дополнительных реле. Рассматриваемые схемы не требуют применения дополнительных электронных компонентов.
Пользующиеся заслуженной популярностью модули семейства Laurent, такие как MP712 Laurent-2, MP718 Laurent-2G, MP712 Laurent-2 [KBX-100], имеют на борту четыре реле, обеспечивающие управление нагрузкой 220 В при максимальном токе 7 А. Однако достаточно часто при конструировании систем автоматизированного управления на основе этих модулей возникает задача подключения более чем четырех высоковольтных нагрузок. В этом материале мы расскажем, как правильно подключить до 12 дополнительных реле. Рассматриваемые схемы не требуют применения дополнительных электронных компонентов (кроме самих реле).
Реле будут подключаться к дополнительным дискретным линиям модуля Laurent.
На Рисунке 1 приведена схема размещения выводов модулей:

Подробное описание клеммных контактов модуля приведено в следующей таблице:
| Обозначение вывода |
Вход/ Выход |
Описание |
| Vin | IN | Внешнее питающее напряжение величиной 5.5 – 28 В. |
| +3.3V | OUT | Фиксированное напряжение +3.3 В от стабилизатора напряжения на плате (относительно GND). Можно использовать для питания внешних цепей и устройств. Нагрузочная способность не более 0.7 А. |
| +5V | OUT | Фиксированное напряжение +5 В от стабилизатора напряжения на плате (относительно GND). Можно использовать для питания внешних цепей и устройств. Нагрузочная способность не более 1.5 А. |
| GND | – | Земля |
| OUT1 | OUT | Выходная дискретная линия 1 |
| OUT2 | OUT | Выходная дискретная линия 2 |
| OUT3 | OUT | Выходная дискретная линия 3 |
| OUT4 | OUT | Выходная дискретная линия 4 |
| OUT5 | OUT | Выходная дискретная линия 5 |
| OUT6 | OUT | Выходная дискретная линия 6 |
| OUT7 | OUT | Выходная дискретная линия 7 |
| PWR1 | IN | Питающее напряжение для выходных линий OUT1 – OUT7 |
| OUT8 | OUT | Выходная дискретная линия 8 |
| OUT9 | OUT | Выходная дискретная линия 9 |
| OUT10 | OUT | Выходная дискретная линия 10 |
| OUT11 | OUT | Выходная дискретная линия 11 |
| OUT12 | OUT | Выходная дискретная линия 12 |
| PWR2 | IN | Питающее напряжение для выходных линий OUT8 – OUT12 и выхода ШИМ (PWM) |
| TMP | IN | Вход для подключения внешнего цифрового датчика температуры KTS-18B20 |
| GND | – | Земля |
| ADC1 | IN | Аналоговый вход АЦП 1 |
| ADC2 | IN | Аналоговый вход АЦП 2 |
| GND | – | Земля |
| GND | – | Земля |
| GND | – | Земля |
| GND | – | Земля |
| IN_1 / INT_1 | IN | Входная дискретная оптоизолированная линия 1 / Счетчик импульсов 1 |
| IN_2 / INT_2 | IN | Входная дискретная оптоизолированная линия 2 / Счетчик импульсов 2 |
| IN_3 / INT_3 | IN | Входная дискретная оптоизолированная линия 3 / Счетчик импульсов 3 |
| IN_4 / INT_4 | IN | Входная дискретная оптоизолированная линия 4 / Счетчик импульсов 4 |
| IN_5 | IN | Входная дискретная оптоизолированная линия 5 |
| IN_6 | IN | Входная дискретная оптоизолированная линия 6 |
| ISO_GND | – | Оптоизолированная земля. Используется для входных дискретных линий и счетчика импульсов. Не имеет электрического контакта с общей землей схемы (GND). |
| PWM | OUT | ШИМ выход |
| +3.3V | OUT | Фиксированное напряжение +3.3 В от стабилизатора напряжения на плате (относительно GND). Можно использовать для питания внешних цепей и устройств. Нагрузочная способность не более 0.7 А. |
| GND | – | Земля |
| RELE1.1 | OUT | 1-й контакт 1-го реле |
| RELE1.2 | OUT | 2-й контакт 1-го реле |
| RELE1.3 | OUT | 3-й контакт 1-го реле |
| RELE2.1 | OUT | 1-й контакт 2-го реле |
| RELE2.2 | OUT | 2-й контакт 2-го реле |
| RELE2.3 | OUT | 3-й контакт 2-го реле |
| RELE3.1 | OUT | 1-й контакт 3-го реле |
| RELE3.2 | OUT | 2-й контакт 3-го реле |
| RELE3.3 | OUT | 3-й контакт 3-го реле |
| RELE4.1 | OUT | 1-й контакт 4-го реле |
| RELE4.2 | OUT | 2-й контакт 4-го реле |
| RELE4.3 | OUT | 3-й контакт 4-го реле |
Мы будем использовать выходные дискретные линии OUT1-OUT12, выделенные в таблице жирным шрифтом.
С учетом этих двенадцати линий и четырех штатных реле, всего можно получить 16 линий управления высоковольтными сильноточными нагрузками.
Согласно документации, каждая выходная линия модулей Laurent может коммутировать нагрузку напряжением до 50 В и током до 0.5 А что позволяет напрямую, без дополнительных деталей и электронных компонентов подключить к модулю практически любой распространенный тип реле. Как известно, реле характеризуется не только параметрами коммутируемых нагрузок (напряжением и током), но и значением постоянного напряжения, которое нужно приложить к управляющей обмотке реле, чтобы его контакты переключились. На практике чаще всего применяются реле с управляющим напряжением 5, 12 и 24 В.
Напряжение управления реле удобно выбирать, исходя из напряжения питания всей системы управления. В большинстве случаев это будет напряжение 5 или 12 В. Напряжение питания 24 В чаще встречается в промышленных системах.
Итак, переходим к схемам подключения дополнительных реле.
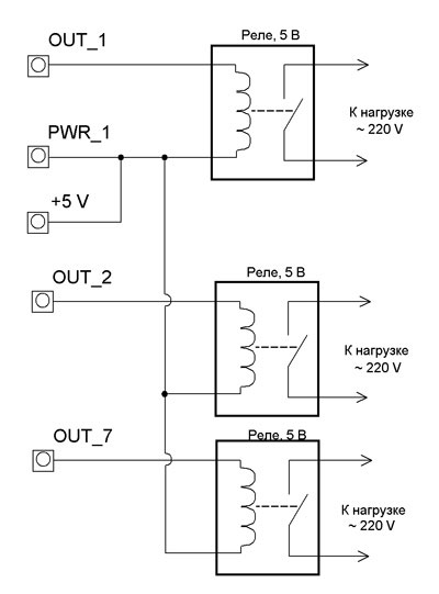
Рассмотрим схему подключения реле с напряжением питания 5 В:

Напряжение питания реле берется от самого модуля Laurent, который, в свою очередь, запитан от источника питания напряжением 6-12 В. Напряжение 5 В формируется встроенным в плату модуля стабилизатором и выведено на отдельную клемму +5V модуля. Контакт PWR_1, согласно приведенной выше таблице, предназначен для питания выходных линий с первой по седьмую.
В качестве реле можно использовать DK0116 Реле электромеханическое TRD-5VDC-SC-CL-R, 250В, 15А, или другое с аналогичными характеристиками.
Если есть необходимость подключить еще несколько реле (до семи в данном случае), то можно использовать линии OUT1 - OUT7. На схеме ниже показан вариант подключения трех реле к линиям OUT1, OUT2 и OUT7. Соответственно, по аналогичной схеме можно подключить реле ко всем линиям OUT1 - OUT7.

В том случае, когда требуется управлять еще бóльшим количеством нагрузок, необходимое число реле можно подключить к линиям OUT8-OUT12. Для питания этих линий следует использовать клемму PWR2. Таким образом, клемма PWR1 должна использоваться для питания линий OUT1-OUT7, а клемма PWR2 – для линий OUT8-OUT12, и обе этих клеммы должны быть подключены к клемме +5V. На рисунке ниже показано для примера подключение реле к линиям OUT1 и OUT11:

По аналогии подключаются все 12 реле к линиям OU1-OUT12 при использовании реле с напряжением срабатывания 5 В.
В случае необходимости применения реле с напряжением срабатывания 12 В для питания таких реле необходимо применить внешний источник питания, поскольку на плате Laurent не предусмотрен такой источник. На приведенном ниже рисунке в качестве внешнего источника питания изображен аккумулятор. С таким же успехом вместо него можно использовать сетевой блок питания (преобразователь AC-DC) ~220/=12 В. В качестве такого преобразователя можно рекомендовать модули PW1245, PW1221B или аналогичные. Вы можете ознакомиться с преобразователями AC-DC, предлагаемыми компанией Мастер Кит, в этом материале.

В качестве реле можно применить DK0115 Реле электромеханическое BS-115C-12A-12VDC, 240В, 10А из каталога Мастер Кит, или аналогичное.
В случае необходимости использования всех выходных линий выводы PWR1 и PWR2 следует подключить к плюсу используемого внешнего источника питания, как показано на схеме ниже:

На следующей схеме показано, как подключить питание самого модуля Laurent к тому же источнику питания, который используется для питания реле:

Как видно из схемы, питающее напряжение для модуля подается на клемму Vin.
Читайте обзоры и статьи по модулям Laurent на нашем сайте:
- Сравнительный обзор модулей Laurent
- Обзор Laurent-2G MP718
- Дистанционное управление по сети Ethernet: Технология M2M на примере связки модулей KBX-3D и Laurent-2
- Скрытые возможности модулей семейства «Лоран». Часть 1.
- Скрытые возможности модулей семейства «Лоран». Часть 2.
- SDK для изменения WEB-интерфейса модулей Laurent



Купить MP712 на РадиоЛоцман.Цены


