Jeff Sorensen
EDN
В 2019 году исполнилось 100 лет умножителю напряжения Грайнахера, изобретенному швейцарским физиком Генрихом Грейнахером (Heinrich Greinacher) в 1919 году. В 1932 году Дуглас Кокрофт (Douglas Cockcroft) и Эрнест Уолтон (Ernest Walton) использовали этот умножитель как базовую схему для источника питания ускорителя частиц, первой «дробилки атомов», что в итоге помогло им получить Нобелевскую премию по физике в 1951 году. По этой причине его чаще всего называют умножителем Кокрофта-Уолтона.
Основой этой схемы является использование цепочки ключей и конденсаторов для увеличения более низкого напряжения до более высокого. Первые схемы применялись для преобразования высокого переменного напряжения в еще более высокое постоянное напряжение (Рисунок 1). Теперь в большинстве случаев схемы на коммутируемых конденсаторах используются для DC/DC преобразования. Соединяя последовательно диодно-емкостные каскады, можно получать очень высокие напряжения, используя при этом диоды и конденсаторы с рабочими напряжениями, не превышающими напряжения внутри отдельных каскадов, поскольку на компоненты воздействуют только напряжения их собственных каскадов. Базовая схема преобразователя показана на Рисунке 2а. В этой схеме верхняя обкладка конденсатора C2 заряжается до напряжения Vp положительной полуволной входного напряжения, а нижняя обкладка заряжается до –Vp во время отрицательной полуволны. (Здесь Vp – пиковое значение входного переменного напряжения). Это означает, что напряжение на C2 равно 2Vp. Каскады умножения включены последовательно, поэтому каждый из них увеличивает напряжение на 2Vp. Выходное напряжение схемы на Рисунке 2б в 6 раз превышает пиковое входное переменное напряжение. С1, С3 и С5 пропускают переменное напряжение через себя, а С2, С4 и С6 соединяются последовательно для сохранения своих зарядов относительно земель каскадов. Также может быть реализована двухполупериодная версия этой схемы, как на Рисунке 1, тогда напряжение будет вдвое больше, чем в показанном однополупериодном примере.
![]() |
||
| Рисунок 1. | Этот двухполупериодный умножитель Кокрофта-Уолтона был сфотографирован в Институте Кайзера Вильгельма в 1937 году. 3 МВ генерировались с помощью двух 4-каскадных умножителей. Обратите внимание на три фигурки стоящих внизу людей. |
|
Теперь вы, вероятно, скажете себе: «Это здорово, но в моем проекте не нужно дробить атомы». Это так, однако очень похожая схема, скорее всего, есть в вашем компьютере или флэш-накопителе. Оказывается, для записи и стирания памяти и для возможности работы без отдельного источника питания флэш-память нуждается в более высоком напряжении, чем дает ее источник питания 1.8 В. Поэтому непосредственно в микросхему памяти встроен умножитель напряжения. Это не совсем то же самое, что мы здесь обсуждаем, но, возможно, очень похоже, и, поскольку он работает с постоянным током, а не с переменным, ему приходится, так сказать, создавать собственное переменное напряжение.
![]() |
||
| Рисунок 2. | Одно- и многокаскадные умножители Грайнахера. | |
Слегка переставив диоды и конденсаторы, можно создать схему, известную как зарядовый насос Диксона. Зарядовый насос Диксона (Рисунок 3) был запатентован Джоном Ф. Диксоном (John F. Dickson) в конце 1970-х годов. Он используется главным образом в микросхемах EEPROM и флеш-пямяти для формирования напряжения программирования/ перезаписи, которое намного превышает напряжение питания схемы.
![]() |
||
| Рисунок 3. | В зарядовом насосе Диксона используются диоды или включенные диодами МОП- транзисторы. |
|
Зарядовый насос Диксона на Рисунке 3а очень похож на удвоитель Грайнахера. Постоянное напряжение подается через вывод VIN на анод диода D1. Напряжение на катоде D1 будет меньше VIN на величину одного падения напряжения на диоде, а на аноде D2 напряжение упадет еще на столько же. Когда управляющий сигнал с амплитудой VIN подается на конденсатор C1, напряжение на верхней обкладке увеличивается до суммы напряжений на диоде D1 и амплитуды управляющего сигнала. Затем это напряжение, которое уже на одно падение напряжения ниже напряжения на D1, через диод D2 заряжает второй конденсатор C2. Теперь напряжение на втором конденсаторе равно удвоенному напряжению VIN за вычетом двух падений напряжения на диодах.
В многокаскадных зарядовых насосах Диксона на Рисунке 3 используется двухфазная синхронизация с уровнями управляющих сигналов, равными VIN, которые попеременно управляют разными конденсаторами, но если не требуется, чтобы коэффициент повышения напряжения был большим, можно использовать и однофазную синхронизацию. Напряжение на каждом последующем каскаде на амплитуду тактового импульса за вычетом падения на диоде больше, чем на предыдущем, или

где
N – количество каскадов,
VDIODE – прямое падение напряжения на диоде.
Потеря (падение) напряжения из-за тока нагрузки здесь не учитывается. На Рисунке 4 показаны результаты моделирования в LTspice 3-каскадного насоса Диксона с уровнями входного напряжения и тактовых импульсов, равными 5 В. Каждый каскад создает напряжение VIN плюс напряжение на каждом конденсаторе, через который подается тактовый сигнал. Верхняя сине-зеленая кривая соответствует достигнутому окончательному уровню постоянного напряжения. Обратите также внимание на фазовые соотношения между напряжениями повышенных уровней.
![]() |
||
| Рисунок 4. | Этот 3-каскадный зарядовый насос Диксона повышает напряжение в четыре раза. | |
Включенные диодами МОП-транзисторы чаще всего используются в микросхемах памяти, однако диоды Шоттки обычно имеют более низкое прямое напряжение и, соответственно, вносят меньше потерь напряжения на каждый каскад. Для улучшения характеристик было разработано множество модификаций, особенно для случаев, когда доступное напряжение источника VIN очень мало. Это особенно актуально для устройств памяти, работающих от источников с напряжением 1.8 В или ниже.
Эти схемы можно назвать зарядовыми насосами на основе «пожарной цепочки», поскольку в них каждый каскад сбрасывает заряд в следующий каскад.
Следующий тип можно было бы назвать «парящим» зарядовым насосом, но он более известен как зарядовый насос с плавающим конденсатором. Такие насосы очень универсальны, так как их можно использовать для повышения, понижения или изменения полярности входного напряжения. Что делает их работу уникальной, так это то, что обе стороны конденсатора на мгновение одновременно отключаются от других цепей и, следовательно, парят. Опять же, ключи, функции которых почти всегда выполняют МОП-транзисторы, используются для управления направлением тока, но используются попарно, чтобы подключать верхнюю или нижнюю обкладку конденсатора либо к источнику заряда, либо к получателю заряда. Важно, чтобы между состояниями ключей при переключении между источником и нагрузкой было мертвое время, и ключи не закрывались одновременно. Это было бы плохо и могло бы привести к тому, что ток будет течь там и тогда, где и когда он не нужен, и конденсатор не сможет «парить».
На Рисунке 5 показан один пример зарядового насоса с плавающим конденсатором. В данном случае схема, порты которой обозначены как VIN и VOUT, работает в режиме снижения напряжения. Здесь VIN – это напряжение источника, а VOUT – генерируемое напряжение. В Фазе 1 конденсаторы C1 и C2 подключены последовательно через ключи SW1 и SW2, поэтому на каждом конденсаторе будет половина напряжения VIN. В Фазе 2 последовательные ключи размыкаются, а параллельные ключи SW3 и SW4 замыкаются, соединяя конденсаторы C1 и C2 в параллель, вследствие чего напряжение на каждом из них составляет ½VIN, а доступный выходной ток удваивается.
![]() |
||
| Рисунок 5. | Это пример зарядового насоса с плавающим конденсатором. | |
Основными ограничивающими факторами здесь являются сопротивления ключей и емкости конденсаторов. Используя ключи с низкими сопротивлениями открытых каналов, можно обеспечить относительно большие токи. Емкости конденсаторов можно уменьшить, повысив частоту переключения, но лишь до определенных пределов. В конце концов, с ростом частоты доминирующим фактором станут потери переключения, поэтому существуют практические пределы того, до каких значений можно увеличивать частоту коммутации ключей. Эта базовая топология, способная обеспечивать нагрузку током от нескольких миллиампер до единиц ампер, используется во многих продуктах, доступных сегодня на рынке.
Объединив в одной схеме несколько плавающих конденсаторов, можно получить другие коэффициенты деления и умножения. Существуют также версии базовой схемы с отрицательным выходным напряжением, где происходит переход от положительного напряжения к отрицательному напряжению, привязанному к выводу земли. Они обычно используются с операционными усилителями, которые требуют источников отрицательного напряжения и потребляют небольшие токи.
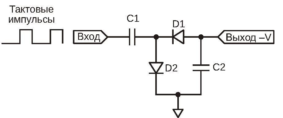
Для преобразования положительного напряжения в отрицательное может использоваться и другая топология зарядового насоса. Она основана на конденсаторе, коммутируемом диодом. Все, что нужно – это тактовый сигнал с амплитудой, равной требуемому отрицательному напряжению.
На Рисунке 6 необходимый сигнал обеспечивается входными импульсами. На положительных фронтах импульсы проходят через C1 и D2 на землю. Когда уровень тактового сигнала сменяется на низкий, связанный по переменному току импульс открывает диод D1 и заряжает конденсатор C2 отрицательным напряжением. После нескольких циклов C2 будет заряжен до отрицательного напряжения, равного амплитуде импульсов за вычетом падения на диоде. Количество тока, которое можно забрать от преобразователя, зависит, прежде всего, от импеданса источника, частоты и емкости накопительного конденсатора.
![]() |
||
| Рисунок 6. | В этом инвертирующем зарядовом насосе источником необходимой энергии служат входные импульсы. |
|
На Рисунке 7 представлен результат моделирования в LTspice схемы Рисунок 6, где фиолетовый цвет соответствует сигналу управления, а синий – выходному напряжению. То, что это похоже на работу зарядового насоса Диксона, – не случайно. По сути, это та же схема, но формирующая на конденсаторе отрицательное напряжение и не имеющая положительного смещения VIN, на котором построен традиционный Диксон. Все остальное идентично.
![]() |
||
| Рисунок 7. | Это результат моделирования схемы на Рисунке 5. | |
В большинстве случаев сферы применения зарядовых насосов были ограничены более низкими напряжениями и токами, но совершенствование технологических процессов производства МОП приборов в направлении увеличения как напряжения, так и мощности сделали высоковольтные и мощные зарядовые насосы реальностью. Бóльшие коэффициенты преобразования напряжения делают зарядовые насосы привлекательной заменой трансформаторам во многих приложениях электропитания. Даже тогда, когда они используются в качестве предрегуляторов напряжения для ШИМ-преобразователей, они могут помочь повысить общий КПД по сравнению с одноступенчатым ШИМ-преобразованием. Поскольку конденсаторы относительно дешевы и малы, они также могут уменьшить стоимость и размеры конструкций преобразователей напряжения. Хотя базовая технология емкостного преобразования напряжения существует уже более 100 лет, только сейчас появились полупроводниковые технологии, необходимые для ее повсеместного распространения. Ждите, что в будущем их станет больше.













