Контрактное производство электроники. Полный цикл работ
РадиоЛоцман - Все об электронике

LC-генераторы на полевом транзисторе с p-n переходом

ON Semiconductor 2N3819

Используя полевые транзисторы с p-n переходом (JFET) в необычных конфигурациях, можно разработать простые высокочастотные LC-генераторы с небольшим количеством пассивных компонентов. Усилительный каскад реализуется на основе JFET, включенного по схеме с общим стоком (Рисунок 1).

AC-DC источники питания Mean Well на DIN рейку

Усилительный каскад реализуется на основе JFET, включенного по схеме с общим стоком.
Рисунок 1. Усилительный каскад реализуется на основе JFET,
включенного по схеме с общим стоком.

Когда JFET работает в области насыщения, ток стока ID равен:

где

IDSS – максимальный ток насыщения,
VGS – напряжение затвор-исток,
VP – напряжение отсечки.

Для моделирования JFET в этой области насыщения в режиме малого сигнала используются бесконечное входное сопротивление и источник тока, управляемый напряжением затвора. Малосигнальную крутизну транзистора определяет следующая формула:

Резистор RG соединяет затвор с землей. Его типичное сопротивление находится в диапазоне единиц мегаом, чтобы обеспечить необходимое высокое входное сопротивление усилителя. Резистор RS смещает рабочую точку транзистора. Его сопротивление рассчитывается следующим образом:

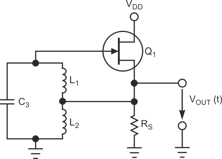
Чтобы завершить схему генератора, к каскаду усилителя необходимо добавить LC-резонансный контур (Рисунок 2); в результате получается генератор Колпитца. Резистор GS здесь становится ненужным, поскольку соединение затвора с землей обеспечивается индуктивностью резонансного LC-контура.

Для завершения схемы генератора к каскаду усилителя необходимо добавить LC-резонансный контур; в результате получается генератор Колпитца.
Рисунок 2. Для завершения схемы генератора к каскаду усилителя
необходимо добавить LC-резонансный контур; в результате
получается генератор Колпитца.

Анализируя схему с использованием критерия Баркгаузена (условие баланса амплитуд), можно найти выражение для частоты ее генерации fO:

Для генерации схемы конденсаторы должны удовлетворять следующему условию:

или, что эквивалентно, для коэффициента усиления по напряжению AV усилительного каскада, определяемого как VOUT(t)/VGS(t), должно выполняться неравенство:

где коэффициент усиления напряжения каскада с общим стоком равен:

откуда видно, что коэффициент усиления по напряжению всегда меньше единицы.

На основе JFET можно сделать генератор Хартли.
Рисунок 3. На основе JFET можно сделать генератор Хартли.

Точно так же на основе JFET можно разработать генератор Хартли (Рисунок 3). При моделировании и экспериментальной проверке генератора Колпитца использовался n-канальный JFET типа 2N3819. PSpice параметры транзистора были следующими: IDSS = 12 мА, VP = –3 В. Моделирование показывает, что при C1 = 50 нФ и C2 = 114 нФ коэффициент усиления схемы усилителя составляет 0.3064, а значит

и схема генерирует (Рисунок 4), что также видно из процесса запуска генератора. Коэффициент усиления также показывает, что емкости конденсаторов соответствуют условиям возникновения генерации:

При C1 = 50 нФ и C2 = 114 нФ генератор запускается.
Рисунок 4. При C1 = 50 нФ и C2 = 114 нФ генератор запускается.

Обратите внимание, что крутизна транзистора равна величине наклона кривой зависимости ID = f(VGS) в этой рабочей точке. В зависимости от положения рабочей точки фактическое значение крутизны будет больше или меньше. В соответствии с этим наклоном при запуске генерации кривая ID = f(VGS) ограничивает амплитуду выходного сигнала из-за уменьшения крутизны, когда VGS снижается до значений, близких к напряжению отсечки; в этой зоне кривой ее наклон и, следовательно, крутизна меньше. Таким образом, собственная нелинейность JFET ограничивает коэффициент усиления усилительного каскада, и никакой дополнительной схемы, стабилизирующей амплитуду выходного сигнала, не требуется.

Материалы по теме

  1. Datasheet ON Semiconductor 2N3819

EDN

Перевод: AlexAAN по заказу РадиоЛоцман

На английском языке: JFETs Offer LC Oscillators with Few Components

42 предложений от 23 поставщиков
РЧ транзисторы с управляющим p-n переходом N-CH -25V 10mA BULK
Контест
Россия
2N3819
25 ₽
TradeElectronics
Россия
2N3819CROPPED
Fairchild
по запросу
2N3819ONS
Fairchild
по запросу
2N3819_02
Fairchild
по запросу
ТМ Электроникс. Электронные компоненты и приборы. Скидки, кэшбэк и бесплатная доставка
Для комментирования материалов с сайта и получения полного доступа к нашему форуму Вам необходимо зарегистрироваться.
Имя