Новости
Статьи
Библио
Схемы
Datasheets
Сайты
Приборы
Цены
Форум
Еще
Новости
Статьи
Библио
Datasheets
Сайты
Приборы
Подписка на обновления
Журнал «РадиоЛоцман»
Авторы
Datasheet.ru
Объявления
О РадиоЛоцмане
Авторам
Вакансии
Сотрудничество
Реклама
Контакты
en - English
Поиск
Подразделы
Проф. элек-ка
Arduino
Авто
Автозвук
Автоматика
Аналог. схемы
Аудио
Безопасность
Беспроводные
Бытовая
Ветроэнер-ка
Видео
Видеокамеры
Вред.рецепты
Высоковольт.
Генераторы
ИИ
Игры
Измерения
Инстр. и тех.
Интерфейсы
История электроники
Квантовые компьютеры
Компьютеры и
Лазер
Медицина
Мониторы
Музыка
Начинающим
Обработка сигналов, фильтры
Перс.технолог
Печат.платы
Питание
Платформы
Применение МК
Р/у модели
Радио
Радиолокация
Ретро
Робототехника
САПР и ПО
Светотехника
Сети
Силовая эл-ка
Солнечная эн.
Сотовая связь
Спутник.обор.
ТВ
Телефон
Теория
Ук.применению
Усилители
Фотоника
Цифровые
Эл. компон-ты
АЦП, ЦАП
Беспроводные
Датчики
Дискретные
Драйверы
Интерфейсы
Конденсаторы
Логика
МК
МЭМС
Оптоэлектроника
Память
Пассивные комп-ты
Питание
Преоб. данных
Прогр. логика
Процессоры
РЧ компоненты
Резисторы
Реле
Соед., разъемы
Сотовая связь
Технологии
Усилители
Потреб. тех-ка
Аудиотехника
Видеотехника
Климат. тех-ка
Компьютеры ..
Кухонная тех-ка
Оргтехника
Связь
Техн. будущего
Товары для дома
Фототехника
Производители
Статьи
Многофазный выпрямитель на основе …
Многофазный выпрямитель на основе последовательного включения мостовых выпрямителей
Авторы
Михаил Шустов - Томск
Основной документ
Статья «
Многофазные выпрямители с умножением напряжения
»
Описание
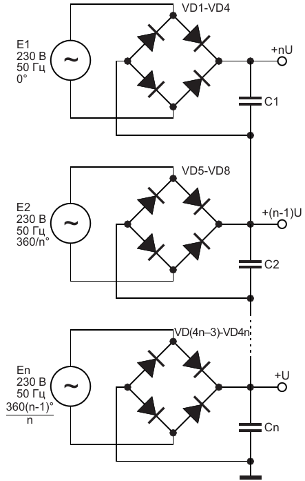
Рисунок 11
Формат / Размер файла
PDF
/
13 Кб
Язык документа
русский
Скачать PDF
Другие материалы из основного документа
Статья «
Многофазные выпрямители с умножением напряжения
»
Рисунок 1. Классические схемы выпрямителей: А - Мостовой выпрямитель переменного тока К.Ф. Поллака (1895), Л. Гретца (1897) Б - Однофазный двухполупериодный и трёхфазный однополупериодный выпрямитель В.Ф. Миткевича (1901) В - Однополупериодный выпрямитель П.У. Вилла
Рисунок 2. Трехфазный выпрямитель с двумя выходными напряжениями
Рисунок 3. Многофазный выпрямитель с двумя выходными напряжениями
Рисунок 4. Трехфазные выпрямители с двумя выходными напряжениями: А и Б - по схеме «звезда»; В - «треугольник»
Рисунок 5. Трехфазный выпрямитель (упрощенный вариант) с двумя выходными напряжениями
Рисунок 6. Многофазный выпрямитель (упрощенный вариант) с двумя выходными напряжениями
Рисунок 7. Многофазный трансформаторный двухполупериодный выпрямитель, имеющий: А - одно выходное напряжение; Б - два выходных напряжения разной полярности
Рисунок 8. Многофазный мостовой выпрямитель с включением источников напряжения по схеме «треугольник»
Рисунок 9. Диодно-емкостной однофазный выпрямитель (слева) и многофазный выпрямитель параллельного типа на его основе (справа)
Рисунок 10. Многофазный выпрямитель на основе последовательного включения диодно-емкостных выпрямителей
Рисунок 11. Многофазный выпрямитель на основе последовательного включения мостовых выпрямителей
Рисунок 12. Многофазный выпрямитель с переключаемыми выходными напряжениями положительной (0, +163 В, +325 В) и отрицательной (-325 В, -162 В, 0) полярности
Хотите получать уведомления о выходе новых материалов на сайте?
Подпишитесь на рассылку!
Срезы
Измерения
Микроконтроллеры
Силовая Электроника
Электронные компоненты
Ремонт техники
Подписка на обновления
Журнал «РадиоЛоцман»
Реклама
Размещение прайс листов
Контакты