Новости
Статьи
Библио
Схемы
Datasheets
Сайты
Приборы
Цены
Форум
Еще
Новости
Статьи
Библио
Datasheets
Сайты
Приборы
Подписка на обновления
Журнал «РадиоЛоцман»
Авторы
Datasheet.ru
Объявления
О РадиоЛоцмане
Авторам
Вакансии
Сотрудничество
Реклама
Контакты
en - English
Поиск
Подразделы
Arduino
Авто
Автозвук
Автоматика
Аналог. схемы
Аудио
Безопасность
Беспроводные
Бытовая
Ветроэнер-ка
Видео
Видеокамеры
Вред.рецепты
Высоковольт.
Генераторы
ИИ
Игры
Измерения
Инстр. и тех.
Интерфейсы
История электроники
Квантовые компьютеры
Компьютеры и
Лазер
Медицина
Мониторы
Музыка
Начинающим
Обработка сигналов, фильтры
Перс.технолог
Печат.платы
Питание
Платформы
Применение МК
Р/у модели
Радио
Радиолокация
Ретро
Робототехника
САПР и ПО
Светотехника
Сети
Силовая эл-ка
Солнечная эн.
Сотовая связь
Спутник.обор.
ТВ
Телефон
Теория
Ук.применению
Усилители
Фотоника
Цифровые
Производители
Схемы
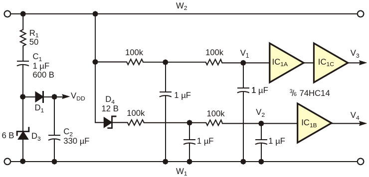
Эта схема управления использует …
Эта схема управления использует импульсы постоянного тока, поступающие от схемы на Рисунке 1, для управления симисторами в схеме на Рисунке 3
Авторы
Tom Hornak
Основной документ
Статья «
Короткие импульсы постоянного тока дистанционно управляют светильниками
»
Описание
Рисунок 2
Формат / Размер файла
PDF
/
79 Кб
Язык документа
русский
Скачать PDF
Другие материалы из основного документа
Статья «
Короткие импульсы постоянного тока дистанционно управляют светильниками
»
Рисунок 1. Эта схема формирует импульсы постоянного тока, используемые схемой управления, расположенной на стороне нагрузки
Рисунок 2. Эта схема управления использует импульсы постоянного тока, поступающие от схемы на Рисунке 1, для управления симисторами в схеме на Рисунке 3
Рисунок 3. Симисторы, управляемые парой настенных выключателей, независимо коммутируют две нагрузки
Хотите получать уведомления о выходе новых материалов на сайте?
Подпишитесь на рассылку!
Срезы
Измерения
Микроконтроллеры
Силовая Электроника
Электронные компоненты
Ремонт техники
Подписка на обновления
Журнал «РадиоЛоцман»
Реклама
Размещение прайс листов
Контакты