AC-DC и DC-DC преобразователи напряжения Top Power на складе ЭЛТЕХ

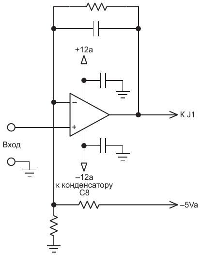
Для смещения отрицательных (относительно J2) входных напряжений можно использовать обычную схема сдвига уровней, выходное напряжение которой всегда положительное

Основной документСтатья «Сигма-дельта изолирующий усилитель для передачи низких частот»
ОписаниеРисунок 2
Формат / Размер файлаPDF / 11 Кб
Язык документарусский

Для смещения отрицательных (относительно J2) входных напряжений можно использовать обычную схема сдвига уровней, выходное напряжение которой всегда положительное

Многослойные керамические конденсаторы от лидеров азиатского рынка

Другие материалы из основного документа

ТМ Электроникс. Электронные компоненты и приборы. Скидки, кэшбэк и бесплатная доставка