Поставки продукции Megawin по официальным каналам - микроконтроллеры, мосты USB-UART

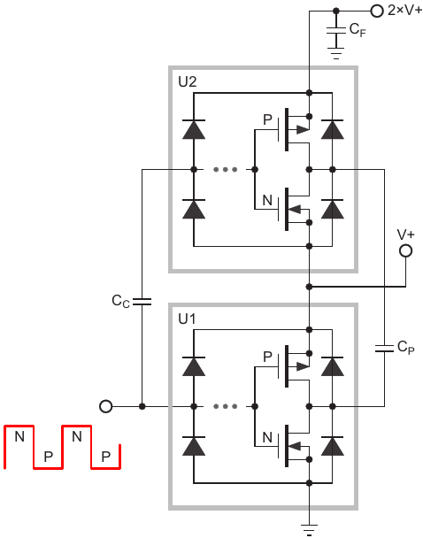
Упрощенная топология удвоителя напряжения, состоящего из драйвера (U1), коммутатора (U2), а также конденсаторов связи (CC), накачки (CP) и фильтра (CF)

АвторыStephen Woodward
Основной документСтатья «Эффективный удвоитель напряжения на основе обычных КМОП инверторов»
ОписаниеРисунок 2
Формат / Размер файлаPDF / 10 Кб
Язык документарусский

Упрощенная топология удвоителя напряжения, состоящего из драйвера (U1), коммутатора (U2), а также конденсаторов связи (C sub C /sub ), накачки (C sub P /sub ) и фильтра (C sub F /sub )

Многослойные керамические конденсаторы от лидеров азиатского рынка

Другие материалы из основного документа

ТМ Электроникс. Электронные компоненты и приборы. Скидки, кэшбэк и бесплатная доставка