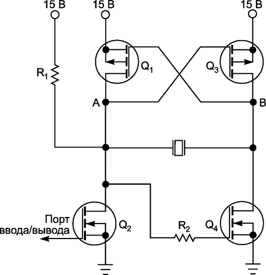
Ранее была показано, как с помощью двух линий ввода/вывода микроконтроллера и схемы на четырех MOSFET можно питать пьезоэлектрический зуммер высоким переменным напряжением [1]. Теперь предлагается усовершенствованный вариант схемы, позволяющий освободить один разряд порта микроконтроллера. В новой схеме затвор Q2 подключается не к микроконтроллеру, а к стоку Q4 (Рисунок 1). Подав высокий логический уровень на затвор транзистора Q2, микроконтроллер включает его и опускает потенциал узла A. В результате включается транзистор Q3 и выключается Q4. Напряжение в узле B поднимается до 15 В, и Q1 выключается. Напряжение на пьезоэлементе становится равным 15 В.
![]() |
|
| Рисунок 1. | Для генерации переменного напряжения, питающего пьезоэлектрический зуммер, достаточно одного вывода микроконтроллера. |
Затем микроконтроллер устанавливает на выводе уровень логического нуля, закрывая Q2. Q1 также выключается, и потенциал узла A начинает медленно повышаться благодаря заряду емкости затворов через резистор R1. Когда напряжение в узле A достигнет порога переключения инвертора, образованного парой транзисторов Q3 и Q4, Q3 быстро выключается, а Q4 открывается. Низкое напряжение узла B включает транзистор Q1 и ускоряет нарастание напряжения в узле A. Полярность приложенного к пьезоизлучателю напряжения меняется на противоположную.
R2 ослабляет обусловленную наличием пьзоэлемента обратную связь между выходом и входом Q4. Для подавления высокочастотной генерации обычно достаточно резистора 330 Ом. При выборе R1 следует учитывать, что при низком сопротивлении увеличивается мощность, забираемая от источника питания, а при высоком, вследствие замедления переключения транзисторов, растут потери от сквозных токов. Оптимальная величина сопротивления резистора R1 составляет примерно 1 кОм.
В этой схеме за сокращение количества необходимых выводов микроконтроллера пришлось заплатить значительным увеличением потребляемой мощности. Схема, описанная в [1], на порядок экономичнее.
Ссылки
- Mehmet Efe Ozbek. «Микроконтроллер повышает напряжение для управления пьезоэлектрическим зуммером».







