José M Blanes and Ausiàs Garrigós
EDN
Имитаторы фотогальванических модулей часто требуются инженерам-электронщикам для проверки DC/DC преобразователей, инверторов и схем управления точкой максимальной мощности. Использование этих имитаторов позволяет в лабораторных условиях воссоздать необходимые светотехнические характеристики и избежать проблем при подключении реальных фотогальванических модулей. В продаже имеется множество подобных имитаторов, однако чаще всего они весьма дороги.
В этой статье представлена простая схема имитатора фотогальванического модуля, входным управляющим сигналом которого служит источник постоянного напряжения. В устройстве используется простейшая эквивалентная схема модуля: источник тока, включенный параллельно с диодом. Выходной сигнал источника тока прямо пропорционален освещенности, а характеристики параллельного диода зависят от температуры.
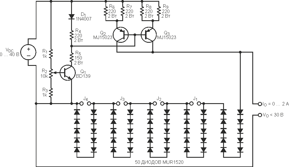
Источник тока на Рисунке 1, обеспечивающий ток короткого замыкания до 2 А, сделан на двух мощных биполярных транзистора MJ15023 (Q2 и Q3), работающих в линейной области. Величина этого тока пропорциональна базовому току транзисторов. Ток короткого замыкания можно регулировать потенциометром R2, изменение сопротивления которого управляет коллекторным током транзистора Q1 и, соответственно, базовыми токами Q2 и Q3.
![]() |
||
| Рисунок 1. | Фотогальванические характеристики этого имитатора можно регулировать, изменяя ток источника или количество диодов в последовательной цепочке. Диоды можно закорачивать группами по десять. |
|
В схеме 50 диодов MUR1520 соединенные в группы, параллельные и последовательные источнику тока. Эти диоды можно закорачивать группами по 10, что позволяет выбирать количество последовательных диодов, равным 10, 20, 30, 40 или 50. Если точности схемы будет недостаточно, можно разбить диоды в имитаторе на большее число групп, и таким образом увеличить количество выходных кривых.
![]() |
||
| Рисунок 2. | Изменяя параметры выхода источника тока, можно управлять током короткого замыкания. |
|
На Рисунках 2 и 3 показаны зависимости тока и мощности имитатора фотогальванического модуля от входного напряжения при двух значениях тока источника (ISC1 и ISC2) и разном количестве диодов. Для получения этих кривых потребовалось использование электронной нагрузки [1]. Ток короткого замыкания искусственного модуля регулируется параметрами выхода источника тока, а подключение или отключение диодов изменяет напряжение холостого хода. Подключив цифровую схему управления имитатором, вы сможете создавать произвольные кривые фотоэлектрических характеристик.
![]() |
||
| Рисунок 3. | Точка максимальной мощности смещается в зависимости от количества диодов. |
|






Купить MUR1520 на РадиоЛоцман.Цены


