В большинстве электронных часов, будь то аналоговые или цифровые, в качестве источника опорной частоты используются генераторы, основанные на кварцевом резонаторе 32.768 кГц. Фактически, это тот же резонатор, который во многих микроконтроллерных системах обычно используется в часах реального времени. Типичная годовая стабильность этих кристаллов составляет ±3 ppm [1].
Хотя в большинстве случаев этого достаточно, для разработчиков, работающих над приложениями, требующими гораздо более высокой степени стабильности, это слишком неточно. Таким приложениям нужны высокоточные источники синхросигналов, такие как термостатированные кварцевые генераторы (oven controlled crystal oscillators, OCXO) [2], обеспечивающие годовую стабильность ±2×10–8, или цезиевый стандарт [3] с еще более высокой типичной стабильностью ±3×10–12.
К сожалению, модернизация существующего приложения с простого кварцевого генератора до высокостабильного источника опорной частоты – непростая задача. Это связано с тем, что эти высокоточные источники работают на стандартной частоте 10 МГц, которая не является результатом умножения на целочисленный множитель стандартной рабочей частоты кварцевого генератора 32.768 кГц.
Одним из решений является микросхема генератора тактовой частоты, такая, например, как Si5351. Она представляет собой схему фазовой автоподстройки частоты, которая умножает входную частоту до 600–900 МГц, а затем делит ее для получения выходной частоты. Это слишком сложно и может внести в источник нежелательный фазовый шум. Предлагаемое здесь альтернативное решение основано на дробном делении.
Теория
В электронных часах с кварцевым генератором опорная частота 32.768 кГц делится до 1 Гц с помощью 15 последовательных счетчиков-делителей на 2; 215 = 32,768. Если выполняется условие, при котором в течение одной секунды приходит 32,768 импульсов, то когда и как возникают эти импульсы, не имеет значения, поскольку цепочка делителей сгладит любые неравномерности положения импульсов или их коэффициента заполнения.
Эту задачу мог бы решить конечный автомат, пропускающий только первые 32,768 импульсов тактовой частоты 10 МГц. Однако это привело бы к крайне нерегулярному тактовому сигналу, состоящему из 32,768 импульсов частотой 10 МГц с последующим промежутком почти в 997 миллисекунд. Это может быть слишком неравномерным для систем, ожидающих стабильной тактовой частоты 32.768 кГц.
Вместо этого можно использовать дробное деление, определив общие для частот 10 МГц и 32.768 кГц множители, показанные в следующем выражении:

Приведенное выше выражение показывает, что требуемое деление возможно с помощью шести операций деления на 2.5 и одной операции деления на 1.25. Функция деления на 2.5 может быть реализована с помощью стандартного счетчика-делителя на пять, такого например, который содержится в микросхеме сдвоенного счетчика 74HC390. 74HC390 состоит из двух независимых счетчиков-делителей на 2 и двух счетчиков-делителей на 5. Счетчик-делитель на 5 имеет таблицу истинности, показанную в Таблице 1, где QC – старший значащий бит, а QA – младший значащий бит.
| Таблица 1. | Таблица истинности счетчика-делителя на 5 | ||||||||||||||||||||||||
|
|||||||||||||||||||||||||
На каждые пять входных тактовых импульсов на выходе QA возникают два импульса; таким образом, выполняется нерегулярное деление на 2.5. Если требуется коэффициент заполнения ровно 50%, возможны более сложные архитектуры [4]. Деление на 1.25 сложнее, но возможно с помощью простого конечного автомата, поскольку оно эквивалентно генерации четырех выходных импульсов на каждые пять входных. Это достигается путем выполнения операции «И» над входным тактовым сигналом и инвертированным выходным сигналом QC счетчика-делителя на пять. Таким образом, таблица истинности имеет вид, представленный в Таблице 2, где символ ↑ обозначает нарастающий фронт импульса.
| Таблица 2. | Таблица истинности счетчика-делителя на 1.25, полученная из функции деления на 5 |
||||||||||||||||||||||||||||||||||||
|
|||||||||||||||||||||||||||||||||||||
Реализация
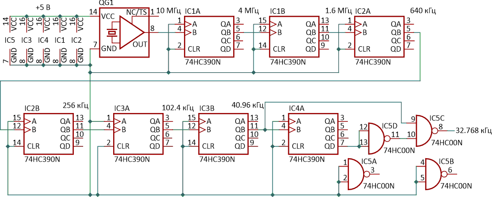
Полная схема делителя показана на Рисунке 1. QG1 – это модуль кварцевого генератора 10 МГц, в качестве которого при необходимости может быть использован высокостабильный термостатированный OCXO. Он вырабатывает совместимые с ТТЛ тактовые импульсы для IC1A – первого делителя на 2.5. Вход A является тактовым входом делителя на 2 микросхемы 74HC390. В данном случае вход A не используется, поэтому он подключен к земле, а его соответствующий выход QA оставлен плавающим. Вход B и выходы QB, QC и QD образуют делитель на 5, в котором QB – это выход младшего разряда.
![]() |
|
| Рисунок 1. | Принципиальная схема делителя. |
Частота импульсов на выходе QB счетчика IC1A, равная 4 МГц, затем делится счетчиком IC1B до 1.6 МГц. Далее счетчики IC2 и IC3 с помощью каскадов деления на 2.5 понижают ее до 40.96 кГц. IC5C из счетверенного логического элемента «И-НЕ» 74HC00 инвертирует выходной сигнал QD микросхемы IC4A. Этот сигнал поступает на логический элемент «И-НЕ», где он суммируется по «И» с входящим тактовым сигналом 40.96 кГц, образуя делитель на 1.25, в результате чего на выходе (вывод 8) получается тактовый сигнал частотой 32.768 кГц.
Для проверки теории схема была собрана на макетной плате, показанной на Рисунке 2.
![]() |
|
| Рисунок 2. | Макетная реализация схемы делителя с частотомером. |
Модуль в металлическом корпусе слева – это генератор опорной частоты 10 МГц (QG1). Рядом с ним расположены четыре микросхемы 74HC390, а в самом правом углу макетной платы – микросхема 74HC00. Дисплей, расположенный чуть ниже макета, представляет собой частотомер на базе микросхемы ICM7216D, используемый для отображения выходной частоты схемы.
Практические результаты
Частотомер на Рисунке 2 был настроен на время счета в одну секунду, в течение которого сглаживалась нерегулярность последовательности импульсов. В качестве источника опорной частоты использовался тот же кварцевый генератор 10 МГц, что и для самого делителя. Как и ожидалось, его дисплей показывает среднюю выходную частоту 32.768 кГц, предусмотренную конструкцией.
Кроме того, последовательность выходных импульсов схемы делителя была записана с помощью осциллографа Keysight DSO-X 1102G, как показано на Рисунке 3. Средняя частота, измеренная внутренним частотомером, также составила 32.768 кГц. Также обратите внимание на неравномерный характер последовательности импульсов, хорошо видный на дисплее осциллографа.
![]() |
|
| Рисунок 3. | Осциллограмма последовательности импульсов на выходе. |
Эти положительные результаты показывают, как, проявив немного изобретательности, из 10 МГц можно получить 32.768 кГц.
Ссылки
- Golledge GWX-1610 1610 Package 32.768kHz Watch Crystal.
- Golledge HCD220 10 MHz OCXO.
- Lindon L. Lewis, “An Introduction to Frequency Standards”.
- Yongping Xia, “Divide by 2.5”, Electronics World + Wireless World, December 1991, pp. 1051.









