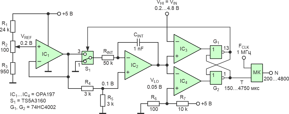
Схема на Рисунке 1 преобразует входное постоянное напряжение в последовательность импульсов. Период импульсов с коэффициентом заполнения 50% пропорционален входному напряжению, а погрешность нелинейности равна 0.01%. Максимальное время преобразования составляет менее 5 мс.
Схема состоит из четырех секций. Два опорных напряжения для интегратора создаются с помощью операционного усилителя IC1 и резисторов R1–R5.
Интегратор, построенный на элементах IC2, RINT и CINT, формирует симметричные треугольные импульсы. Коммутатор S1 изменяет направление тока, протекающего через конденсатор интегратора; это, в свою очередь, изменяет направление линейного изменения выходного напряжения. Остальная часть схемы представляет собой триггер Шмитта с переменным гистерезисом. Нижний порог срабатывания фиксирован на уровне VLO, а верхний (VHI) зависит от величины входного напряжения VIN.
Сигнал, поступающий с интегратора, колеблется между двумя порогами срабатывания триггера с одинаковой скоростью и в противоположных направлениях. Поскольку R4 = R5, коэффициент заполнения составляет 50%, а передаточная функция для периода выходных импульсов T имеет следующий вид:

Для возникновения колебаний необходимо, чтобы при подаче питания на схему выполнялось следующее соотношение:

Как видно из Рисунка 2, передаточная функция схемы идеально линейна (коэффициент аппроксимации R2 равен единице). В действительности наблюдаются небольшие отклонения от прямой линии; по отношению к диапазону изменения выходного периода эти отклонения не превышают ±0.01%. Наклон прямой можно отрегулировать до 1000 мкс/В с помощью потенциометра R2, а смещение легко компенсируется микроконтроллером.
![]() |
|
| Рисунок 2. | Передаточная функция схемы на Рисунке 1. Она очень линейна и может быть легко настроена с помощью потенциометра R2. |
На Рисунке 1 показано, как микроконтроллер преобразует период T в число, заполняя его тактовыми импульсами с частотой fCLK = 1 МГц. Он также добавляет к результату 50, чтобы компенсировать смещение. Диапазон полученных чисел составляет от 200 до 4800, т. е. разрешение равно одному отсчету на милливольт.
Разрешение можно легко увеличить в 10 раз, установив тактовую частоту 10 МГц. Примечательно, что погрешность нелинейности и время преобразования остаются неизменными, что невозможно для преобразователей напряжения в частоту (ПНЧ). Вот пример.
Предположим, что преобразователь напряжения в период (ПНП) генерирует импульсы с периодом T = 5 мс при максимальном входном напряжении 5 В. Заполнение этого периода тактовыми импульсами частотой fCLK = 1 МГц дает число 5000 (N = T × fCLK). Время преобразования составляет 5 мс, что является максимальным для данного преобразователя. Как мы уже знаем, нелинейность составляет 0.01%.
Теперь рассмотрим ПНЧ, который при входном напряжении 5 В выдает на выходе частоту f = 5 кГц. Чтобы получить число 5000, этот сигнал должен быть стробирован сигналом длительностью tG = 1 с (N = tG × f). Время стробирования – это время преобразования.
Нелинейность в этом случае составляет 0.002%, что в пять раз лучше нелинейности ПНП (см. Ссылки). Однако время преобразования в 200 раз больше (1 с против 5 мс). Чтобы получить то же количество импульсов N за то же время преобразования, что и у ПНП, частота ПНЧ при полном входном сигнале должна быть увеличена до 1 МГц. Однако нелинейность на частоте 1 МГц составляет 0.1%, что в десять раз хуже нелинейности ПНП.
Контраст становится еще более заметным, когда желаемое число увеличивается до 50,000. При использовании того же анализа становится ясно, что ПНП может выполнять работу в 10 раз быстрее и обеспечивать линейность в 10 раз лучшую, чем ПНЧ. Дополнительным преимуществом ПНП является более низкая стоимость.
Если вы планируете использовать эту схему, обратите внимание на конденсатор интегратора. Поскольку значение емкости CINT входит в передаточную функцию, конденсатор следует тщательно выбирать с точки зрения допуска, температурной стабильности и материала диэлектрика.








