Linear Technology объявила о выпуске высокочастотного широкополосного детектора среднеквадратичной (RMS) мощности с большим динамическим диапазоном, обеспечивающего точное измерение истинной мощности модулированных и кодированных ВЧ и СВЧ сигналов. LTC5596 представляет результаты в простом в использовании линейно-логарифмическом масштабе 29 мВ/дБ для входных сигналов с уровнями от –37 дБм до –2 дБм с погрешностью менее ±1 дБ во всем рабочем диапазоне температур и частот от 200 МГц до беспрецедентного значения 30 ГГц. Кроме того, неравномерность частотной характеристики устройства в этой полосе частот не превышает ±1 дБ. Микросхема может использоваться и в более широком диапазоне от 100 МГц до 40 ГГц, однако при этом на крайних частотах слегка снизится точность измерений. Высокочастотный вход детектора имеет входной импеданс 50 Ом, согласованный для частот от 100 МГц до 40 ГГц, что существенно облегчает использование устройства в любой полосе полезного диапазона.

Для достижения более высоких скоростей передачи данных современные коммуникационные системы поколений 4G и 5G используют многотоновую OFDM-модуляцию высокого порядка. В качестве детекторных элементов в них традиционно используются СВЧ диоды Шоттки. Однако им присущи серьезные недостатки, связанные с тем, что при выпрямлении ВЧ и СВЧ сигналов они измеряют лишь пики сигнала, давая ложную информацию о его реальной мощности. В отличие от этого в детекторах RMS производится аналоговое вычисление среднеквадратичного значения сигнала с последующим усреднением, позволяя получить значение истинной мощности, независимо от вида модуляции, числа несущих и меняющихся амплитуд. Возможность измерения истинной мощности имеет критическое значение для изготовителей оборудования, давая возможность точно установить максимальную мощность передатчика, оставаясь при этом в пределах допустимых границ, установленных регулирующими органами.
|  | 
| Детектор среднеквадратичной мощности для диапазона частот 100 МГц … 40 ГГц. | 
Чрезвычайно широкая полоса рабочих частот LTC5596 позволяет одной и той же схеме детектора с минимальной калибровкой работать в разных частотных диапазонах. Например, LTC5596 работает одинаково хорошо как в ретрансляторах линий связи диапазона ниже 10 ГГц, так и в версиях аппаратуры, использующих частоту 28 ГГц. В единую, не требующую перекалибровки конструкцию заложен потенциал существенного снижения цены оборудования конченых производителей. Кроме того, широкий частотный диапазон LTC5596 и повышенная чувствительность будут востребованы большим кругом приложений, таких как радарные системы, аппаратура спутниковой связи и контрольно-измерительное оборудование.
|  | 
| Зависимость выходного напряжения от частоты. | 
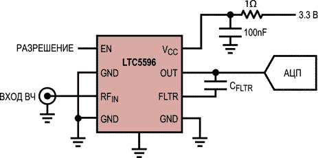
Для работы LTC5596 требуется источник питания 3.3 В, от которого микросхема потребляет номинальный ток 30 мА. Детектор имеет встроенную защиту от электростатических разрядов. При воздействии модели человеческого тела все выводы выдерживают разряды напряжением до 3500 В. По рабочему температурному диапазону детекторы делятся на две группы. Приборы промышленного исполнения (группа I) разработаны для диапазона температур корпуса от –40 °C до 105 °C. Для приложений, эксплуатируемых в условиях особо высоких температур, таких, например, как мощные ВЧ усилители, предлагается версия группы H, работающая при температуре корпуса от –40 °C до 125 °C. Приборы группы H проходят стопроцентное тестирование в полном диапазоне температур и имеют гарантированно низкий разброс основных параметров между компонентами. Оба устройства выпускаются в пластиковых 8-выводных корпусах DFN площадью 2 мм × 2 мм.
Для партий из 1000 микросхем цены, установленные на один прибор, начинаются от $12.50 для группы I и от $16.95 для группы H. Приборы обоих исполнений уже доступны в промышленных количествах.
Сводка основных характеристик LTC5596
- 50-омное согласование в диапазоне частот от 100 МГц до 40 ГГц;
- Широкий линейный диапазон измерений (в полосе частот 200 МГц … 30 ГГц): от –37 дБм до –2 дБм;
- Линейный динамический диапазон 35 дБ (при ошибке менее ±1 дБ);
- Неравномерность частотной характеристики в полосе от 200 МГц до 30 ГГц: ±1 дБ;
- Диапазон рабочих температур корпуса:
- Промышленный (суффикс I): –40 °C … 105 °C,
- Расширенный (суффикс H): –40 °C … 125 °C.



 Купить LTC5596 на РадиоЛоцман.Цены
Купить LTC5596 на РадиоЛоцман.Цены


