Контрактное производство электроники. Полный цикл работ
РадиоЛоцман - Все об электронике

Умножители частоты на элементах задержки

- Томск

Приведено описание схем умножителей частоты в произвольное целочисленное количество раз при использовании элементов задержки импульсов.

Умножители частоты в произвольное количество раз являются довольно экзотическими устройствами цифровой техники. При анализе технической литературы чаще всего можно найти умножители частоты цифровых сигналов в 2, 4, 8 раз.

AC-DC источники питания Mean Well на DIN рейку

Наиболее известны умножители частоты с использованием элементов «Исключающее ИЛИ». Простейший удвоитель частоты можно получить при использовании формирователя импульса, показанного на Рисунке 1а, если из схемы удалить диод VD1.

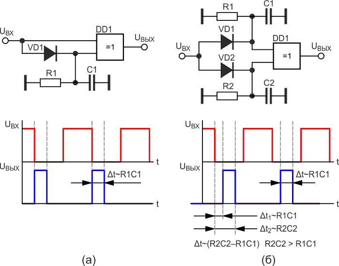
Формирователь импульса на RC-цепочке последовательного включения, Рисунок 1a, позволяет при подаче на его вход протяженного импульса получить на выходе устройства короткий импульс. Начало этого импульса совпадает по времени с моментом подачи входного импульса, а окончание определяется постоянной времени цепи R1C1. Длительность импульса можно оценить из выражения: ∆t~const•R1•C1. Предполагается, что длительность входного импульса превышает длительность выходного.

Схемы формирователей на элементах «Исключающее ИЛИ» и RC-цепочках последовательного включения: (а) короткого импульса и (б) задержки короткого импульса после начала импульса входного.
Рисунок 1. Схемы формирователей на элементах «Исключающее ИЛИ» и RC-цепочках
последовательного включения: (а) короткого импульса и (б) задержки короткого
импульса после начала импульса входного.

Элемент задержки импульса на RC-цепочках последовательного включения, Рисунок 1б, позволяет сформировать на выходе устройства импульс, задержанный относительно входного импульса на интервал времени ∆t1~const•R1•C1. Момент окончания этого импульса ∆t2~const•R2•C2, соответственно; длительность импульса: ∆t~(R2•C2–R1•C1) при условии, что R2•C2 > R1•C1.

При использовании нескольких параллельно включенных n формирователей задержки коротких импульсов относительно протяженного входного импульса и последующем суммировании этих импульсов на выходе устройства можно получить выходные импульсы, частота которых будет в n раз превышать частоту входного сигнала, Рисунок 2.

Умножитель (утроитель) частоты входных импульсов.
Рисунок 2. Умножитель (утроитель) частоты входных импульсов.

Для этого необходимо выполнение следующих условий:

  1. Коэффициент заполнения входных импульсов D (КЗИ) должен быть приближен к максимально возможному значению, например, 99%.
  2. Для обеспечения равномерности распределения выходных импульсов во времени при D=50% номиналы RC-цепочек вычисляют для каждого из n формирователей по выражению:0.754/(n•F), где R – в  кОм, C – в нФ, F – в Гц. Частичное исключение при расчете имеет первый формирователь.

Так, например, для умножителя частоты на 3 (Рисунок 2) при использовании конденсаторов C равного номинала номиналы резисторов элементов задержки импульсов должны составлять ряд 0, R, 2R, 3R, 4R, 5R.

При использовании резисторов равного номинала емкость конденсаторов должна отвечать ряду 0, C, 2C…

Динамика электрических процессов в контрольных точках умножителя частоты (Рисунок 2) приведена на Рисунке 3.

Динамика процессов в утроителе частоты входных импульсов (Рисунок 2).
Рисунок 3. Динамика процессов в утроителе частоты входных
импульсов (Рисунок 2).

Для получения импульсов на входе умножителя частоты с КЗИ, близким к максимально возможному, может быть использован формирователь импульсов (Рисунок 4), позволяющий получить такой сигнал из входного сигнала с произвольным КЗИ.

Формирователь импульсов с КЗИ порядка 99% из входных импульсов с произвольным КЗИ.
Рисунок 4. Формирователь импульсов с КЗИ порядка 99% из входных
импульсов с произвольным КЗИ.

Альтернативный вариант умножителя частоты цифровых сигналов, выполненный на элементах задержки импульсов иного построения, показан на Рисунках 5 и 6.

Схемы формирователей на элементах «Исключающее ИЛИ» и RC-цепочках параллельного включения: (а) короткого импульса и (б) задержки импульса после окончания импульса входного.
Рисунок 5. Схемы формирователей на элементах «Исключающее ИЛИ» и RC-цепочках
параллельного включения: (а) короткого импульса и (б) задержки импульса
после окончания импульса входного.

Формирователь короткого импульса, который появляется сразу после окончания импульса входного, приведен на Рисунке 5а. Его длительность, как и в предыдущем случае, пропорциональна произведению R1C1.

Для получения короткого импульса, задержанного на заданный интервал времени после окончания импульса запуска может быть использован формирователь, показанный на Рисунке 5б. Для того чтобы такие формирователи могли быть использованы в составе умножителей частоты, длительность входных импульсов должна намного превосходить длительность выходных.

Умножитель частоты входного сигнала с использованием формирователей импульсов на RC-цепочках параллельного включения показан на Рисунке 6. На элементе «Исключающее ИЛИ» выполнен входной формирователь иглообразных импульсов (КЗИ порядка 1%) из входных импульсов с КЗИ 1…99%.

Умножитель частоты входных импульсов в n раз.
Рисунок 6. Умножитель частоты входных импульсов в n раз.

Далее короткие импульсы подаются на n (n – коэффициент умножения частоты) параллельно включенных формирователей задержки импульса на RC-цепочках параллельного включения (A1–An). Импульсы с выходов этих формирователей через диоды VD суммируются на сопротивлении нагрузки RН.

При использовании в схеме резисторов равного номинала емкости пар конденсаторов для каждого из n формирователей можно вычислить из ряда (2n–1)C и 2nС, или C, 2C, 3C, 4C… для каждой RC-цепочки по нарастающей.

Для умножителей частоты в четное количество раз (2, 4, 6, 8…) можно использовать упрощенные схемы устройств (Рисунки 7 и 8). Эти умножители представляют собой удвоители входной частоты, выходные импульсы которых сдвинуты на заданный интервал времени и просуммированы на сопротивлении нагрузки.

Умножитель частоты входных импульсов в 2n раз (n=3).
Рисунок 7. Умножитель частоты входных импульсов в 2n раз (n=3).

Недостатком рассмотренных умножителей частоты является то, что без перестройки номиналов RC-цепочек они могут работать только в узкой полосе частот входных импульсов.

множитель частоты входных импульсов в 2n раз (n=3) последовательного типа.
Рисунок 8. множитель частоты входных импульсов в 2n раз (n=3) последовательного типа.

Для работы умножителей частоты в широком диапазоне частот необходимо синхронно перестраивать емкости конденсаторов (что мало реализуемо), либо резисторов. Разумеется, механическая одновременная перестройка целого ряда потенциометров также мало осуществима, однако использование электронных потенциометров снимает эту проблему.

Максимальная частота выходных сигналов определяется частотными свойствами используемых активных элементов (для КМОП микросхем порядка 1 МГц), минимальная – габаритами конденсаторов (единицы Гц).

ТМ Электроникс. Электронные компоненты и приборы. Скидки, кэшбэк и бесплатная доставка
Для комментирования материалов с сайта и получения полного доступа к нашему форуму Вам необходимо зарегистрироваться.
Имя