Поставки продукции Megawin по официальным каналам - микроконтроллеры, мосты USB-UART
РадиоЛоцман - Все об электронике

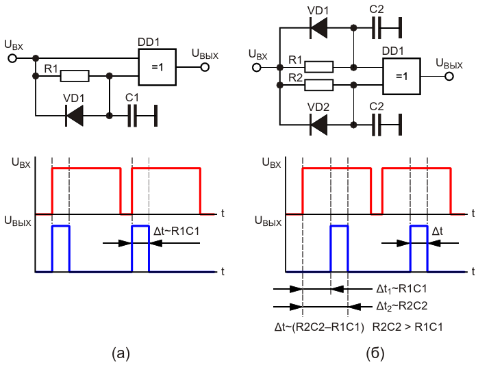
Схемы формирователей на элементах «Исключающее ИЛИ» и RC-цепочках последовательного включения: (а) короткого импульса и (б) задержки короткого импульса после начала импульса входного

АвторыМихаил Шустов - Томск
Основной документСтатья «Умножители частоты на элементах задержки»
ОписаниеРисунок 1
Формат / Размер файлаPDF / 24 Кб
Язык документарусский

Схемы формирователей на элементах «Исключающее ИЛИ» и RC-цепочках последовательного включения: (а) короткого импульса и (б) задержки короткого импульса после начала импульса входного

AC-DC источники питания Mean Well на DIN рейку

Другие материалы из основного документа

ТМ Электроникс. Электронные компоненты и приборы. Скидки, кэшбэк и бесплатная доставка