Новости
Статьи
Библио
Схемы
Datasheets
Сайты
Приборы
Цены
Форум
Еще
Новости
Статьи
Библио
Datasheets
Сайты
Приборы
Подписка на обновления
Журнал «РадиоЛоцман»
Авторы
Datasheet.ru
Объявления
О РадиоЛоцмане
Авторам
Вакансии
Сотрудничество
Реклама
Контакты
en - English
Поиск
Подразделы
Проф. элек-ка
Arduino
Авто
Автозвук
Автоматика
Аналог. схемы
Аудио
Безопасность
Беспроводные
Бытовая
Ветроэнер-ка
Видео
Видеокамеры
Вред.рецепты
Высоковольт.
Генераторы
ИИ
Игры
Измерения
Инстр. и тех.
Интерфейсы
История электроники
Квантовые компьютеры
Компьютеры и
Лазер
Медицина
Мониторы
Музыка
Начинающим
Обработка сигналов, фильтры
Перс.технолог
Печат.платы
Питание
Платформы
Применение МК
Р/у модели
Радио
Радиолокация
Ретро
Робототехника
САПР и ПО
Светотехника
Сети
Силовая эл-ка
Солнечная эн.
Сотовая связь
Спутник.обор.
ТВ
Телефон
Теория
Ук.применению
Усилители
Фотоника
Цифровые
Эл. компон-ты
АЦП, ЦАП
Беспроводные
Датчики
Дискретные
Драйверы
Интерфейсы
Конденсаторы
Логика
МК
МЭМС
Оптоэлектроника
Память
Пассивные комп-ты
Питание
Преоб. данных
Прогр. логика
Процессоры
РЧ компоненты
Резисторы
Реле
Соед., разъемы
Сотовая связь
Технологии
Усилители
Потреб. тех-ка
Аудиотехника
Видеотехника
Климат. тех-ка
Компьютеры ..
Кухонная тех-ка
Оргтехника
Связь
Техн. будущего
Товары для дома
Фототехника
Производители
Статьи
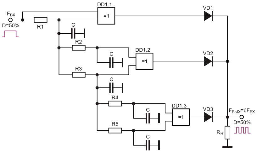
множитель частоты входных импульсов …
множитель частоты входных импульсов в 2n раз (n=3) последовательного типа
Авторы
Михаил Шустов - Томск
Основной документ
Статья «
Умножители частоты на элементах задержки
»
Описание
Рисунок 8
Формат / Размер файла
PDF
/
17 Кб
Язык документа
русский
Скачать PDF
Другие материалы из основного документа
Статья «
Умножители частоты на элементах задержки
»
Рисунок 1. Схемы формирователей на элементах «Исключающее ИЛИ» и RC-цепочках последовательного включения: (а) короткого импульса и (б) задержки короткого импульса после начала импульса входного
Рисунок 2. Умножитель (утроитель) частоты входных импульсов
Рисунок 3. Динамика процессов в утроителе частоты входных импульсов (Рисунок 2)
Рисунок 4. Формирователь импульсов с КЗИ порядка 99% из входных импульсов с произвольным КЗИ
Рисунок 5. Схемы формирователей на элементах «Исключающее ИЛИ» и RC-цепочках параллельного включения: (а) короткого импульса и (б) задержки импульса после окончания импульса входного
Рисунок 6. Умножитель частоты входных импульсов в n раз
Рисунок 7. Умножитель частоты входных импульсов в 2n раз (n=3)
Рисунок 8. множитель частоты входных импульсов в 2n раз (n=3) последовательного типа
Хотите получать уведомления о выходе новых материалов на сайте?
Подпишитесь на рассылку!
Срезы
Измерения
Микроконтроллеры
Силовая Электроника
Электронные компоненты
Ремонт техники
Подписка на обновления
Журнал «РадиоЛоцман»
Реклама
Размещение прайс листов
Контакты