Логический двухвходовый C-элемент Мюллера представляет собой устройство, имеющее уровень логического нуля на выходе в случае, если входные сигналы имеют уровень логического нуля, и уровень логической единицы, если оба входных сигналов имеют уровень логической единицы; во всех остальных случаях выходное состояние сохраняет свое значение. Рассмотрены варианты построения двух-, трех- и четырехвходовых логических элементов с памятью состояния, а также многовходовый логический элемент с памятью состояния, управляемый входными сигналами: «лог. 1», «лог. 0» и «Z» (отключено).
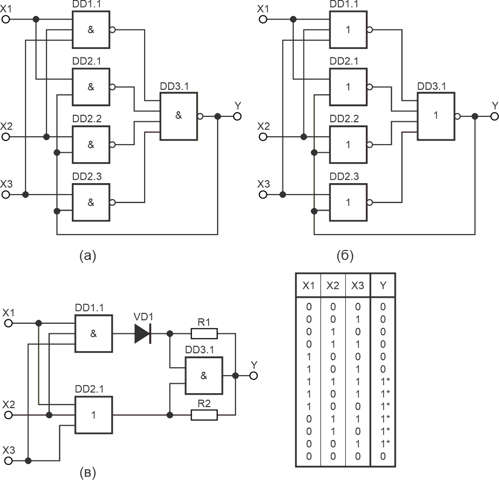
Логический двухвходовый C-элемент (элемент Мюллера, С-триггер) был предложен в 1955 г. американским математиком и специалистом по теории автоматов Дэвидом Юджином Мюллером (David Eugene Muller, 1924–2008), профессором математики и информатики Иллинойсского университета [1]. Элемент Мюллера представляет собой двухвходовое логическое устройство, Рисунок 1а и 1б, имеющее на выходе «лог. 0», если уровни входных сигналов равны «лог. 0», и «лог. 1», когда на всех входах присутствует «лог. 1»; во всех остальных случаях устройство сохраняет свое выходное состояние (*), см. также таблицу истинности, Рисунок 1. С-элементы Мюллера были впервые использованы в суперкомпьютере ILLIAC II, созданном в Иллинойсском университете в 1962 г.
На Рисунке 1в приведен упрощенный вариант C-элемента.
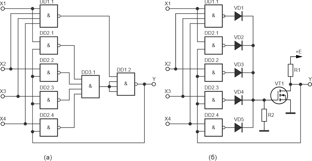
На Рисунках 2 и 3 приведены электрические схемы трех- и четырехвходовых логических элементов с памятью состояния [2], созданных на основе схемотехнических решений, показанных на Рисунке 1. Логические элементы, приведенные на Рисунках 2а и 2б, выполнены на основе элементов NAND и NOR, соответственно; а на Рисунке 2в – AND и OR.
![]() |
|
| Рисунок 2. | Трехвходовые логические элементы с памятью состояния на основе элементов: а) и б) NAND и NOR, соответственно; в) AND и OR, а также их таблица истинности. |
Четырехвходовые логические элементы выполнены на элементах AND и NAND, Рисунок 3а, а также элементах NAND, диодном сумматоре VD1–VD5, а также выходном каскаде на MOSFET VT1, Рисунок 3б.
![]() |
|
| Рисунок 3. | Четырехвходовые логические элементы с памятью состояния на основе: а) элементов NAND и AND; б) комбинированной логики. |
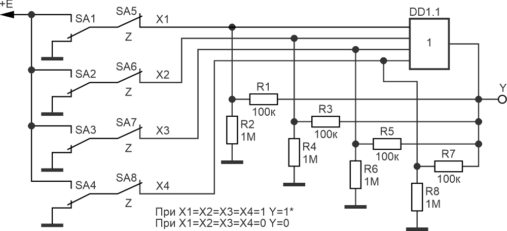
Многовходовый логический элемент с памятью состояния (на Рисунке 4 приведен четырехвходовый элемент) существенно отличается от предыдущих тем, что управляется тремя уровнями входных сигналов: «лог. 1», «лог. 0» и «Z» (отключено). При подаче на любой/любые из входов (кроме всех одновременно) уровня «лог. 1» при замкнутых ключах SA5–SA8 на выходе устанавливается «лог. 1», но не запоминается. Однако уровень «лог. 1» «запоминается», если, например, вначале замкнуть ключ SA1, а затем разомкнуть ключ SA5.
![]() |
|
| Рисунок 4. | Многовходовый логический элемент с памятью состояния, управляемый входными сигналами: «лог. 1», «лог. 0» и «Z» (отключено). |
При одновременном поступлении на все входы «лог. 1» на выходе элемента «запомнится» уровень «лог. 1», который можно сбросить, подав на все входы уровень «лог. 0».
Литература
- Muller D.E. Theory of asynchronous circuits. Internal Report no. 66, Digital Computer Laboratory, University of Illinois at Urbana-Champaign, December 6, 1955. 15 p.
- Шустов М.А. Логические элементы с памятью состояния. РадиоЛоцман. 2021. № 11–12. С. 126–129.










