Новости
Статьи
Библио
Схемы
Datasheets
Сайты
Приборы
Цены
Форум
Еще
Новости
Статьи
Библио
Datasheets
Сайты
Приборы
Подписка на обновления
Журнал «РадиоЛоцман»
Авторы
Datasheet.ru
Объявления
О РадиоЛоцмане
Авторам
Вакансии
Сотрудничество
Реклама
Контакты
en - English
Поиск
Подразделы
Проф. элек-ка
Arduino
Авто
Автозвук
Автоматика
Аналог. схемы
Аудио
Безопасность
Беспроводные
Бытовая
Ветроэнер-ка
Видео
Видеокамеры
Вред.рецепты
Высоковольт.
Генераторы
ИИ
Игры
Измерения
Инстр. и тех.
Интерфейсы
История электроники
Квантовые компьютеры
Компьютеры и
Лазер
Медицина
Мониторы
Музыка
Начинающим
Обработка сигналов, фильтры
Перс.технолог
Печат.платы
Питание
Платформы
Применение МК
Р/у модели
Радио
Радиолокация
Ретро
Робототехника
САПР и ПО
Светотехника
Сети
Силовая эл-ка
Солнечная эн.
Сотовая связь
Спутник.обор.
ТВ
Телефон
Теория
Ук.применению
Усилители
Фотоника
Цифровые
Эл. компон-ты
АЦП, ЦАП
Беспроводные
Датчики
Дискретные
Драйверы
Интерфейсы
Конденсаторы
Логика
МК
МЭМС
Оптоэлектроника
Память
Пассивные комп-ты
Питание
Преоб. данных
Прогр. логика
Процессоры
РЧ компоненты
Резисторы
Реле
Соед., разъемы
Сотовая связь
Технологии
Усилители
Потреб. тех-ка
Аудиотехника
Видеотехника
Климат. тех-ка
Компьютеры ..
Кухонная тех-ка
Оргтехника
Связь
Техн. будущего
Товары для дома
Фототехника
Производители
Статьи
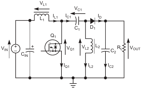
SEPIC - это топология …
SEPIC - это топология DC/DC преобразователя, которая позволяет выходному напряжению быть больше, меньше или равным входному напряжению
Авторы
Ramesh Khanna, Frank Edrada
Основной документ
Статья «
Солнечная панель питает двухкаскадное зарядное устройство для свинцово-кислотных аккумуляторов
»
Описание
Рисунок 4
Формат / Размер файла
PDF
/
11 Кб
Язык документа
русский
Скачать PDF
Другие материалы из основного документа
Статья «
Солнечная панель питает двухкаскадное зарядное устройство для свинцово-кислотных аккумуляторов
»
Рисунок 1. Выходной ток солнечного элемента падает с уменьшением количества солнечного света
Рисунок 2. Выходное напряжение солнечного элемента уменьшается с повышением температуры
Рисунок 3. В зарядном устройстве в качестве входного источника используется 18-элементная 3-ваттная солнечная панель. Система состоит из двух каскадов, первый из которых контролирует напряжение солнечной панели и вырабатывает напряжение, которое отслеживает изменени
Рисунок 4. SEPIC - это топология DC/DC преобразователя, которая позволяет выходному напряжению быть больше, меньше или равным входному напряжению
Рисунок 5. Замена дросселя L
2
на Рисунке 4 дает изолированную топологию SEPIC
Рисунок 6. Для увеличения времени запуска, гарантирующего, что солнечная панель не перегрузится во время включения, в конструкцию включена внешняя схема мягкого запуска
Рисунок 7. Изменение сопротивления R
B
регулирует уставку напряжения преобразователя SEPIC для соответствия различным напряжениям солнечных панелей. Параметры резистивного делителя R
T
/R
B
можно подобрать так, чтобы они соответствовали
Рисунок 8. Второй каскад включает преобразователь SEPIC, работающий в режиме повышения напряжения со стабилизацией зарядного тока 12-вольтового аккумулятора
Рисунок 9. Делитель R
BR
/R
TR
, подключенный к микросхеме LM4041 в первом каскаде, воспринимает выходное напряжение солнечной панели и инициирует режим перезапуска, отключая второй каскад схемы путем подтягивания к земле вывода разрешения LM5001
Рисунок 10. Нормальная рабочая температура зарядного устройства составляет 60 °C
Рисунок 11. КПД быстро снижается, когда входное напряжение от солнечной панели падает ниже 6.5 В
Хотите получать уведомления о выходе новых материалов на сайте?
Подпишитесь на рассылку!
Срезы
Измерения
Микроконтроллеры
Силовая Электроника
Электронные компоненты
Ремонт техники
Подписка на обновления
Журнал «РадиоЛоцман»
Реклама
Размещение прайс листов
Контакты