Новости
Статьи
Библио
Схемы
Datasheets
Сайты
Приборы
Цены
Форум
Еще
Новости
Статьи
Библио
Datasheets
Сайты
Приборы
Подписка на обновления
Журнал «РадиоЛоцман»
Авторы
Datasheet.ru
Объявления
О РадиоЛоцмане
Авторам
Вакансии
Сотрудничество
Реклама
Контакты
en - English
Поиск
Подразделы
Arduino
Авто
Автозвук
Автоматика
Аналог. схемы
Аудио
Безопасность
Беспроводные
Бытовая
Ветроэнер-ка
Видео
Видеокамеры
Вред.рецепты
Высоковольт.
Генераторы
ИИ
Игры
Измерения
Инстр. и тех.
Интерфейсы
История электроники
Квантовые компьютеры
Компьютеры и
Лазер
Медицина
Мониторы
Музыка
Начинающим
Обработка сигналов, фильтры
Перс.технолог
Печат.платы
Питание
Платформы
Применение МК
Р/у модели
Радио
Радиолокация
Ретро
Робототехника
САПР и ПО
Светотехника
Сети
Силовая эл-ка
Солнечная эн.
Сотовая связь
Спутник.обор.
ТВ
Телефон
Теория
Ук.применению
Усилители
Фотоника
Цифровые
Производители
Схемы
Генератор импульсов на компараторном …
Генератор импульсов на компараторном аналоге S-негатрона с «высоковольтным» входным сигналом
Авторы
Михаил Шустов - Томск
Основной документ
Статья «
Низковольтный регулируемый S-негатрон на компараторе
»
Описание
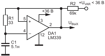
Рисунок 4
Формат / Размер файла
PDF
/
11 Кб
Язык документа
русский
Скачать PDF
Другие материалы из основного документа
Статья «
Низковольтный регулируемый S-негатрон на компараторе
»
Рисунок 1. Генераторы импульсов на основе S-негатронов: а) электрических разрядников; б) газоразрядных источников оптического излучения (неоновых ламп); в) лавинных транзисторов; а также вид: г) ВАХ S-негатронов и д) зависимость выходного сигнала генераторов импульс
Рисунок 2. Генератор импульсов на компараторном аналоге S-негатрона и динамика электрических процессов в нем
Рисунок 3. Генератор импульсов на компараторном аналоге S-негатрона с низковольтным входным сигналом
Рисунок 4. Генератор импульсов на компараторном аналоге S-негатрона с «высоковольтным» входным сигналом
Рисунок 5. Зависимость частоты генерации генератора импульсов на компараторном аналоге S-негатрона, Рисунок 4, от величины подаваемого на вход +U
VAR
сигнала
Хотите получать уведомления о выходе новых материалов на сайте?
Подпишитесь на рассылку!
Срезы
Измерения
Микроконтроллеры
Силовая Электроника
Электронные компоненты
Ремонт техники
Подписка на обновления
Журнал «РадиоЛоцман»
Реклама
Размещение прайс листов
Контакты