AC-DC и DC-DC преобразователи напряжения Top Power на складе ЭЛТЕХ

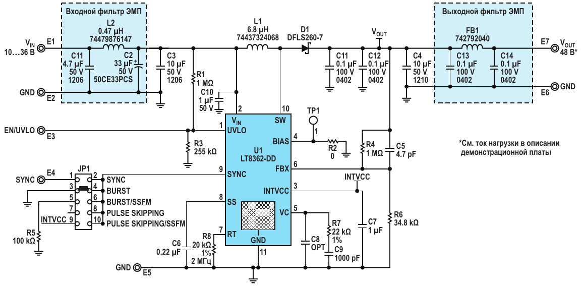
Эта схема демонстрационной платы DC2628 является основой для схемы фантомного питания

АвторыThomas Mosteller, Christopher Jarboe
Основной документСтатья «В сверхмалошумящем источнике фантомного питания микрофона используется миниатюрный DC/DC преобразователь и «хитрость» с конденсатором»
ОписаниеРисунок 1
Формат / Размер файлаPDF / 30 Кб
Язык документарусский

Эта схема демонстрационной платы DC2628 является основой для схемы фантомного питания

AC-DC источники питания Mean Well на DIN рейку

Другие материалы из основного документа

ТМ Электроникс. Электронные компоненты и приборы. Скидки, кэшбэк и бесплатная доставка