Контрактное производство электроники. Полный цикл работ

Светодинамическое устройство «бегущая волна». Часть 2 - Принципиальная схема и конструкция

Окончание

Начало читайте здесь:

Часть 1 – Общие сведения 

АЦП азиатских производителей. Часть 3. Многоканальные АЦП с синхронной выборкой

Одинец Александр Леонидович, г. Минск, Беларусь

E-mail: A_Odinets@tut.by

Схема электрическая принципиальная

Светодинамическое устройство (Рис.2) состоит из основной платы контроллера и двух плат удаленных регистров, которые подключаются к основной плате с помощью трех линий последовательного интерфейса. Общий проводник (на схеме не показан) также входит в состав соединительной линии и выполняется многожильным проводом сечением не менее 1 мм2. Соединительная линия заканчивается 9-контактной вилкой типа DB-9. На печатной плате установлен ответный разъем XN1 (на схеме также не показан).


Кликните для увеличения
Рисунок. 2. Схема электрическая принципиальная

Основная плата контроллера содержит: схему сброса в исходное состояние на триггере Шмитта DD1.4 и элементах C3-R6-R7; задающий генератор на элементах DD1.1…DD1.3; схему формирования импульсов синхронизации DD6.1, DD4.2…DD4.4, DD7.1, DD7.2; адресный счетчик DD6.2 выборки мультиплексора DD9 и счетчики DD2.2, DD3.2, DD5.1, DD5.2 адресации ИМС ЭСППЗУ DD8; светодиодную линейку индикации номера страницы памяти (HL1…HL4, зеленого цвета), индикатор возрастания-убывания яркости (HL5, желтого цвета), а также индикатор номера светодинамического эффекта (HL6, красного цвета). Для контроля работоспособности устройства на основной плате установлены регистры DD11, DD12 и светодиодная линейка HL7…HL22. Для трансляции сигналов в качестве драйверов использованы мощные буферные элементы на основе триггеров Шмитта типа КР1554ТЛ2 (74AC14). В качестве ИМС памяти можно использовать не только ЭСППЗУ типа AT28C16, но и РПЗУ типа КР573РФ2(РФ5).

Для разработки управляющей программы использован контроллер с интегрированным программатором, рассмотренный в [2] и [3]. Возможен и альтернативный вариант написания управляющей прошивки с помощью «Виртуального программатора» («Light Effects Dumper»), но, в таком случае, необходимо переназначение адресных линий ИМС ЭСППЗУ (РПЗУ) при ее программировании средствами стандартного программатора. Такую функцию поддерживают все промышленные программаторы профессионального уровня и большинство программаторов среднего уровня. Необходимость переназначения адресных линий при программировании ЭСППЗУ связана с тем, что при разработке программатора, рассмотренного в [2], изначально был выбран другой (обратный) порядок адресных линий для удобства трассировки печатной платы. Для конкретного контроллера [2] переназначение адресных линий на работе никак не отражается, поскольку данные считываются в той же последовательности, в которой и были записаны. При разработке СДУ «бегущая волна» порядок нумерации адресных линий был сохранен, чтобы обеспечить совместимость данного устройства с программатором [2]. Но в таблице приведен вариант прошивки светодинамических эффектов, сформированный с помощью программы «Виртуального программатора» («Light Effects Dumper»), чтобы читатели смогли просмотреть прошивку с помощью программы «Виртуального симулятора» («Light Effects Reader»), доступной по ссылке [3], и лучше ознакомиться с принципами работы устройства и разработки управляющей программы.

Принцип работы

При включении питания интегрирующая цепочка C3-R6 совместно с триггером Шмитта DD1.4 формирует короткий положительный импульс, который обнуляет счетчики DD2.1…DD6.2 (кроме DD3.1, который не используется), и, тем самым, переводит контроллер в исходное состояние. Импульсы задающего генератора DD1.1…DD1.3 с частотой около 130 кГц (точнее 131072 Гц) синхронизируют счетчик DD6.1, а вслед за ним и DD6.2 и остальные адресные счетчики. Забегая вперед, скажем, что одному полному циклу нарастания-спада яркости «бегущей волны» по длительности равному две секунды соответствует частота задающего генератора именно 131072 Гц. Это значение получается исходя из частоты обновления данных в выходных регистрах равной 128 Гц, что намного превосходит эргономичное значение 85 Гц. Такая частота обновления данных необходима, чтобы исключить мерцание световых элементов и создать иллюзию плавного изменения яркости.


Кликните для увеличения
Рисунок. 3. Временная диаграмма работы устройства

Временная диаграмма формирования импульсов синхронизации показана на Рис.3. Из нее видно, что на каждый импульс синхронизации выходных регистров («Clk2»), формирующийся на выходе элемента DD7.2 (вывод 6), приходится 16 импульсов синхронизации буферных регистров («Clk1»), входящих в состав ИМС 74AC595. Причем, положительный перепад синхроимпульса («Clk1»), формирующийся на выходе элемента DD4.3 (вывод 6), приходится на середину знакоместа передачи бита данных. Синхронизация буферного регистра в моменты, приходящиеся на середину знакоместа, как установлено опытным путем, по результатам испытаний базовой версии контроллера [1], соответствует максимальной помехоустойчивости при работе на несогласованные линии большой длины. При этом в применении интеграторов на входах удаленных регистров нет необходимости.

Первый же отрицательный импульс, считая с момента включения питания, формирующийся на выходе элемента DD4.3 (вывод 6), своим задним фронтом (положительным перепадом) производит запись бита данных, считанного из первой ячейки ЭСППЗУ по нулевому (0000h) адресу, в первые триггеры буферных регистров, входящие в состав ИМС DD11 и DD14 с одновременным сдвигом информации в направлении возрастания разрядов. Содержимое выходных регистров, входящих в состав ИМС DD11, DD12, DD14, DD16 при этом не изменяется, и светодиодные линейки отображают текущую светодинамическую комбинацию. Как отмечено выше, длина слова ШИМ-последовательности составляет 16 бит, поэтому для отображения одного уровня (градации) яркости на линейке из 16-ти светодиодов необходимо передать в регистры пакет данных из 16 × 16 = 256 бит информации, что условно соответствует одной странице адресного пространства ЭСППЗУ. Таким образом, полный цикл возрастания-убывания яркости занимает 32 страницы адресного пространства или 8К, из которых первые 16 страниц (4К) – это полуцикл возрастания яркости, а вторая половина, также 16 страниц (также объемом 4К) – это полуцикл убывания яркости, считая относительно первого канала.

Отрицательный перепад каждого положительного импульса с выхода 2 (вывод 4) счетчика DD6.1 увеличивает состояние счетчика DD6.2 на единицу, и, следовательно, подключает к выходу мультиплексора DD9 его десятичный вход, соответствующий двоичному эквиваленту кода, который, в свою очередь, подключен к выходу соответствующего разряда данных ИМС ЭСППЗУ DD8. После записи 16 бит данных в буферные регистры ИМС DD11, DD12, DD14, DD16 задним фронтом (положительным перепадом) отрицательного импульса, формирующегося на выходе элемента DD7.2, производится перезапись содержимого буферных регистров ИМС DD11, DD12, DD14, DD16 в их соответствующие выходные регистры. На светодиодных линейках HL7…HL22 и HL23…HL38 при этом фиксируется новая комбинация. Но суммарному (интегральному) значению яркости соответствует именно шестнадцать 16-битных пакетов, т.е. 16 × 16 = 256 бит данных, переданных в регистры по линиям последовательного интерфейса, как отмечено выше.

Изменение уровней (градаций) яркости индицирует линейка светодиодов HL1…HL4, отображающая в двоичном коде состояния счетчика DD3.2. Как видно из схемы электрической (Рис.2), счетные импульсы на вход DD3.2 приходят с выхода DD2.2 после деления на восемь с помощью счетчика DD2.1. Такое деление частоты выходных импульсов DD2.2 необходимо для более медленного нарастания яркости, чем можно было бы получить без деления частоты с помощью счетчика DD2.1.

Счетчики DD3.2 и DD5.1 адресуют первую половину пространства ИМС ЭСППЗУ DD8 в нулевом состоянии счетчика DD5.2 и вторую половину адресного пространства ИМС ЭСППЗУ DD8 в единичном состоянии данного счетчика. Режим выбора световых эффектов – ручной или автоматический – устанавливается переключателем SA1. В показанном на схеме положении происходит автоматическое чередование эффектов после четырех повторений. Это достигается благодаря подаче счетных импульсов с выхода третьего разряда DD5.1 (вывод 5) на вход счетчика DD5.2. В нижнем, по схеме, положении переключателя SA1 короткие положительные импульсы на вход счетчика DD5.2 поступают при нажатии кнопки SB1. Состояния счетчиков DD5.1 и DD5.2 индицируют, соответственно, желтый (HL5) и красный (HL6) светодиоды.

Конструкция и детали


Кликните для увеличения 
Рисунок. 4. Топология печатной платы

 
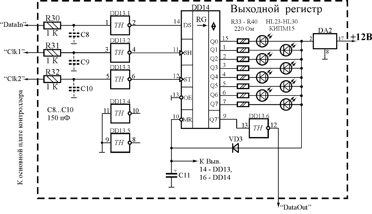
Рисунок. 5. Схема электрическая принципиальная выходного регистра

 
Рисунок. 6. Топология печатной платы выходного регистра

Основной контроллер собран на печатной плате из двухстороннего стеклотекстолита размерами 140 × 90 мм и толщиной 1.5 мм (Рис. 4), а выходные регистры (Рис.5) – 90 × 30 мм (Рис. 6). В устройстве применены постоянные резисторы типа МЛТ-0,125, подстроечный – СП3-38б, конденсаторы неполярные (С1…С3, С8…С10, С12…С14) типа К10-17, оксидные (С4…С7, С11, С15) – К50-35 или импортные. На основной плате контроллера установлены сверхъяркие светодиоды диаметром 3 мм (HL1…HL6) и диаметром 5 мм (HL7…HL22), а в удаленной гирлянде – сверхъяркие четырех цветов КИПМ-15 диаметром 10 мм, размещенные в чередующейся последовательности. Учитывая различие в падении напряжения на прямо смещенных светодиодах (для красного и желтого это значение составляет 2.1 В, а для синего и зеленого – 3.0 В), необходимо последовательно со светодиодами включать соответствующие ограничительные резисторы: 220 и 150 Ом. Для управления мощной нагрузкой выходные регистры нужно дополнить транзисторными или симисторными ключами. Возможно применение непосредственно на месте ЭСППЗУ типа AT28C16-15PI микросхемы памяти типа РПЗУ типа КР573РФ2 или КР573РФ5 без изменения рисунка печатной платы. Счетчики типа КР1564ИЕ23 (74HC4520N) можно заменить К561ИЕ10 (CD4520AN), кроме ИМС DD3, DD5, к выходам которых подключены индикаторные светодиоды. Мультиплексор DD9 типа КР1564КП7 (74HC151) заменим КР1564КП15 (74HC251). Соединительная линия при длине до 10 м выполняется жгутом из 4 многожильных проводников сечением 0.35 мм2 (для сигнальных линий) и 1 мм2 («общий» провод) в изоляции, а при длине от 10 до 100 м сигнальные линии необходимо выполнить отдельными витыми парами, а на платах выходных регистров установить интегрирующие конденсаторы, емкостью не более 150 пФ.

Подготовка к работе устройства собранного из исправных деталей и без ошибок заключается в записи прошивки в ИМС ЭСППЗУ (РПЗУ) средствами стандартного программатора. При этом необходимо программно переназначить порядок адресных линий ИМС ЭСППЗУ, выбрав в программе соответствующую опцию. Прежде чем запрограммировать микросхему ЭСППЗУ, текстовый файл программы (см. таблицу) необходимо конвертировать в двоичный формат с помощью одной из бесплатно распространяемых программ-конверторов, к примеру, [4]. Выбрать желаемую скорость воспроизведения светодинамических эффектов можно с помощью подстроечного резистора R3 на основной плате контроллера.

Литература и ссылки на ресурсы Интернет

  1. Одинец А. Л. «Программируемое 16-канальное СДУ и виртуальный симулятор» – «Электрик», 2008 г., №4, с. 72-75, №5, с. 76-79.
  2. https://www.rlocman.ru/shem/schematics.html?di=4791 – Одинец А. Л. «Автономное 32-канальное программируемое светодинамическое устройство с последовательным интерфейсом.» – «Электрик», 2008 г., №11-12, с.76-79., 2009 г., №1-2, с.44-48.
  3. http://www.dynamic-lights.narod.ru/LightEffectsReader.rar
  4. http://www.winhex.com
ТМ Электроникс. Электронные компоненты и приборы. Скидки, кэшбэк и бесплатная доставка
Для комментирования материалов с сайта и получения полного доступа к нашему форуму Вам необходимо зарегистрироваться.
Имя