Журнал Радиоежегодник. Выпуск 22
Сергей Скворцов
Киповцы и наладчики, имеющие дело с датчиками давления типа «Метран», «Сапфир» и др., знают о двух удобных клеммах «+ ТЕСТ –» на этих приборах. К ним, не разрывая токовой цепи, можно подключить миллиамперметр для измерения тока. В полевых условиях для этого, как правило, используют цифровой мультиметр серии 8хх на пределе 20 мА. Хотелось бы и наш задатчик оснастить такими удобными клеммами. Под ними «скрывается» обычный диод серии КД521А (50 мА, 75 В), включенный последовательно в прямом направлении с выходным током датчика. Так как сам датчик является генератором стабильного тока, то наличие диода в токовой цепи никак на его величину не влияет. При подключении к клеммам «+ ТЕСТ –» миллиамперметра, диод шунтируется его низким входным сопротивлением, и выходной ток датчика уже протекает по измерительной цепи мультиметра.
Из личного опыта ремонта могу утверждать, что разработчики датчиков давления «Метран» и «Сапфир» несколько ошиблись с выбором типа диода: часто они выходят из строя, как правило, по причине пробоя. Поэтому для своего задатчика мы выберем диод «покрепче» – 1N4007 (1 А, 1000 В).
Проверим корректность нашего решения в TINA-TI.
![]() |
| Рисунок 12. |
Здесь:
источник тока IS1 имитирует наш задатчик тока; для модели установим диапазон его изменения 0 … 40 мА;
диод D1 1N4007 подключен к клеммам «+ ТЕСТ –»;
идеальный амперметр АМ1 с Rвх.шунта 20 Ом имитирует мультиметр на измерительном пределе 20 мА; его «показания» мы и выводим на график.
Сопротивление Rвх.шунта выбрано равным 20 Ом не случайно. Оно характерно (обычно 10…17 Ом) для большинства мультиметров серии 8хх на измерительном пределе 20 мА. Из графика на Рисунке 12 видно, что наблюдается хорошая линейность показаний АМ1 вплоть до тока 20 мА. Только при токе 30 мА погрешность становится недопустимой. Но это не должно нас успокаивать: запас явно мал, и при неблагоприятном совпадении параметров мы и на 20 мА можем получить недопустимую погрешность.
Решение простое: последовательно с диодом D1 устанавливаем диод D2 и вновь запускаем:
Анализ -> Анализ постоянного тока -> Переходные характеристики постоянного тока…
![]() |
| Рисунок 13. |
Положительный результат очевиден. Погрешность вплоть до 40 мА очень незначительная.
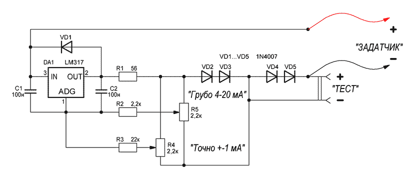
Теперь пора изобразить полную схему разработанного нами задатчика тока 4…20 мА.
![]() |
|
| Рисунок 14. | Задатчик тока 4…20 мА. Схема электрическая принципиальная. |
Здесь диод VD1 выполняет защитную роль, конденсаторы С1 и С2 служат для предотвращения самовозбужения схемы. Назначение остальных элементов мы подробно рассмотрели выше.
Отмечу важную особенность схемы: она представляет собой двухполюсник, выполняющий функции регулируемого стабилизатора постоянного тока. Причем отдельного источника питания для нее не требуется, и устройство с соблюдением полярности может быть включено в любой участок токовой цепи. На практике его обычно включают вместо датчика технологического параметра (см. Рисунок 2).
Особых требований к монтажу устройства нет. Удобно, например, большую часть элементов разместить на макетной плате или небольшом кусочке фольгированного стеклотекстолита с прорезанными монтажными площадками как показано на рисунке:
![]() |
| Рисунок 15. |
Здесь представлен вариант задатчика, в котором потенциометр R4 («ТОЧНО ±1 мА») не установлен. Соответственно, резисторы R2 и R3 из схемы исключаются также. Керамические конденсаторы С1 и С2 условно не показаны, они монтируются по месту. Микросхема LM317 обязательно должна быть снабжена небольшим (7…8 см2) теплоотводом. При длительной работе на максимальном токе она может ощутимо нагреваться. Это обстоятельство необходимо учесть при выборе подходящего корпуса для устройства. С прогревом также наблюдается небольшой (до 20 мкА) дрейф тока задатчика.
Очень хорошие отзывы получил вариант размещения задатчика в корпусе б/у стрелочного мультиметра ЭК2340-2. Вместо переключателя пределов был установлен потенциометр «ГРУБО 4-20 мА», переменный резистор «Уст. 0» стал выполнять роль «ТОЧНО ±1 мА», измерительная головка с шунтом на 25 мА включена в токовую цепь задатчика, а шкала стрелочного индикатора была заменена на такую:
![]() |
| Рисунок 16. |
Заканчивая описание разработанного задатчика, предлагаю ознакомиться с недавними интернет-публикациями [5, 6] и сделать свои собственные выводы о предложенных схемных и конструктивных решениях.
Как уже упоминалось выше, верхний предел регулирования тока Iмакс. задается резистором R1. Он рассчитывается по простой формуле из [3]: R1 (Ом) = 1.25 (В) / Iмакс. (А). Поэтому, изменив в схеме задатчика номинал всего лишь одного резистора, можно получить удобный лабораторный источник стабильного тока. Он будет существенно превосходить по простоте настройки конструкции-прототипы [7, 8] и не уступит им в удобстве пользования.
Для наглядности приведу только схемы этих устройств:
![]() |
|
| Рисунок 17. | Схема лабораторного источника стабильного тока из [7]. |
![]() |
|
| Рисунок 18. | Этот программируемый источник тока использует двоично-десятичные переключатели для установки тока ограничения [8]. |
Использованная литература и ссылки:
- Интерфейс "токовая петля". http://www.bookasutp.ru/Chapter2_4.aspx
- Унифицированные сигналы. Методичка КонтрАвт. http://www.metodichka-contravt.ru/?id=3923
- LM317-D. Three-Terminal Adjustable Output Positive Voltage Regulator. Motorola, Inc. 1996, p. 8
- Схема генератора (задатчика) тока 4-20 мА. http://electro-hobby.ucoz.ru/load/1-1-0-14
- shadowlamer. Задатчик тока 4-20 мА. http://radiokot.ru/circuit/analog/measure/15/
- Алексей Горшенин. Имитирование сигнала 4-20 мА или история создания эксклюзивного прибора. http://kot23rus.wordpress.com/2011/03/
- В. Никулин. Лабораторный источник стабильного тока. Радиомир, 2013, № 1, с. 23-25
- John Guy. Programmable current source requires no power supply. EDN Europe, 01 Jul 2008. http://www.edn.com/design/power-management/4325377/Programmable-current-source-requires-no-power-supply
Загрузки:













