Михаил Шустов, г. Томск
Приведены схемы электронных устройств, позволяющих утроить частоту входного цифрового сигнала
Как известно, в мире цифровых технологий не представляет больших проблем задача деления частоты цифрового сигнала в целое (2, 3, 4 …) число раз. Не так сложно и умножить частоту в 2, 4, 8 … раза. Известны даже умножители частоты в дробное число раз, например, в 4/3 раза (умножить на 4 и поделить на 3) [1, 2]. Намного сложнее обеспечить умножение частоты ровно в 3 раза.
Ниже приведено несколько схемотехнических решений, решающих эту проблему.
Работа рассмотренных ниже утроителей частоты цифровых сигналов основана на использовании элементов задержки и последующего логического суммирования входных и задержанных сигналов на элементах цифровой логики. В качестве элементов задержки используются RC-цепочки, а также сами логические элементы.
![]() |
||
| Рисунок 1. | Утроитель частоты для диапазона 1…10 кГц. | |
На Рисунке 1 приведена схема утроителя частоты, выполненная на КМОП-микросхемах CD40106 (КР1561ТЛ2) и CD4070 (К561ЛП2). Скважность входных сигналов равна двум. Устройство работает в диапазоне частот входных сигналов от 1 до 10 кГц. Вне пределов этого диапазона выходные импульсы сливаются. Для работы устройства в иной области частот необходим пересчет номиналов элемента задержки – RC-цепочки. Форма сигналов на выходе утроителя частоты приведена на Рисунке 2.
![]() |
||
| Рисунок 2. | Форма сигналов на выходе утроителя частоты для двух ее значений. |
|
Как следует из Рисунка 2, задача получения на выходе устройства утроенной частоты формально выполняется, однако выходные импульсы распределены во времени неравномерно и ширина их неодинакова. Равномерность распределения этих импульсов во времени, а также равную их ширину можно при необходимости обеспечить лишь для одной фиксированной частоты.
На Рисунке 3 показан следующий вариант утроителя частоты на КМОП-микросхемах CD4001 (К561ЛЕ5) и CD4077. В этом утроителе использованы два внешних элемента задержки – цепи R1C1 и R2C2. Устройство работает в диапазоне частот входных сигналов от 0.1 до 10 кГц.
![]() |
||
| Рисунок 3. | Утроитель частоты для диапазона 0.1…10 кГц. | |
Рисунок 4 иллюстрирует утроитель для частот 1…100 кГц, выполненный на ТТЛ-микросхемах SN74LS02 (К555ЛЕ1) и SN74LS86 (К555ЛП5).
![]() |
||
| Рисунок 4. | Утроитель частоты для диапазона 1…100 кГц. | |
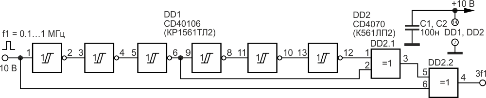
Как уже отмечалось ранее, в качестве элементов задержки можно использовать сами логические элементы. Проблема лишь в том, что современные логические элементы отличаются крайне малыми временами задержек. В этой связи для того, чтобы получить приемлемые значения этих времен, приходится использовать последовательно включенные цепочки таких элементов. Утроитель частоты, Рисунок 5, выполненный на микросхемах CD40106 (КР1561ТЛ2) и CD4070 (К561ЛП2), способен работать в диапазоне частот от 0.1 до 1 МГц. Расширить этот диапазон в сторону более низких частот возможно за счет наращивания числа элементов задержки.
![]() |
||
| Рисунок 5. | Утроитель частоты для диапазона 0.1…1 МГц. | |
Следует особо заметить, что времена задержки при прохождении сигнала через логический элемент зависят от разновидности микросхемы, напряжения питания, температуры.
Литература
- Шустов М.А. Цифровая схемотехника. Основы построения. – СПб.: Наука и Техника, 2018. – 320 с.
- Шустов М.А. Цифровая схемотехника. Практика применения. – СПб.: Наука и Техника, 2018. – 432 с.








Купить CD4001B на РадиоЛоцман.Цены


