Приведены схемы низкочастотных цифровых фазовращателей регулируемой частоты на основе микросхемы 222, позволяющие с использованием минимального количества навесных элементов получать регулируемый сдвиг одного выходного сигнала микросхемы относительно другого от 0 до 72° или от 0 до 144°.
Низкочастотный фазовращатель регулируемой частоты, Рисунок 1, выполнен на основе микросхемы DA1 222*), описанной в предшествующих публикациях [1, 2]. Генератор прямоугольных импульсов работает в диапазоне частот от 50 Гц до 1 кГц. Частота генерации регулируется потенциометром R1 и, при необходимости, переключается заменой ёмкости конденсатора C1. Сигнал с выхода А микросхемы DA1 222 (вывод 1) через регулируемую RC-цепочку R3, C2 подается на вход управления (вывод 5). С выходов генератора A и B снимаются сигналы прямоугольной формы регулируемой частоты. При регулировке потенциометра R3 сигнал на выходе В можно смещать по фазе относительно сигнала с выхода A от 0 до 72°.
|  | |
| Рисунок 1. | Регулируемый фазовращатель цифровых сигналов на микросхеме 222. | 
На Рисунке 2 показана возможность получения фазового сдвига сигналов прямоугольной формы при их подаче от внешнего источника на вход микросхемы DA1 222 (вывод 2). Сдвиг фазы также регулируется потенциометром R2 в пределах от 0 до 72°. При изменении частоты входного сигнала необходима подстройка потенциометра R1.
|  | |
| Рисунок 2. | Регулируемые фазовращатели цифровых сигналов на микросхеме 222 с внешними источниками сигналов. | 
На Рисунке 3 показана более сложная схема фазовращателя, работающая при варьируемой частоте входных сигналов от 100 до 300 Гц. В устройстве использована микросхема DA1 222, а также дополнительные удвоители и делители частот выходных сигналов, снимаемых с выходов микросхемы DA1 (выводы 1 и 4). Широкодиапазонные удвоители частоты выполнены на элементах «2ИЛИ» DD1.1 и DD1.2, а также DD1.3 и DD1.4 микросхемы CD4071. Сигналы с удвоителей частоты поступают на делители частоты на D-триггерах DD2.1 и DD2.1 микросхемы CD4013, которые одновременно формируют импульсы прямоугольной формы с коэффициентом заполнения 50%.
|  | |
| Рисунок 3. | Регулируемый фазовращатель цифровых сигналов на микросхемах 222, CD4071 и CD4013. | 
Данное устройство работает при коррекции номиналов частотозадающих элементов C1, R1+R2 как минимум в пределах до 200 кГц и позволяет плавно сдвигать сигналы по фазе от 0 до 144° на одном из его выходов относительно другого.
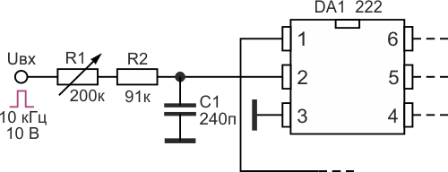
На Рисунке 4 показан вариант подключения внешнего источника сигнала к входу микросхемы DA1 222. Потенциометр R1 предназначен для подстройки параметров входной RC-цепи при изменении частоты входного сигнала.
|  | |
| Рисунок 4. | Регулируемый фазовращатель цифровых сигналов на микросхемах 222, CD4071 и CD4013 с внешним источником сигналов (входной узел). | 
*) Микросхема 222 – это предложенная М.А. Шустовым более простая альтернатива таймеру 555, оптимизированная для генерации сигналов ШИМ [1]. Производство микросхемы не начиналось. (Ред.)
Литература
- Шустов М.А. Микросхема 222 – альтернатива 555. ШИМ-генератор с независимой регулировкой частоты
- Шустов М.А. Цифровая схемотехника от азов до создания практических устройств. СПб.: Наука и Техника, 2024. 560 с.






