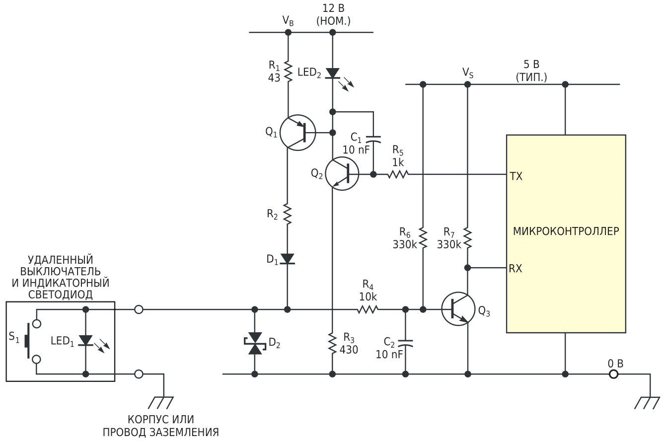
В автомобильной промышленности, где электропроводку автомобилей стремятся сделать максимально простой и легкой, любой интерфейс, в котором используется только один провод вместо двух, имеет явное преимущество. Схема на Рисунке 1 реализует двунаправленный обмен по одному проводу, а канал возврата обратного тока обеспечивается кузовом или земляным проводом автомобиля. Микроконтроллер общается с водителем автомобиля посредством зажигания светодиода LED1. Водитель обменивается данными с помощью кнопки S1. Обнаружение замыкания кнопки не требует измерения тока. В схеме просто использует тот факт, что прямое падение напряжения на правильно включенном светодиоде обычно в два или три раза превышает напряжение база-эмиттер биполярного транзистора. Элементы Q1, LED2 и Q2 образуют полупрецизионный источник тока. Замыкание кнопки обнаруживается транзистором Q3 в приемном тракте. При появлении высокого уровня на выводе TX микроконтроллера транзистор Q2 зажигает светодиод LED2 и открывает транзистор Q1. Транзистор Q1 выдает постоянный ток в светодиод LED1 через резистор R2 и диод D1.
![]() |
|
| Рисунок 1. | Эта схема реализует двунаправленную линию связи с использованием одного провода и канала возврата тока. |
Светодиод LED2 является недорогим, но эффективным источником опорного напряжения, поддерживающим постоянное напряжение на токозадающем резисторе R1. Если сопротивление резистора R3 выбрано в соответствии с требуемым базовым током транзистора Q2, значения тока светодиода LED2 и напряжения на нем могут быть установлены достаточно точными и постоянными. Например, при R3 = 430 Ом ток светодиода LED2 составляет примерно 10 мА при напряжении 5 В на базе транзистора Q2 (высокий уровень на выводе TX). Если в качестве LED2, используется такое устройство, как HLMP-1000, его прямое напряжение остается постоянным и составляет порядка 1.6 В, поддерживая примерно 0.9 В на резисторе R1. Результирующий ток 20 мА или около того, протекающий через транзистор Q1, обеспечивает достаточную яркость свечения светодиода LED1 и остается приемлемо постоянным при изменении напряжения VB или температуры.
Пока кнопка S1 разомкнута, транзистор Q3 остается в открытом состоянии за счет подтягивающего резистора R6, поддерживая низкий уровень на выводе приемника RX. Уровень на выводе RX остается низким, независимо от того, включен ли светодиод LED1. Когда кнопка замыкается, значения сопротивлений резисторов R4 и R6 гарантируют, что напряжение базы транзистора Q3 понизится примерно до 150 мВ (при VS = 5 В), и транзистор Q3 закроется, позволяя установиться высокому уровню на выводе RX. Пока кнопка остается замкнутой, уровень напряжения на выводе RX остается высоким, независимо от состояния вывода TX. Питание источника тока непосредственно от напряжения аккумуляторной батареи автомобиля VB, а не от напряжения питания микроконтроллера, не только снимает нагрузку с низковольтного регулятора, но и обеспечивает правильное смещение светодиода LED1, даже при очень низком значении VS. Таким образом, при правильно выбранных номиналах резисторов R3, R4 и R6, схема может работать при напряжении VS всего 3 В, или даже ниже. Еще одно преимущество схемы заключается в том, что светодиод LED1 можно заменить несколькими светодиодами, соединенными последовательно. При VB = 12 В источник тока способен управлять четырьмя или пятью светодиодами.
Резистор R2 является несущественный компонентом, но он снижает рассеяние энергии транзистором Q1. Диод D1 обеспечивает защиту источника тока от положительного перенапряжения, а супрессор D2 может защитить от опасных бросков напряжения, часто возникающих в автомобильных системах. Элементы C2 и R4 обеспечивают определенную фильтрацию помех и практически не оказывают влияния на переключение транзистора Q3. Элементы C1 и R5 могут понадобиться для коррекции частотной характеристики транзистора Q2, чтобы избежать возможности высокочастотной генерации. Типы транзисторов не имеют решающего значения; подойдет большинство устройств с приличным коэффициентом усиления тока и достаточной номинальной мощностью. Светодиод LED2 выполняет тройную функцию. Помимо того, что он вырабатывает эталонное напряжение для источника тока, он также обеспечивает местную индикацию статуса внешнего светодиода, загораясь синхронно со светодиодом LED1. Кроме того, он обеспечивает индикацию обрыва (обрыва провода), полностью отключаясь (даже при высоком уровне TX) в случае разрыва соединения между D1 и внешним светодиодом, – функция, которая может быть полезна для поиска и устранения неисправностей. В случае обрыва провода через транзистор Q1 течет небольшой коллекторный ток, и его переход база-эмиттер шунтирует LED2; при условии, что сопротивлении резистора R1 намного меньше, чем R3, шунт забирает ток смещения LED2, тем самым выключая его. Хотя схема была разработана для автомобильной продукции, ее можно легко адаптировать для использования в других приложениях, в которых простой пользовательский интерфейс должен работать по одной линии.







