Analog Devices, недавно завершившая сделку по приобретению компании Linear Technology, сообщила о выпуске компактного малошумящего повышающе-понижающего зарядового насоса с интегрированным сторожевым таймером, способного отдавать в нагрузку ток до 500 мА. Работа микросхемы LTC3246 основана на многорежимном преобразовании с использованием переключаемых конденсаторов, позволяющем поддерживать входные напряжения в широком диапазоне от 2.7 В до 38 В и вырабатывать выходные стабилизированные напряжения 3.3 В, 5 В или устанавливаемые внешними резисторами любые напряжения из диапазона 2.5… 5 В.

Внутренняя схема автоматически выбирает коэффициент преобразования 2:1, 1:1 или 1:2, оптимизируя КПД по мере изменения входного напряжения и тока нагрузки. Низкий рабочий ток (20 мкА в режиме стабилизации без нагрузки и 1.5 мкА в режиме останова), низкий уровень электромагнитных излучений и небольшое число внешних компонентов (три керамических конденсатора и ни одной индуктивности) идеально подходят для создания малошумящих и ограниченных в объеме автомобильных приложений, таких, например, как источники питания приемопередатчиков ЭБУ/CAN, равно как и для систем питания промышленных устройств или маломощных эффективных преобразователей 12 В/5 В.
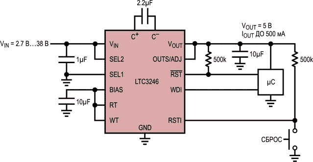
![]() |
| Стабилизатор напряжения 5 В с кнопкой сброса. |
Базирующаяся на переключаемых конденсаторах архитектура LTC3246, благодаря присущей ей мягкости переключения, обеспечивает пониженные уровни излучаемых шумов и помех, сравнимые с излучениями обычных импульсных регуляторов. Временные параметры генератора импульсов сброса и оконного сторожевого таймера могут быть заданы с помощью внешних конденсаторов, подключаемых к выводам RT и WT, или без дополнительных компонентов, соответствующей коммутацией выводов. Точный уровень порога на входе /RST может использоваться для дополнительного контроля напряжения питания или для подключения кнопки сброса. Устойчивость работы преобразователя обеспечивается простыми керамическими конденсаторами. Устройство имеет цепи прогрессирующего ограничения тока во время запуска преобразователя и защиты от короткого замыкания и перегрева.
![]() |
| Зависимость выходного напряжения от входного напряжения. |
LTC3246 выпускается в компактном 16-выводном корпусе MSOP со сниженным тепловым сопротивлением. Приборы групп E и I предназначены для использования в диапазоне рабочих температур перехода от –40 °C до 125 °C, группа H рассчитана на диапазон от –40 °C до 150 °C, а параметры микросхем группы MP гарантируются при температурах перехода от –55 °C до 150 °C. Все устройства имеются на складе. Цены микросхем группы E в партиях из 1000 приборов начинаются от $3.25 за штуку.
![]() |
| Зависимость КПД и потерь мощности от входного напряжения для преобразователя с выходным напряжением 5 В. |
Сводка основных характеристик LTC3246
- Диапазон рабочих напряжений от 2.7 В до 38 В (абс. максимум – 42 В);
- Собственный ток потребления 20 мкА, ток в режиме останова 1.5 мкА;
- Многорежимный повышающе-понижающий зарядовый насос (2:1, 1:1, 1:2) с автоматическим переключением режимов;
- Преобразование 12 В в 5 В с КПД равным 81%;
- Выходной ток до 500 мА;
- Фиксированные выходные напряжения 3.3 В и 5 В, или регулируемое напряжение от 2.5 В до 5 В;
- Ультранизкий уровень электромагнитных излучений;
- Прибор разработан для диагностического покрытия в системах функциональной безопасности транспортных средств стандарта ISO 26262;
- Защита от перегрева и короткого замыкания;
- Максимальная рабочая температура перехода 150 °C;
- Контроллер сброса и сторожевого таймера с внешним управлением параметрами синхронизации;
- 16-выводной корпус MSOP со сниженным тепловым сопротивлением.






Купить LTC3246 на РадиоЛоцман.Цены


