Новости
Статьи
Библио
Схемы
Datasheets
Сайты
Приборы
Цены
Форум
Еще
Новости
Статьи
Библио
Datasheets
Сайты
Приборы
Подписка на обновления
Журнал «РадиоЛоцман»
Авторы
Datasheet.ru
Объявления
О РадиоЛоцмане
Авторам
Вакансии
Сотрудничество
Реклама
Контакты
en - English
Поиск
Подразделы
Arduino
Авто
Автозвук
Автоматика
Аналог. схемы
Аудио
Безопасность
Беспроводные
Бытовая
Ветроэнер-ка
Видео
Видеокамеры
Вред.рецепты
Высоковольт.
Генераторы
ИИ
Игры
Измерения
Инстр. и тех.
Интерфейсы
История электроники
Квантовые компьютеры
Компьютеры и
Лазер
Медицина
Мониторы
Музыка
Начинающим
Обработка сигналов, фильтры
Перс.технолог
Печат.платы
Питание
Платформы
Применение МК
Р/у модели
Радио
Радиолокация
Ретро
Робототехника
САПР и ПО
Светотехника
Сети
Силовая эл-ка
Солнечная эн.
Сотовая связь
Спутник.обор.
ТВ
Телефон
Теория
Ук.применению
Усилители
Фотоника
Цифровые
Производители
Схемы
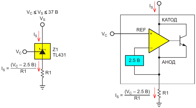
Плавающий анод служит чувствительным …
Плавающий анод служит чувствительным выводом для активного регулирования втекающего тока
Авторы
Stephen Woodward
Основной документ
Статья «
Прецизионный программируемый источник втекающего тока
»
Описание
Рисунок 1
Формат / Размер файла
PDF
/
13 Кб
Язык документа
русский
Скачать PDF
Другие материалы из основного документа
Статья «
Прецизионный программируемый источник втекающего тока
»
Рисунок 1. Плавающий анод служит чувствительным выводом для активного регулирования втекающего тока
Рисунок 2. Бустерный транзистор Q1 может выдерживать ток и напряжение, превышающие максимальные значения, допустимые для микросхемы 431, а делитель напряжения 3.5 В программирует постоянный ток I
S
Рисунок 3. ЦАП управляет током I
S
. Сигнал ЦАП инвертируется, а регулятор Z2 обеспечивает необходимый сдвиг уровня
Рисунок 4. ШИМ-управление током I
S
, который численно равен отношению коэффициента заполнения ШИМ к сопротивлению R1
Рисунок 5. Добавление элементов R5 и C2 обеспечивает более быстрое установление при использовании фильтра пульсаций 2-го порядка
Рисунок 6. Комбинация источника втекающего тока и небольшого источника питания системы, где максимальные значения тока I
S
и напряжения V
S
равны 1 А и 20 В, соответственно, и I
S
= D
Хотите получать уведомления о выходе новых материалов на сайте?
Подпишитесь на рассылку!
Срезы
Измерения
Микроконтроллеры
Силовая Электроника
Электронные компоненты
Ремонт техники
Подписка на обновления
Журнал «РадиоЛоцман»
Реклама
Размещение прайс листов
Контакты