Е. Звонарев
Новости электроники 9, 2007
Вы проектируете системы электропитания? Широкий выбор компонентов для создания высокоэффективных AC/DC- и DC/DC преобразователей производит компания Texas Instruments. В статье дан краткий обзор электронных компонентов Texas Instruments, на основе которых можно разработать источники питания и схемы управления для самых разнообразных приложений. Среди этих компонентов – корректоры коэффициента мощности, аналоговые и цифровые ШИМ-контроллеры, драйверы МОП-транзисторов, импульсные DC/DC-преобразователи, LDO-стабилизаторы.
Корректоры коэффициента мощности
Большинство современных AC/DC-преобразователей средней и большой выходной мощности имеет на входе корректор коэффициента мощности (ККМ) или PFC (Power Factor Correction). Источники питания без ККМ создают мощные импульсные помехи по электросети для параллельно включенных электроприборов. Международная электротехническая комиссия (МЭК) или IEC (International Electrotechnical Commission) и международная организация по стандартизации или ISO (International Organization for Standardization) устанавливают ограничения на содержание и уровни гармоник во входном токе вторичных источников электропитания. Использование электроприборов, не удовлетворяющих стандартам этих организаций, запрещено во многих странах, поэтому разработчики серьезной аппаратуры обязательно должны об этом помнить.
Типовой AC/DC-преобразователь имеет на входе сетевой выпрямитель и сглаживающий конденсатор, являющийся реактивной нагрузкой для диодного моста и питающей сети. Такой ИП потребляет мощность от сети только в то время, когда напряжение, подаваемое с выпрямителя на сглаживающий конденсатор, превышает напряжение на этой емкости. На практике это время составляет примерно 25% от периода сетевого напряжения. В оставшиеся три четверти периода мощность от сети не потребляется, так как нагрузка питается от сглаживающего конденсатора. Это приводит к тому, что мощность подается в нагрузку только на пиках напряжения, а потребляемый ток имеет форму короткого импульса и содержит много мощных гармоник. Корректор коэффициента мощности уменьшает среднеквадратичное значение потребляемого от сети тока и обеспечивает равномерное потребление мощности практически в течение всего периода сетевого напряжения при резком уменьшении гармонических составляющих тока во входной цепи.
В статье также расмотрены следующие вопросы:
- Корректоры коэффициента мощности
- Цифровое управление питанием
- ШИМ-контроллеры источников питания
- Драйверы МОП-транзисторов
- Понижающие DC/DC-преобразователи со встроенным ключом
- Повышающие DC/DC-преобразователи со встроенным ключом
- Безындуктивные DC/DC-преобразователи со встроенным ключом
- LDO- и линейные стабилизаторы Texas Instruments
Читать далее статью в полном обьеме (pdf)

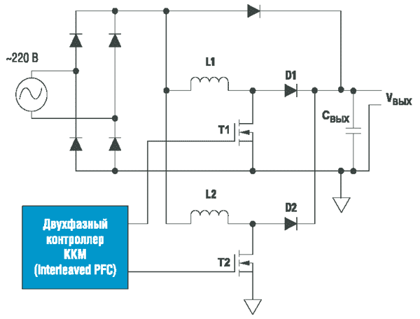
Структура двухфазного ККМ

Мощный выходной буфер TrueDrive






