Кардиограмма - энцефалограмма (теория)
A. C. MettingVanRijn, A. Peper, C. A. Grimbergen..
Academic Medical Center, Medical Physics Department, Meibergdreef 15 1105 AZ Amsterdam, The Netherlands, e-mail: metting@biosemi.com
Перевод выполнен с помощью PROMT. Оригинал статьи Вы можете посмотреть ЗДЕСЬ
Резюме - проект усилителя для bioelectric событий представлен, который имеет меньше частей чем обычные проекты. Проект позволяет конструкцию усилителей с высоким качеством в терминах шумового и общего(обычного) отклонения режима, с уменьшенными измерениями и с более низкой потребляемой мощностью. Выгода(увеличение), полоса пропускания и номер каналов легко приспособлены к широкому диапазону биомедицинских приложений. Прикладной пример дается в форме многоканального усилителя электроэнцефалограммы (выгода(увеличение) - 20 000), в котором каждый канал состоит из 3 эксплуатационных усилителей (1 единственный(отдельный) и 1 двойной), 6 резисторов и 2 конденсаторов. Эквивалентное входное шумовое напряжение и поток были соответственно 0.15 жVrms и 1 pArms в полосе пропускания 0.2 - 40 Гц, в то время как общее(обычное) отношение(коэффициент) отклонения режима 136 децибелов было достигнуто без подстройки.
Ключевые слова - Регистрация bioelectric событий, Контрольно-измерительного усилителя, Шума, отношения(коэффициента) отклонения режима Common, подавления СИСТЕМЫ ЦИФРОВОГО УПРАВЛЕНИЯ, Номер частей
I. Введение
Спецификации, требуемые для усилителя для bioelectric событий: высоко полная выгода(увеличение) (1 000 - 100 000), низкая эквивалентная входная шумовая плотность (<100 неголосующих / Гц с типичными импедансами электрода) (Cooper и другие., 1969; Silverman и другие., 1969), высоко общий(обычный) режим вводит импеданс (> 100 м. в 50 Гц) (Pacela, 1967) и высоком общем(обычном) отношении(коэффициенте) отклонения режима (CMRR) (> 80 децибелов в 50 Гц) (Huhta и Вебстере, 1973). Проект усилителей для bioelectric событий усложнен напряжениями смещения электрода: напряжения ввода СИСТЕМЫ ЦИФРОВОГО УПРАВЛЕНИЯ до 200 милливольтов не должны привести к насыщенности усилителя (Geddes, 1972).
Кроме того, некоторые особенности важны получить практический проект: никакие серьезные требования не должны быть помещены в соответствие резистора, и при этом дополнительная подстройка не должна быть необходима. Наконец, важность низкой емкости между изолированной секцией системы измерения содержание усилителя, и среды (MettingVanRijn и другие., 1991b) имеет два значения для проекта усилителя: потребляемая мощность должна быть низко, чтобы дать возможность маленьким размерным батареям использоваться как электропитание, и измерения усилителя должны сохраниться к минимуму. Потребление малой мощности может частично быть достигнуто, свертывая номер активных частей (транзисторы, и эксплуатационные усилители полевого транзистора). Маленькие измерения запрашивают проекта с низким общим количеством частей и без конденсаторов больший чем 100 nF или катушки индуктивности, чтобы учесть поверхностное крепление или толстопленочную конструкцию.
2 КОНТРОЛЬНО-ИЗМЕРИТЕЛЬНЫХ УСИЛИТЕЛЯ
Усилитель для bioelectric событий - контрольно-измерительный усилитель: дифференциальный усилитель с установленной дифференциальной выгодой(увеличением), высоким входным импедансом, высоким CMRR и низким шумом. Есть две группы проектов для контрольно-измерительных усилителей: длинная tailed пара с текущей обратной связью (Граем, 1977) и проекты формировала с эксплуатационными усилителями (op-электрогитары(op-амперы)). В принципе, первая группа предлагает лучшую работу(выполнение), особенно когда высококачественные дискретные части используются (Нельсон, 1980), но реализация имеет тенденцию быть довольно сложной (MettingVanRijn и другие., 1991a). Есть некоторые монолитные версии длинных tailed проектов пары (например. AMP01 и LM363). Однако, недостаток этой ИС гибкость должен был быть применен в усилителях для bioelectric событий: трудно получить подавление СИСТЕМЫ ЦИФРОВОГО УПРАВЛЕНИЯ (Сразил и другие., 1987) и приспосабливать проекты к монополярной многоканальной регистрации (MettingVanRijn и другие., 1990).
Использование op-электрогитар(op-амперов) как активные элементы - привлекательный способ создать относительно простой контрольно-измерительный усилитель. Есть два основных проекта: две op-электрогитары(op-ампера) (рис. 1) и три усилителя оснащения аппаратурой op-электрогитары(op-ампера) (Tobey и другие., 1971; Horowitz и Холм, 1989).
Рис. 1: основной контрольно-измерительный усилитель с двумя эксплуатационными усилителями. Особенности схемы: установленная дифференциальная выгода(увеличение) напряжения, высокая общая(обычная) порция отклонения режима, высоко вводит импедансы и низкий шум.
Два проекта op-электрогитары(op-ампера) имеют в принципе немного недостатков(препятствий) по сравнению с тремя проектами op-электрогитары(op-ампера): общий(обычный) диапазон ввода режима ниже, и соответствие резисторов является более критическим, если высокий CMRR должен быть достигнут (Граем, 1973). Однако, эти недостатки(препятствия) становятся менее важными в высоких значениях полной выгоды(увеличения) - как имеет место с биомедицинскими размерами(измерениями) - и важное преимущество более простого проекта остается. Ни один из контрольно-измерительных усилителей, упомянутых выше не может использоваться без модификаций как усилитель с высокой выгодой(увеличением) для регистрации bioelectric событий, потому что электрод смещенные напряжения вызвал бы насыщенность усилителя. Обычное решение состоит в том, чтобы использовать(нанять) три усилителя оснащения аппаратурой op-электрогитары(op-ампера) с умеренной выгодой(увеличением) (приблизительно 30 децибелов) в первой стадии усилителя, сопровождаемой несколькими аккумуляторами соединил стадии усилителя, чтобы достигнуть высокой полной выгоды(увеличения), объединенной с низким напряжением смещения при выводе усилителя (Neuman, 1978; MettingVanRijn и другие., 1991b). В этой бумаге, вместо более широко используемых трех усилителей оснащения аппаратурой op-электрогитары(op-ампера), два усилителя оснащения аппаратурой op-электрогитары(op-ампера) используются как основание для усилителя для bioelectric событий. Перед изменением двух усилителей оснащения аппаратурой op-электрогитары(op-ампера) для биомедицинских приложений, некоторые особенности основной схемы рассмотрены.
Общая(Обычная) выгода(увеличение) режима двух усилителей оснащения аппаратурой op-электрогитары(op-ампера) становится нулевой если уместные импедансы (резисторы R2, R3, RE и импеданс Z1 в рис. 1) выбраны согласно:
Если условие(состояние) в Eq. 1 выполнен, дифференциальной выгодой(увеличением) двух усилителей оснащения аппаратурой op-электрогитары(op-ампера) дают: 
Практически, CMRR двух усилителей оснащения аппаратурой op-электрогитары(op-ампера) зависит от соответствия резисторов и выбранной дифференциальной выгоды(увеличения). Хорошим приближением для CMRR с маленькими отклонениями от точных отношений(коэффициентов) резистора дают: 
где: TOLR является допуском резистора в %
Например: Если обычные 1%-ые резисторы допуска используются для контрольно-измерительного усилителя с выгодой(увеличением) 1000, CMRR 94 децибелов достигнут без подстройки.
Хороший CMRR двух усилителей оснащения аппаратурой op-электрогитары(op-ампера) с высокой дифференциальной выгодой(увеличением) - результат выгоды(увеличения) общего(обычного) режима, сообщает (ACM), являющийся меньше чем единица, даже в случаях(делах), где значения резистора отличаются большим количеством от отношений(коэффициентов), данных в Eq. 1. Этот эффект становится с готовностью очевидным, когда выгоду(увеличение) контрольно-измерительного усилителя с R2 = 0 (отношения(коэффициенты) резистора максимально непревзойденный) рассматривают(считают) и для дифференциальных и для общих(обычных) сигналов ввода режима (в этом случае: ACM 1, AФормат обмена данными дается Eq. 2 и CMRR = AФормат обмена данными).
Op-электрогитары(Op-амперы) в двух усилителях оснащения аппаратурой op-электрогитары(op-ампера) способствуют одинаково эквивалентному входному шуму. Два-opamp контрольно-измерительный усилитель имеет хорошие шумовые свойства, потому что незначащее содействие(вклад) других шумовых источников кроме входных op-электрогитар(op-амперов) может быть достигнуто с параметрами настройки выгоды(увеличения) и исходными импедансами, найденными в биомедицинской регистрации. Обратите внимание, что шумовые свойства двух усилителей оснащения аппаратурой op-электрогитары(op-ампера) равны трем усилителям оснащения аппаратурой op-электрогитары(op-ампера), если последний имеет достаточную выгоду(увеличение) в первой стадии усилителя.
3 НОВЫЙ ПРОЕКТ УСИЛИТЕЛЯ ДЛЯ BIOELECTRIC СОБЫТИЙ
Два проекта op-электрогитары(op-ампера) кажутся привлекательными для измерения bioelectric событий, потому что изделие(программа) полосы пропускания выгоды(увеличения) (GBP) многих коммерчески доступные низко-шумовые op-электрогитары(op-амперы) высоко достаточно, чтобы обеспечить(предусмотреть) достаточную дифференциальную выгоду(увеличение) в требуемой полосе пропускания. Например: и электроэнцефалограмма (извлекает пользу 10 000 и полоса пропускания 30 Гц) и кардиограммы (извлекает пользу 1000 и полосы пропускания 300 Гц), размеры(измерения) требуют GBP приблизительно 300 кГц. Следовательно, единственный(отдельный) усилитель стадии с одной низко-шумовой op-электрогитарой(op-ампером), обеспечивающей всю выгоду(увеличение), удовлетворил бы.
Проблема приспосабливания двух усилителей оснащения аппаратурой op-электрогитары(op-ампера) к биомедицинской ситуации измерения сводится к обеспечению усилителя с надлежащим ответом высокого прохода и достаточным диапазоном ввода СИСТЕМЫ ЦИФРОВОГО УПРАВЛЕНИЯ, не подвергая опасности качества типа высокого CMRR и низкого шума. Мы достигли этой цели с новой схемой, показанной в рис. 2.
Рис. 2: новый проект для био-электрического усилителя базировался на двух opamp контрольно-измерительных усилителях. Высокий ответ прохода достигнут с intergrator в цикле обратной связи.
Общая(Обычная) выгода(увеличение) режима изменяемых двух усилителей оснащения аппаратурой op-электрогитары(op-ампера) в рис. 2 является нулевой если: 
Если условие(состояние) в Eq. 4 выполнен(встречен), дифференциальная выгода(увеличение) (AФормат обмена данными) в полосе пропускания:
Обратите внимание на это Eqs. 4 и 5 соответствуют Eqs. 1 и 2, если следующая замена сделана: 
Схема в рис. 2 - два усилителя оснащения аппаратурой op-электрогитары(op-ампера) с интегратором в цикле обратной связи (AMP2 в рис. 2). Интегратор обеспечивает низкую полную выгоду(увеличение) для низких сигналов ввода частоты. Частота угла высокого прохода установлена с RA и CA. Подключение(Связь) между R5, RA и вывод асимметричной мультипроцессорной обработки0 является существенным, чтобы достигнуть высокого CMRR, потому что это ограничивает выгоду(увеличение) для общих(обычных) сигналов ввода режима (ACM) к единице (если R5 и RA были связаны с общим(обычным), поведение для дифференциальных входных сигналов будет идентично, тогда как ACM стал бы очень зависящий от точного соответствия резистора). В результате, Eq. 3 действителен для изменяемых двух усилителей оснащения аппаратурой op-электрогитары(op-ампера) в рис. 2 для частот выше высокой частоты отключения прохода, и хорошие CMRR свойства основных двух усилителей оснащения аппаратурой op-электрогитары(op-ампера) сохранены.
Ниже высокой частоты отключения прохода общая(обычная) выгода(увеличение) режима усилителя в Рис. 2. повышения на 6 децибелов/октавы к максимальному значению единицы. Следовательно, для частот ниже частоты отключения высокого прохода, CMRR понижается от значения, данного Eq. 3 к значению равняются AФормат обмена данными.
В рис. 2 управляемый правый участок маршрута (DRL) схема используется как подключение(связь) между источником сигнала и усилителем общий(обычный) (0 V, середина между напряжениями поставки). DRL схема уменьшает общее(обычное) напряжение режима, ведя U0 (см. рис. 2.) активно к потенциалу усилителя обычный (MettingVanRijn и ала. 1990). DRL, кроме того, защищает пациента от последствий дефектов усилителя потому что добавочный резистор в схеме (R0 в рис. 2) ограничивает максимальный поток через наземный электрод к безопасному уровню. Общее(Обычное) подавление режима DRL схемы увеличивается с уменьшающейся частотой. Следовательно, DRL схема компенсирует уменьшение CMRR контрольно-измерительного усилителя в рис. 2 в низких частотах. По нашему представлению, DRL должен использоваться в каждой биомедицинской системе регистрации для подавления вмешательства и терпеливой безопасности. Поэтому, когда контрольно-измерительный усилитель рис. 2 - по сравнению с другими проектами относительно необходимого номера частей, DRL схема не должна быть расценена как специфическая сложность проекта в рис. 2.
Помимо высокого CMRR, хорошие шумовые свойства основных двух усилителей оснащения аппаратурой op-электрогитары(op-ампера) сохранены также в изменяемых двух усилителях оснащения аппаратурой op-электрогитары(op-ампера) в рис. 2. Дополнительный шум, сгенерированный AMP2 разделен на коэффициент(фактор) R3/ (R3+R4) (приблизительно 10 - 30 в типичных биомедицинских приложениях, см. также секцию 4) прежде, чем это добавляет к вводу AMP1. Следовательно, эквивалентный входной шумовой уровень схемы - не значительно выше чем объединенный входной шум асимметричной мультипроцессорной обработки op-электрогитар(op-амперов)0 и асимметричная мультипроцессорная обработка1.
Частота угла низкого прохода изменяемых двух усилителей оснащения аппаратурой op-электрогитары(op-ампера) зависит от GBP асимметричной мультипроцессорной обработки op-электрогитары(op-ампера)1 и выбранная дифференциальная выгода(увеличение) (op-электрогитары(op-амперы) в этой секции принята, чтобы быть внутренне компенсированной): 
где: GBP1 является Изделием(Программой) Полосы пропускания Выгоды(Увеличения) асимметричной мультипроцессорной обработки op-электрогитары(op-ампера)1 AФормат обмена данными является дифференциальной выгодой(увеличением) усилителя, которым наклон характеристики амплитуды является на-6 децибелов/октавы выше этой частоты. Это было установлено, что различиями в GBP между различными(wотличными) op-электрогитарами(op-амперами) одного типа были только несколько процентов для самых популярных типов. Следовательно, держа на службе(используя) ограниченный GBP op-электрогитар(op-амперов) был найден, чтобы быть удобным методом обеспечить необходимый ответ низкого прохода достаточной точностью частоты отключения.
Проект безоговорочно устойчив, и никакие резонансы не происходят с типичными op-электрогитарами(op-амперами), которым компенсируют, и обычной прибылью(достижениями), используемой в регистрации bioelectric событий (см. Приложение 2).
4 ПРАКТИЧЕСКИХ РАССМОТРЕНИЯ(СООБРАЖЕНИЯ)
Напряжение вывода op-электрогитары(op-ампера) AMP2 в схеме, показанной в рис. 2, является равным напряжению СИСТЕМЫ ЦИФРОВОГО УПРАВЛЕНИЯ между вводами усилителя (E0 и E1) умноженный на отношение(коэффициент) (R3+R4)/R3. Однако, начиная с напряжения вывода асимметричной мультипроцессорной обработки op-электрогитары(op-ампера)2 ограничен напряжением поставки, диапазон ввода СИСТЕМЫ ЦИФРОВОГО УПРАВЛЕНИЯ определен отношением(коэффициентом) резистора (R3+R4)/R3 и высокое значение для этого отношения(коэффициента) уменьшает максимальное допустимое смещение электрода. С другой стороны, низкое отношение(коэффициент) (R3+R4)/R3 позволяет шум от асимметричной мультипроцессорной обработки2 способствовать значительно полному шуму усилителя. Поэтому, обмен между диапазоном ввода СИСТЕМЫ ЦИФРОВОГО УПРАВЛЕНИЯ и полным шумовым числом(рисунком) должен быть сделан.
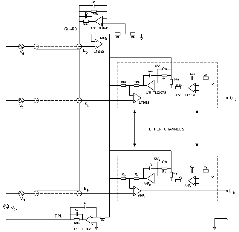
Напряжение смещения в усилителе выводит (U1) схемы в рис. 2 - напряжение смещения ввода асимметричной мультипроцессорной обработки op-электрогитары(op-ампера)2 умноженный на отношение(коэффициент) резистора (R5+R6)/R5. В случаях(делах), где высокая дифференциальная выгода(увеличение) AФормат обмена данными выбран, смещение вывода может стать неприемлемо высоким даже если асимметричная мультипроцессорная обработка2 имеет низкий тип смещения. Решение - добавление второго интегратора как изображено в практическом примере в рис. 3 (интегратор вокруг AMP3). Смещение вывода канала усилителя (U1 ... UN) в рис. 3 равен смещению ввода асимметричной мультипроцессорной обработки op-электрогитары(op-ампера)3.
Op-электрогитары(Op-амперы), используемые для интеграторов в схемах, показанных в Figs. 2 и 3 должен иметь низко входные потоки смещения (то есть. JFET, MOSFET или CMOS напечатают op-электрогитары(op-амперы)), чтобы позволить выбор больших сопротивлений RA и RB - который является необходимым уменьшить размер конденсаторов интегратора CA и CB - не производя большие напряжения смещения между вводами асимметричной мультипроцессорной обработки op-электрогитар(op-амперов)2 и асимметричная мультипроцессорная обработка3. Так как петля извлекает пользу для шумовых напряжений поперек резисторов RA и RB является намного меньшим чем AФормат обмена данными, тепловой шум, сгенерированный этими резисторами так же как текущим шумом, сгенерированным входными потоками смещения асимметричной мультипроцессорной обработки op-электрогитар(op-амперов)2 и асимметричная мультипроцессорная обработка3 вообще не добавляет значительно к полному шуму усилителя. Проект легко расширен до большего количества каналов, как показано в примере в рис. 3. Каждый канал усиливает сигнал между его вводом (E1 ... EN) и E0 сошлитесь на ввод (монополярная конфигурация). Обратите внимание, что общий(обычный) импеданс ввода режима равен для всех вводов, важное условие(состояние) предотвратить вмешательство (MettingVanRijn и другие., 1990).
Сокращение полосы пропускания может быть достигнуто с конденсатором, параллельным резистору R6. Однако, приспособьте модификацию Z1 тогда будет необходим сохранить высокий CMRR. Лучший метод состоит в том, чтобы уменьшить изделие(программу) полосы пропускания-выгоды асимметричной мультипроцессорной обработки op-электрогитары(op-ампера)1 так как CMRR не зависит от полосы пропускания этой op-электрогитары(op-ампера). В зависимости от типа op-электрогитары(op-ампера), несколько методов доступны. Например: емкостная обратная связь от вывода до одного из штырьков смещения, выбор надлежащего конденсатора компенсации (некомпенсированные op-электрогитары(op-амперы)) или выбор надлежащего потока набора (программируемые op-электрогитары(op-амперы)).
Увеличенная полоса пропускания может быть достигнута, когда некомпенсированная op-электрогитара(op-ампер) используется для асимметричной мультипроцессорной обработки1. Поскольку отношение(коэффициент) разомкнутой выгоды(увеличения) к выгоде(увеличению) петли является маленьким в проектах с высокой дифференциальной выгодой(увеличением), устойчивая операция может быть понята(реализована) с намного меньшим количеством компенсации чем, обеспечен в op-электрогитаре(op-ампере), которой компенсируют (Horowitz и Холме, 1989). Приложение некомпенсированной op-электрогитары(op-ампера) привлекательно, так как потребляемая мощность такого усилителя в данной комбинации выгоды(увеличения) и полосы пропускания ниже чем, имеет место с приложением op-электрогитары(op-ампера), которой компенсируют, с высоким GBP (см. также Приложение 1).
Замок наверх может произойти, если общий(обычный) диапазон ввода режима op-электрогитар(op-амперов) AMP2 и AMP3 является меньшим чем колебание напряжения вывода op-электрогитар(op-амперов) AMP0 и AMP1. Поэтому, некоторые комбинации op-электрогитар(op-амперов) будут требовать соответствующей фиксации вывода асимметричной мультипроцессорной обработки op-электрогитар(op-амперов)0 и асимметричная мультипроцессорная обработка1. Асимметричная мультипроцессорная обработка вывода0 может использоваться, чтобы управлять охраной и DRL схемами (MettingVanRijn и другие., 1990) как показано в рис. 3. Добавление этих схем эффективно(фактически) уменьшит восприимчивость для строки власти(мощности) вызванное вмешательство: эффективный CMRR может быть увеличен до 50 децибелов в 50 Гц, и потоки вмешательства в выводах электрода предотвращены.
В приложениях с низкой дифференциальной выгодой(увеличением) ADIF, ответ петли op-электрогитары(op-ампера) AMP0 имеет относительно большое влияние на CMRR. Если Z1 является резистором, уменьшающаяся разомкнутая выгода(увеличение) AMP0 в более высоких частотах приводит к увеличивающейся ошибке выгоды(увеличения) петли, которая в свою очередь будет вести к уменьшению CMRR в высоких частотах. Для части, этому эффекту можно противодействовать при помощи конденсатора и резистора параллельно для импеданса Z1 (Z1 = R1/C1). Можно показано что хорошее приближение для оптимального значения этого конденсатора C1 дается:
где: GBP0 является Изделием(Программой) Полосы пропускания Выгоды(Увеличения) асимметричной мультипроцессорной обработки op-электрогитары(op-ампера)0
ADIF - дифференциальная выгода(увеличение) усилителя
С другой стороны, в приложениях с высокой дифференциальной выгодой(увеличением) AФормат обмена данными, cMRR значительно не ухудшен(не испорчен) если Z1 опущен и R2 заменен коротким (см. рис. 3). Выбор определенных компонентов для различных приложений и оптимизации усилителя относительно различных спецификаций, обсужден подробно в Приложении 1.
5 ОБСУЖДЕНИЙ
Впечатление от сокращения номера частей, способных быть достигнут с проектом в рис. 2 дается в Таблице 1. В этой таблице схема в рис. 2 - по сравнению с тремя проектами op-электрогитары(op-ампера) (Neuman, 1978) и с длинным tailed проектом пары (MettingVanRijn, и алом, 1991a). Все три проекта были dimensioned, чтобы предложить первому заказу(порядку) полосовой ответ между 0.16 и 100 Гц с выгодой(увеличением) полосы пропускания 1000. Все проекты - один усилители дифференциала канала. Схемы сравнены без схем защиты и DRL. Это следует от таблицы 1, что три проекта op-электрогитары(op-ампера) и длинный tailed проект пары требуют соответственно 60 % и 100 % больше частей чем проект в рис. 2. Будет ясно, что с современной тенденцией, чтобы делать запись все более каналов (использование 32 каналов является довольно обычным в клинической электроэнцефалограмме, в экспериментальных параметрах настройки, 64 кардиограммы канала и 128 регистрации электроэнцефалограммы канала выполнены), сбережения в стоимости, измерениях и сложности могут быть значительны. Проект в рис. 2 легко изменяется для другой регистрации, где маленькие дифференциальные сигналы аккумулятора состоят в том, чтобы быть измеренными в присутствии относительно больших дифференциальных сигналов СИСТЕМЫ ЦИФРОВОГО УПРАВЛЕНИЯ и высоких сигналов СМ. Единственное ограничение - то, что полная выбранная выгода(увеличение) должна быть относительно высока - говорят, что больше чем 1000 с типичными составляющими допусками - или CMRR будут ухудшены(испорчены) (см. Eq. 3).
6 ЗАКЛЮЧЕНИЙ
Новый проект представлен, который очень упрощает проект усилителей для bioelectric событий. Проект легко приспособлен к различным биомедицинским условиям(состояниям) измерения: i.e выгода(увеличение), полоса пропускания и номер каналов легко изменены(заменены). Спецификации сопоставимы или лучше чем достижимый с лучшими проектами, в настоящее время доступными, если надлежащие op-электрогитары(op-амперы) выбраны (см. Приложение 1 и Таблицу 1). Проект предлагает главные сокращения размера и потребляемой мощности по сравнению с обычными проектами.
Подтверждение
Это исследование поддерживалось Фондом(Основой) Технологии (STW).
Ссылки(Рекомендации)
Cooper, R., Osselton, J. W. и Шоу, J. C. (1969) электроэнцефалограмма Технология. Butterworth, Лондон, 14-22.
Geddes L. A. (1972) Электроды и размеры(измерения) bioelectric событий. Джон Вилей и Сыновья, Нью-Йорк, 44-94.
Граем, J. G. (1973) Приложения эксплуатационных усилителей: третьи методы поколений(порождений). McGraw-холм, Нью-Йорк, 53-58.
Граем, J. G. (1977) Проектирование с эксплуатационными усилителями: прикладные альтернативы. McGraw-холм, Нью-Йорк, 31-35.
Horowitz, P. и Холм, W. (1989) искусство электроники, 2-ого edn. Университет Кембриджа Нажимает, Кембридж, 242-248, 425-428.
Huhta, J. C., Вебстер, J. G. (1973) вмешательство на 60 Гц в электрокардиографию. Сделка ИИЭРа, BME-20, 91-101.
MettingVanRijn, A. C., Peper, A. и Grimbergen, C. A. (1990) регистрация Высокого качества bioelectric событий. Часть 1: сокращение Вмешательства, теория и практика. Медиана и Biol. Инженер и Comput., 28, 389-397.
MettingVanRijn, A. C., Peper, A. и Grimbergen, C. A. (1991a) регистрация Высокого качества bioelectric evenifiers (op-электрогитары(op-амперы)).
ПРИКЛАДНОЙ ПРИМЕР.
Рис. 3.: пример многоканального усилителя электроэнцефалограммы с минимальным шумом, низкие части рассчитывают и потребление малой мощности. Дополнительное пространство intergrator добавилось в цикле обратной связи к перепижону смещение вывода. DRL и схема защиты используются для максимального сокращения вмешательства.






