Кардиограмма - энцефалограмма (теория)
A. C. MettingVanRijn, A. Peper, C. A. Grimbergen.
Academic Medical Center, Medical Physics Department, Meibergdreef 15 1105 AZ Amsterdam, The Netherlands.
Перевод выполнен с помощью PROMT. Оригинал статьи Вы можете посмотреть ЗДЕСЬ
В первой части рассматриваются различные механизмы, которые могут быть причиной воздействия на регистрацию биопотонциалов. Показывается, что работа хорошего усилителя может быть нарушена самим процессом и условиями измерения.
Рассматриваются несколько методов, позволяющих уменьшить влияние внешних факторов.
Во второй части предложены некоторые методы практического применения теории.
Контрольно-измерительная схема усилителя, обычно используемая для регистрации биопотонциалов и ее улучшение для некоторых случаев.
Другое приложение - дешевые усилители для многоканальной регистрации кардиограммы. Третье приложение - устройство, которое можно добавить к системам измерения и уменьшить внешние воздействия.
I. Введение
Источники нарушения или неверной регистрации биопотонциалов не всегда очевидны, так как применяемое оборудование достаточно сложно и найти источник помехи весьма затруднительно. Даже использование оборудования с очень хорошими спецификациями не гарантирует Вам отсутствие ошибки съема.
В большинстве измерений биопотонциалов уровень помехи 1 - 10 uV p - p (меньше чем 1 % пикового-пикового значения кардиограммы) являются приемлемыми. Поскольку шум типичного электрода - так же несколько uV p - p (Geddes and Baker, 1966a; Spekhorst et al., 1988), в большинстве обстоятельств 10 uV p-p могут быть приняты как верхний уровень помехи .
Самые общие механизмы электрического помехи описаны в следующих параграфах.
2. Источник помехи .
2.1 Паразитные токи в теле человека.
Емкости между пациентом и основной землей создают некоторый ток утечки, который является паразитным (см. рис. 1). В моделировании ситуации измерения емкость между телом и основой землей (C body) взят 300 pF и емкостью между телом и основной сетью (C pow) взят 3 pF (Huhta and Webster, 1973; Forster, 1974), примем эти значения как типичные. Эти емкости вызывают ток ( i1 в рис. 1) приблизительно 0.5 uA , p-p , который течет от сети (220 V, среднеквадратичное значение, 50 Гц) через тело. Это имеет особое значение, так как в различных вариациях (C body) и (C pow), паразитные токи могут увеличиваться в десятки раз. Если усилитель связан с пациентом, часть тока ( i1 ) будет течь, чтобы основать через Z rl- импеданс "нейтрального" электрода (электрод на правой ноге в стандартных измерениях кардиограммы). Измерения без использования нейтрального электрода возможны, но не представлены здесь. Осложнения, с этими так называемыми двумя измерениями представлены (Thakor and Webster, 1980). Часть i1 течет через Z r l вызывает различие между средним потенциалом тела и усилителя: общее(обычное) напряжение режима (V см в рис. 1).
2.2 Паразитные токи в усилителе.
В модели изолированного измерения (т.е отсутствует гальваническая связь между усилителем и землей рис. 1.) емкости между усилителем, сетью (C sup ) и между усилителем, землей (C iso ) нужно так же рассмотреть (см. рис. 1). (C sup ), которая так же вызывает дополнительный ток помехи ( i2 ) который течет от усилителя, частично через (C iso ) и частично через Z rlи C body. Часть i2 течет через Z rl и характеризует обычный режим.

Блок-схема Рис. 1 Измерения биопотонциалов. Емкости между пациентом, усилителем, сетью и измеряемым сигналом относительно земли и токи воздействия i1 , i2 , ia и ib . В неизолированной ситуации усилитель не подключается к земле. Напряжение вывода (V2) регистрируется относительно земли.
2.3 Паразитные токи в соединительных проводах.
Главный источник наводки в кабелях и проводах определяется емкостями (C ca и C cb в рис. 1), которые вызывают токи ( ia , ib в рис. 1) текущие к телу через электроды и от тела, через C bodyи через Z rlпоследовательно с C iso Поскольку и токи вызванные в проводах и электродах вообще отличаются значительно, относительно большое дифференциальное напряжение возникает между входом усилителя (V abв рис. 1). Величина этого сигнала определяется следующим соотношением:
Типичная ситуация со средним током 10 nA , p-p в проводах, средний импеданс электрода 20 kOhm и относительного различия в токе помехи и импедансе электрода 50 %, ведет к недопустимому высокому уровню помехи 200 к питанию и земле u V , p-p .
2.4 Магнитное воздействие.
Магнитное вмешательство в процесс измерения легко отличить от всех остальных, так как оно изменяется в зависимости от положения объекта измерения, соединительных проводов и прибора. Теоретически подавление этой помехи достаточно просто и осуществляется путем минимизации длинны проводов (Huhta and Webster, 1973). Практически, это не всегда выполнимо. Например: обычная конфигурация электрода при измерениях кардиограммы с электродами, помещенными в различных точках тела определяется значительной длинной проводов. Экранирование пациента материалом с высокой магнитной проводимостью (mu-металл (пермолой)) - непрактичное решение в большинстве ситуаций. Поэтому часто необходимо понизить магнитное поле непосредственно, ограждая источники магнитных полей с множественными уровнями mu-металла с тяжелыми медными слоями (Motchenbacher and Fitchen, 1972) и/или удаляя все магнитные источники, как можно дальше от пациента.
3. Уменьшение наводок
3.1 Влияние входной наводки
Есть два пути, которыми входной сигнал может вызвать искажение информации. Первый, очевидный путь состоит в том, что используются усилители с большим дрейфом, но в настоящее время это не вызывает проблем, т.к. для современных дифференциальных ОУ отклонение 80-90 дб - общепринято. Вторая, и намного более важная причина, это наличие различия в сигнала на электроде и входе ОУ , когда есть различия в импедансах электрода и/или входа ОУ, происходит конвертация в дифференциальное входное напряжение (см. рис. 1). Этот механизм - часто называемый "the potential divider effect" ( Huhta и Вебстер, 1973; Pacela , 1967) - является основной причиной, почему важно уменьшить общее напряжение режима в максимально возможной степени. Величина дифференциального входного сигнала наводки, дается следующим отношением (см. рис. 1):
где Z ia , b : входные импедансы
Поучительно перезаписать это уравнение, принимающее входные импедансы быть намного большим чем импедансы электрода:
Кажется, что уровень помехи , сгенерированного потенциальным эффектом делителя зависит от величины обычного сигнала режима, отношение среднего электрода и входных импедансов, и на относительных различиях в электроде и входных импедансах. Обычные электроды могут показать средний импеданс 20 kOhm в 50 Гц и различиях импеданса приблизительно 50 % ( Almasi и Smitt , 1970; Grimnes , 1983; Geddes , 1972). Различия во входных импедансах не должны существовать в нормально разработанной схеме усилителя, но часто этого не избежать. Различия во входных импедансах часто присутствуют в многоканальных измерительных системах (пример дается в разделе 4.2.), но может так же быть вызван при помощи экранированных входных проводов различной длинны.
3.2 Уменьшение входных наводок.
Если различия импеданса электродов и входов не могут сохраниться достаточно низкими, чтобы уменьшить влияние потенциального эффекта делителя - входные импедансы, являющиеся настолько высоким насколько возможно - единственное практическое оставленное решение состоит в том, чтобы уменьшить их фактическое напряжение. Есть три ситуации:
- Вход усилителя подключен к земле (см. рис. 1, переключатель замкнут, изоляции нет): паразитный ток через Z rlопределен главным образом емкостью C pow . Следовательно, общее напряжение режима уменьшено, если эта емкость между телом и сетью исключена.
- Усилитель не подключен к земле (см. рис. 1 переключатель разомкнут: изоляция): ток через Z rlзависит от значений четырех емкостей: C pow , C body , C sup и C iso . В этой ситуации, общее напряжение режима могло бы быть уменьшено, исключая емкость между усилителем, (C pow ) и емкость между усилителем, обычным и (Ciso ).
- Во всех случаях, общее напряжение режима может быть в значительной степени уменьшено, если добавляется контакт к правой ноге (см. рис. 2). Дополнительный усилитель подает на пациента то же самое напряжение, как напряжение обычного усилителя. Различие сигнала между пациентом и усилителем (= общее напряжение режима) может быть сделано намного меньшим , чем напряжение через Z rl в рис. 2.
Первый метод достаточно эффективен если импеданс Z rl является низким (хороший электрод и обширная подготовка кожи) и емкости Cpowявляется маленькой, и сетевая аппаратура достаточно далека от пациента. В типичной ситуации (Cpow = 3pf , Z rl= 20 kOhm ),входное напряжение, приблизительно 10 mv p-p . В этом случае, средне e Z я = 20 MOhm , средни e Z e = 20 kOhm и относительные различия в Z e и Z i из 50 % приводит к напряжению помехи 10 microV , p-p (см. рис.3). Однако, в клинических ситуациях этот метод не используется, потому что короткий путь импеданса, который сформирован между телом и землей, обеспечивает пациенту потенциально опасную ситуацию ( Olson , 1978).
Изолированное измерение безопасно если емкость между усилителем, сигналом и землей (Ciso и емкость между усилителем, сигналом и сетью (Csup ) сохраняются достаточно маленьким. Однако, величина общего(обычного) сигнала - тогда значительно понижаются по сравнению с первой ситуацией , если Csup является намного меньшим чем Cpow и Ciso является намного меньшим чем C body . Два числовых примера обеспечат некоторое разъяснение. Рассмотрите хороший усилитель с относительно маленькой емкостью барьера изоляции 30 pF (Ciso = 30 pF ). Если усилитель является маленьким, имеет аккумуляторное питание, емкостью относительно сетевого питания можно пренебречь (Csup <1 pF ). Это может быть рассчитано при типичных условиях (C body = 300 pF , Cpow = 3 pF , Z rl= 20 kOhm ), общее напряжение будет маленькое, приблизительно 1 милливольт, p-p .
С отличной ситуацией сталкиваются вмногоканальной системе измерения, в которой изоляция достигнута с развязанным электропитанием . В этом случае Csup и Ciso может быть и столь же высоко как 100 pF , и большое общее напряжение приблизительно 200 милливольт, p-p было бы сгенерировано при типичных условиях. Обратите внимание, что ток утечки не превышал правила техники безопасности (<10 uA , среднеквадратичное значение), даже если пациент касается земли или сети . Пример системы измерения с относительно большими емкостями к сети и земле дается в секции 4.2.
Изолированные измерения могут быть проблематичны, даже если общее напряжение сохраняется маленьким, потому что напряжение помехи поперек изоляции (напряжение режима изоляции, рис. 1) не отклонено достаточно ( Pallas-Areny , 1988). Осмотр рис. 1 показывает, что напряжение режима изоляции может быть большим в типичных ситуациях (для двух примеров, упомянутых выше соответственно 6 V, p-p и 120 V, p-p ). Следовательно, очень высокое отношение(коэффициент) отклонения режима изоляции (120 - 150 децибелов) существенно в изолированной регистрации к питанию и земле сигнала. Высокое отношение(коэффициент) отклонения режима изоляции может быть достигнуто с современным фотооптическим методом изоляции (аналог или цифровой) ,что помимо всего прочего ортптимизирует передачу данных,

Рис. 2 Подведение сигнала к правой ноге.Напряжение режима (Vcm) является намного меньшим чем напряжение поперек Z rl.
Подведение сигнала к электроду правой ноги (см. рис. 2), предлагает большое сокращение помехи и в изолированных и в неизолированных измерениях, активно сокращая различие сигнала между пациентом и усилителем; обычно достигается уменьшение на 10-50 дб. Подведение электрода к правой ноге - самый практический способ уменьшить помеху, если если уменьшение паразитного тока через Zrl не выполнимо. Кроме того, управляемая правая схема участка маршрута делает измерения достаточно безопасными в неизолированной ситуации (выключатель, закрытый в рис. 1 и рис. 2), потому что довольно большой импеданс между телом и землей может быть достигнут, с помощью подбора резистора R0 (несколько MOhm ) и небольшого конденсатора обратной связи Cfb (<1 nF ). Эта особенность может использоваться, чтобы исключить усилители изоляции в экспериментальных ситуациях, в которых требования безопасности не являются столь же критическими как в клинических ситуациях. Основной недостаток управляемой правой схемы участка маршрута - это его нестабильность. В практических проектах, компромисс между общим(обычным) подавлением режима и возможной неустойчивостью - в зависимости от обстоятельств - должен быть найден. Эта проблема удается более подробно в приложении.
3.3 Уменьшение токов наводок в соединительных проводах
Учитывая свойственную изменчивость импедансов электрода и уровня наводок при осуществлении регистрации ( Eq . 1), есть только один практический способ уменьшить ток и помехи в проводах: экранирование измеряющих соединительных проводов . Представлены следующие методы :
1) Экраны, связанные с усилителем. Простое соединение экрана на усилитель устраняет ток помехи в проводах. Однако, это обычно не устраняет всех наводок. Высокая емкость экранированных входных соединительных проводов уменьшает входной импеданс усилителя, приводящего к увеличению уровня помехи из-за потенциального эффекта делителя (Eq . 3). Общий сигнал , который является причиной этой формы помехи , не может эффективно быть уменьшен с управляемой правой схемой участка маршрута, потому что увеличенная входная емкость усилителя легко приводит к неустойчивости схемы (см. приложение).
2) Согласование с U, когда экран согласуется с сигналом в проводе, там, фактически не работает никакая кабельная емкость, и ее ее воздействие на входной импеданс схемы незначительно (Morrison , 1977). Последствие - то, что для каждого канала вводят дополнительный усилитель, необходимый, чтобы управлять экраном.
3) Согласование со средним значение ввода, если все экраны управляются усилителем вычисляющим среднее значение входных сигналов (=, общее(обычное) напряжение режима), входная емкость для общих(обычных) сигналов режима является фактически маленьким, потому что там не существует никакое потенциальное различие между экраном и внутренним проводом для этих сигналов. Следовательно, нет никакой дополнительной чувствительности к сигналам помехи , вызванным потенциальным эффектом делителя. Проблем стабильности эффективной управляемой правой схемы участка маршрута можно избежать с осторожным проектом схемы согласования (см. приложение). Этот метод - хороший компромисс между другими двумя методами экранирования: хорошее подавление помехи достигнуто с только одним дополнительным усилителем. Недостаток состоит в том, что входная емкость для дифференциальных сигналов является столь же низкой как в ситуации с экранами, связанными с усилителем, потому что для дифференциального режима имеется различие сигнала между экраном, и внутренней частью, которая, фактически, не согласована. Соответственно мы имеем выброс на высокой частоте, что приводит к потере сигнала или его искажению( Geddes и Пекарю, 1966b). Однако, в нормальной кардиограмме и регистрации электроэнцефалограммы, которая имеет ограниченное содержание частоты (<200 Гц), дополнительная входная емкость для дифференциальных сигналов режима не проблематичны, при отсутствии длительных измерений.
4. ПРИЛОЖЕНИЯ
4.1 Улучшенный контрольно-измерительный усилитель
Усилитель, представленный на Рис. 3 используется для осуществления первичного съема. Его входной импеданс высок, и хорошее общее отношение отклонения режима может быть получено без обширной подстройки ( Tobey и другие., 1971). Такие параметры, как шум, полоса пропускания, смещение по току , и потребляемая мощность может легко управляться, если правильно выбраны управляющие ОУ. Данный усилитель был оборудован условиями для управляемого правого участка маршрута и управляемых экранов. Законченную схему показывают в рис. 3.
Некоторые подробности :
Экранирование : Оба экрана управляются тем же самым буферным усилителем. Этот буфер должен иметь Ку (коэффициэнт усиления) от СИСТЕМЫ ЦИФРОВОГО УПРАВЛЕНИЯ в полосе до нескольких МГЦ, чтобы уверить устойчивую работу законченного усилителя (см. приложение). Некоторые эксплуатационные усилители, используемые в буферной конфигурации имеют Ку больший чем единица в высоких частотах. Надлежащая компенсация должна быть обеспечена в этих случаях из-за возможной неустойчивости.
Входной сигнал для драйвера экрана должен быть средним числом входных сигналов. Хорошее приближение этого сигнала - среднее число входов инвертирования. Для компенсации емкости инвертирующего входа нужно добавить небольшие конденсаторы ( Cf) со значением, раиным входной емкости усилителя, маленькие конденсаторы (C f ) со значением равняются входной емкости (см. рис. 3 и приложение). Ку драйвера экрана - 0.99. Это приближает величинусигнала в экране к 99 % средней величины сигнала во внутренних проводах, таким образом улучшающих стабильность схемы согласования и сокращает выбросы, в то время как там остается значительным сокращением от эффективной кабельной емкости (коэффициент(фактор) 100) (Morrison, 1977).
Управляемая правая схема участка маршрута входной сигнал для управляемой правой схемы участка маршрута должна быть средним числом входных сигналов (= общее(обычное) напряжение режима). Сигнал вывода буфера диска экрана отличается очень немного от этого среднего сигнала по причинам, описанным выше, и может использоваться для этой цели. Увеличение разомкнутого цикла управляемой правой схемы участка маршрута - 300 в 50 Гц, приводящих к увеличению на 50 децибелов в общем отклонении режима в этой частоте. Это, оказалось, было хорошим компромиссом между максимальным общим сокращением режима и требованиями стабильности (см. приложение).
В практическом использовании усилитель должен иметь низкий Ку для сигналов СИСТЕМЫ ЦИФРОВОГО УПРАВЛЕНИЯ, что бы предотвратить насыщенность, вызванную сигналами смещения электрода. Есть несколько решений по применению СИСТЕМЫ ЦИФРОВОГО УПРАВЛЕНИЯ ( Hamstra и другие., 1984; McClellan , 1981).

Рис. 3 Биомедицинский контрольно-измерительный усилитель, оборудованный согласованным экраном и управляемыми правыми схемами участка маршрута, основанный на трех инструментальных усилителях(см. инкрустацию).
4.2 Дешевые 64 канальные кардиоусилители.
В этом параграфе будет рассмотрено, как обычный усилитель может быть доведен до приемлемых стандартов съема. В случае, например, когда основой разработки служит назкая цена и размеры, например 64-ох канальный усилитель.
Начальная ситуация:
- Вход представляет из себя 64 отдельных, контрольно-измерительных усилителя, которые сделали проект компактным и довольно дешевым - Каждый контрольно-измерительный усилитель измеряет потонциал между электродом (грудь) и тестовым сигналом. Тестовый сигнал был средним числом сигналов от руки и левого участка маршрута ( Wilson Центральный Терминал), полученный пассивным суммированием с тремя резисторами (300 kOhm ). Это вело к конфигурации, в которой Wilson Центральный Терминал был связан с 64 (отрицательными) входами усилителей - Изоляция была необходима из-за безопасности. Однако, потому что 64 усилителя изоляции делали бы систему слишком дорогой, изоляция была достигнута с медицинским трансформатором в электропитании.
Эти аспекты представили некоторые встроенные проблемы наводок. ток помехи , текущий от сети поступает на усилитель (Csup и C iso. по заданию (порядка 100 pF , видят, что секция 2.3 и 3.1), что привело к общему сигналу режима приблизительно 200 милливольт, p-p . Отклонение этого сигнала режима было мало из-за больших различий во входных импедансах. Импеданс выхода был очень низок по сравнению с входным импедансом 64 входов вывода груди из-за взаимосвязи 64 входов инвертирования и низкого импеданса Wilson Центрального Терминала.

Ссылка Рис. 4 ( Wilson Центральный Терминал), экранирование и управляемые правые схемы участка маршрута для 64 усилителей кардиограммы канала.
Хорошие результаты были достигнуты с дополнительной входной схемой, показанной в рис. 4. Включение этой схемы приводит к системе, когда все входы, имеют очень высокий импеданс, и различия импеданса являются маленькими. Все выводы электрода оборудованы экранированием. Два буфера используются для руки и левых сигналов участка маршрута; инструментальный усилитель с хорошими шумовыми характеристиками используется для преобразования импеданса фактического входного сигнала (Amp A) и другой инструментальный усилитель с высоким входным импедансом, большой полосой пропускания и высоким Ку, используется как драйвер экрана (Amp B).
Подчеркивается, что работа 64 усилителей канала полностью определена этой входной схемой. Эквивалентный входной шум - прежде всего шум буферных усилителей, и результирующее общее отношение отклонения режима зависит от управляемого Ку правой схемы участка маршрута, входной импеданс буферных усилителей и точности буферных усилителей, имеющих Ку=1. Спецификации используемого контрольно-измерительного усилителя, которые являются исключительно хорошими по любому стандарту. Несколько систем регистрации, оборудованных этими 64 усилителями канала - теперь регулярно используются на практике.
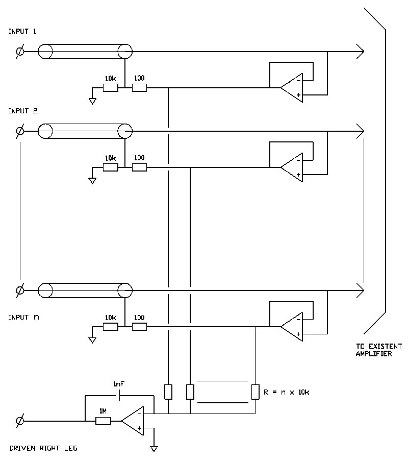
4.3 Добавочное устройство для системы регистрации
Если Вам не хватает возможностей системы регистрации и ее изменение не представляется возможным, можно сделать доработку, показанную на рис. 5. Эту схему можно добавить к любому усилителю. Она обеспечивает эффективное подавление помех, согласование соединительных проводов, не ухудшая работу существующего усилителя. Дополнительной входной емкостью и током смещения можно пренебречь, когда используются высококачественны JFET усилители. Схема может быть расширена на любой количество каналов. Устройство используется для регистрации поверхностных потенциалов ( Peper и другие., 1985), где очень маленькие сигналы (некоторые микровт), низкий уровень шума и помеха имеет предельное значение.

Схема Дополнения Рис. 5 для измерения n-каналов. Схема уменьшает сетевую помеху (управляемая правая схема участка маршрута) и обеспечивает согласование экранов и соединительных проводов.
5. Обсуждение
Здесь демонстрируется, что значительное усовершенствование может быть получено помощью увеличения чувствительности усилителя при наличии наводки. Методы согласования и экранирования, чтобы предотвратить наводку при измерении, казалось, обеспечивают нормальную работу. К сожалению большинство коммерчески доступных систем не обеспечивает стандартных требований.
Общее уменьшение паразитного сигнала, по прежнему остается важным, потому что различия в импедансе электрода вызывают дифференциальное вмешательство помехи, даже если импедансы входов усилителя равны. Хотя хорошая подготовка электродов и кожи может уменьшить этот тип помехи , импедансы электрода отличаются с каждой новой регистрацией. Некоторое сокращение сигнала помехи может быть получено хорошей изоляцией схемы усилителя, то есть емкостей усилителя к питанию и земле должна быть намного меньшей чем емкости тела к питанию и земле . Однако, этой низкой емкости обычно не просто достигнуть, и изоляция должна поэтому быть расценена главным образом как способ улучшить безопасность. Более эффективное уменьшения помех может быть получено с управляемой правой схемой участка маршрута.
Комбинации охраны и управляемых правых схем участка маршрута дали специальное внимание. Обе схемы формируют циклы обратной связи, и это показывает в приложении, что требует осторожной настройки, что бы не нарушить устойчивости. Приложение, представленное в этом исследовании разработано, чтобы обеспечить устойчивость даже когда импедансы в ситуации измерения (импедансы электрода, тело и емкость усилителя и т.д.) отличайтесь в значительной степени от значений, с которыми сталкиваются в типичной ситуации. Следовательно, работа этих схем может быть улучшена во многих ситуациях измерения. Хорошее решение этой проблемы могло бы стать оптимизация согласования экранов и управляемых правых схем участка маршрута - зависящий от ситуации измерения - автоматизированной процедурой с цифровой системой обработки сигналов. Особый класс помех - высокочастотное вмешательство, вызванное например флуоресцентными лампами или импульсными источниками питания. Обычные методы не всегда эффективны в данной ситуации (рассмотренные методы). Кроме того, в высоких частотах входной импеданс усилителя уменьшится из-за его емкостного компонента, увеличивая эффект воздействия основных наводок. Хотя высокие частоты обычно отфильтровываются в медицинских измерениях, усилители могут легко насыщать или генерировать низкочастотные паразитные сигналы . Высокочастотное вмешательство поэтому остается фактором обеспокоенности, которое в некоторых ситуациях делает измерение невозможным.
Литература:
Almasi, J. J., and Smitt, O. H. (1970) Systemic and random variations of ECG electrode impedance.
Ann. N.Y.Acad.Sci.,170 (art.2),509.
Forster, I. C. (1974) Measurement of the body capacitance and a method of patientisolation in mains environments. Med.Biol. Eng. & Comp., vol. september, 730.
Geddes, L. A. (1972) Electrodes and the measurements of bioelectric events. Wiley Interscience, New York, 44.
Geddes, L. A., and Baker, L. E. (1966a) Chlorided silver electrodes. Med. Res. Eng., no. 6, 33.
Geddes, L. A. and Baker, L. E. (1966b) The relationship between input impedance and electrode area in recording the ECG.Med.Biol.Eng.,vol.4,439.
Grimnes, S. (1983) Impedance measurements of individual skin surface electrodes. Med. Biol.Eng. Comp., vol. 21, 750.
Hamstra G. H., Peper, A. and Grimbergen, C. A. (1984) Low-power, low-noise instrumentation amplifier for physiological signals. Med. & Biol. Eng. & Comp., vol 22, 272.
Huhta, J. C., Webster, J. G. (1973) 60-Hz interference in electroardiography. IEEE Tr.Biom.Eng., vol BME-20, no. 2, 91.
McClellan, A. D. (1981) Extracellular amplifier with bootstrapped input stage results in high common-mode rejection", Med.Biol.Eng.Comp.,vol.19,657.
Morrison, R. (1977) Grounding and shielding techniques in instrumentation (second edition). John Wiley & Sons, New York.
Motchenbacher, C. D. and Fitchen, F. C. (1972) Low-noise electronic design. John Wiley & Sons, New York, 185.
Olson, W.H. (1978) Electrical safety, in "Medical instrumentation: application and design" (editor: J. G. Webster). Houghton Mifflin Co. Boston, 667.
Pacela, A. F. (1967) Collecting the body's signals. Electronics, vol. 40,no. 14, 103.
Pallas-Areny, R. (1988) Interference-rejection characteristics of biopotential amplifiers: a comperative analysis. IEEE Tr. Biom. Eng.,vol. BME-35, no. 11, 953.
Peper, A., Jonges, R., Losekoot, T. G. and Grimbergen, C. A. (1985) Recording of surface His-Purkinje potentials", Med. Biol. Eng. Comp., vol 23, 365.
Reek E. J., Grimbergen, C. A. and van Oosterom, A. (1984) A low-cost 64 channel microcomputer based data acquisition system for bedside registration of body surface maps. Proc 11th Int. Congr. Electrocardiol., Caen, France, July 17.
Smit, H. W., Verton K. and Grimbergen, C. A. (1987) A low-cost multichannel preamplifier for physiological signals. IEEE Tr. Biom. Eng., vol. BME-34, 307.
Spekhorst, H., SippensGroenewegen, A., David, G. K., Metting van Rijn, A. C., Broekhuysen, P. (1988) Radiotransparent carbon fibre electrode for ECG recordings in the catheterization laboratory. IEEE Tr. Biom. Eng., vol. BME-35, no. 5, 402.
Thakor, N.V., Webster, J.G. (1980) Ground-free ECG recording with two electrodes. IEEE Tr. Biom. Eng., vol. BME-27, 699.
Tobey, G. E., Graeme, J. G. and Huelsman, L. P. (1971) Operational amplifiers: design and applications. McGraw-Hill, 206.
Winter, B. B. and Webster, J. G. (1983) Driven-right-leg circuit design. IEEE Trans. Biom.Eng., vol. BME-30, no. 1, 62.






