Кардиограмма - энцефалограмма (теория)
A. C. MettingVanRijn, A. Peper, C. A. Grimbergen.
Academic Medical Center, Medical Physics Department, Meibergdreef 15 1105 AZ Amsterdam, The Netherlands.
Перевод выполнен с помощью PROMT. Оригинал статьи Вы можете посмотреть ЗДЕСЬ
Здесь описан многоканальный контрольно-измерительный усилитель, разработанный, чтобы использоваться в миниатюрных универсальных восьми модулях усилителя канала. После обсуждения определенных свойств регистрации биопотонциалов, встречаются трудности со спецификациями проектов, основанных на инструментальных усилителях, которые здесь рассмотрены. Поскольку оказалось невозможно достигнуть требуемой комбинации низкого шума и потребления малой мощности, использующего, коммерчески доступные инструментальные усилители, был разрабртан усилитель с внешними, дискретными транзисторами. Предложена новая версия проекта, обеспечивающая многоканальную версию с эквивалентным входным шумовым напряжением 0.35 микро; Vrms в полосе пропускания 0.1 - 100 Гц и потребляемой мощностью 0.6 мВт в канал.
Результатом этой разработки стало появления универсального 8-и модульного усилителя, миниатюризированного с помощью гибридной пленочной технологии, широко применяемой в промышленности. Модули могут наращиваться с коэфициентом 8, малое потребление обеспечивает возможность их использования во всех видах оборудования, как переносного, так и стационарного, а так же снижает требования к блокам питания.
1. Введение
В медицинских исследовательских программах часто требуются многоканальные системы регистрации биопотонциалов. Примеры многоканальной регистрации - измерения электроэнцефалограммы с 20 каналами (Duffy, 1982), 28 каналов (Gruzelier и другие., 1988) или 36 каналов, измерения кардиограммы с 64 каналами ( Spekhorst и другие., 1990). За прошлые годы, большой прогресс был достигнут в развитии цифровой части регистрации систем относительно обработки большого количества собранных данных. Качество первичного аналогового съема, однако, осталось старым и во многих случаях не противостоит его задаче. Надлежащее измерение и увеличение сигналов представляют определенные проблемы. Общие методы проекта усилителя хорошо разработаны и активно описаны в литературе. Однако, в проектировании биомедицинского усилителя большое внимание нужно уделить самому факту этого измерения. Факт, что электроды используются как преобразователи сигнала в регистрации, имеет важные последствия для требуемой работы усилителя. Из-за его импеданса, напряжения смещения и шумовой составляющей, интерфейс электрод-кожа может вызвать различные проблемы, особенно в многоканальной регистрации. И наконец, была поставлена цель, создать универсальный усилитель, применимый ко многим ситуациям.
2. КРИТЕРИИ ПРОЕКТА УСИЛИТЕЛЯ
Интерфейс электрод-кожа имеет сложный импеданс между 1 k и 1 м. в 50 Гц (Almasi и Schmitt, 1970; Grimnes, 1983; Geddes, 1972; Rosell и другие., 1988). Импеданс электрод-кожа зависит от многих факторов подобно состоянию кожи и ее подготовке, так же могут быть существенные различия в импедансе кожи у различных пациентов. Состояние кожи может определять наличие той или иной разновидности внешней помехи. Данная теория была внимательно изучена, следствием чего были выдвинуты следующие требования к усилителю.
- высокое входное сопротивление (> 100 м. в 50 Гц,)
- высокое дифференциальное сопротивление (> 10 м. в 50 Гц,)
- соотносимость входных импедансов
- синфазное (> 80 децибелов в 50 Гц)
- согласование соединительных проводов и экранов
- оптимизация нейтрального электрода (правая нога)
Электродкожий интерфейс формирует гальваническую полуячейку (Geddes, 1972). Точное напряжение полуячейки электродкожего интерфейса зависит главным образом при условии кожи и электродов. К сигналу, взвешенному между электродами, различие между напряжениями полуячейки электродкожих интерфейсов нужно добавить. Это напряжение обычно изменяется медленно в течение регистрации, приводя к низкому частому шумовому сигналу. Усилитель должен подавить их относительно большой (несколько десятков милливольт), низкочастотные входные сигналы, чтобы предотвратить насыщенность. Частота отключения приблизительно 0.15 Гц для фильтрации высокого прохода обычно используется для этой цели. Величина сигнала, которая минимально может быть измерена, определена в принципе тепловым шумом электродкожего импеданса (И = 1.3 x 10-3 Re микро; Vrms в полосе пропускания 0.1 - 100 Гц). Практически однако, шум выравнивается, это низко почти никогда не получается из-за изменений(разновидностей) в напряжении полуячейки электродкожего интерфейса. Чтобы быть способным решить о клинической смерти, эквивалентный входной шум выравнивается ниже чем 2 микро; Vp-p в полосе пропускания 0.1 - 30 Гц принудительны для клинических усилителей электроэнцефалограммы (Cooper и другие., 1969; Silverman и другие. 1969). Следовательно, целевое значение для эквивалентного входного шумового напряжения в этом изучении выбрано, чтобы быть 0.5 микро; Vrms в полосе пропускания 0.1 - 100 Гц. Эквивалентный входной шумовой поток меньше чем 5 pArms в полосе пропускания 0.1 - 100 Гц требуются, чтобы гарантировать, что только маленькое количество шума добавляется с типичными электродкожими импедансами (полный эквивалент вводит шумовое напряжение, 0.6 микро; Vrms в полосе пропускания 0.1 - 100 Гц с электродкожими импедансами 50 k).
Во многой многоканальной регистрации различия сигнала между каждым из измеряющих электродов и общего(обычного) напряжения ссылки(рекомендации) измерены (монополярная регистрация). Это напряжение ссылки(рекомендации) иногда получается из одного электрода, но часто среднее напряжение от два (электроэнцефалограмма) или три электрода (кардиограмма) используется (Кларк, 1978; Geddes и Пекарь, 1975). Эти конфигурации измерения нужно рассмотреть(счесть) при проектировании многоканального усилителя. Маленькие измерения важны по нескольким причинам. Очевидно, что маленькие измерения дадут возможность модулю усилителя использоваться во всех видах переносных и размерах(измерениях) телеметрии, но небольшой размер усилителя также уменьшает емкость между усилителем и его средой в изолированной установке усилителя. Сокращение этой емкости понижает общее(обычное) напряжение режима, какое напряжение является одной из основных причин для вмешательства (Metting фургон Rijn и другие., в нажимают).
Минимальная потребляемая мощность важна, потому что это позволяет маленьким размерным батареям использоваться как электропитание. Это - конечно основа, если модуль усилителя используется в амбулаторной регистрации, но может представить немного важных преимуществ в постоянных системах измерения также. В системе, которая включена поставкой главных при помощи трансформатора изоляции, большинство емкости поперек барьера изоляции обычно вызывается электропитанием (Metting фургон Rijn и другие., в нажимают). Маленький усилитель c батарейным питанием может быть разработан(предназначен), чтобы иметь очень маленькую емкость к среде, приводя к низкому общему(обычному) напряжению режима. Другое преимущество - очень улучшенная безопасность, потому что нет никакого высокого подарка(настоящего) напряжений в CAB-файле усилителя. Наконец, батареи поставляют "очень чистое" напряжение поставки, которое является существенным для низко-шумовой операции (Motchenbacher и Fitchen, 1972). Напряжения поставки главных часто загрязняются с большим высокочастотным вмешательством (выбросы).
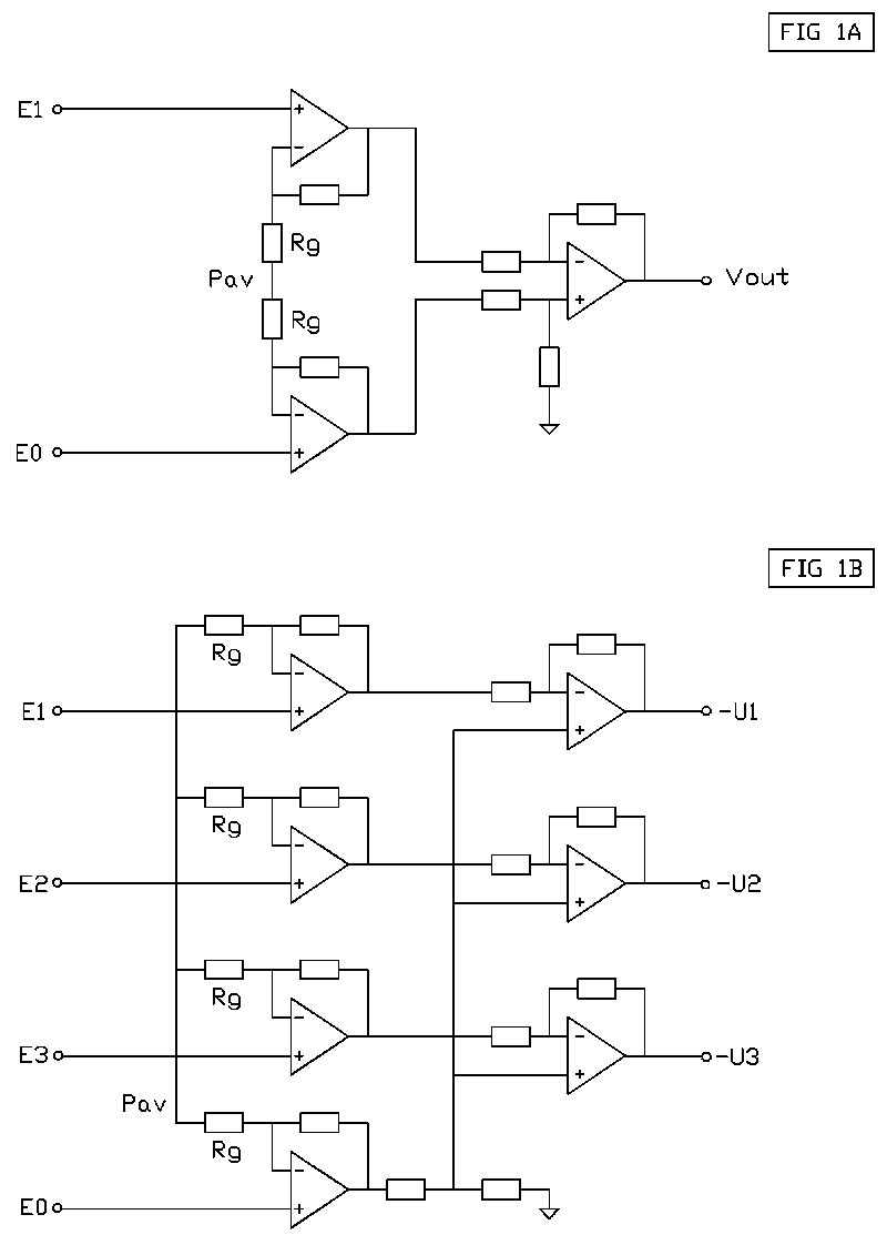
Перед концентрацией на многоканальных усилителях поучительно делать обзор почти универсально используемого контрольно-измерительного усилителя с тремя эксплуатационными усилителями, изображенными в рис. 1A (Tobey и але ., 1971). Преимущества схемы:
- Увеличение дифференциального режима сообщает в первой стадии (выгода(увеличение) 20 децибелов или больше), который делает шумовые содействия(вклады) из последующего усилителя, организует незначащий (Motchenbacher и Fitchen, 1972).
- Никакое увеличение общего(обычного) режима не сообщает в первой стадии усилителя. Эта особенность позволяет обработать общие(обычные) напряжения режима почти столь же высоко как напряжение поставки и достигать высокого общего(обычного) отношения(коэффициента) отклонения режима без потребности в точной подстройке резистора (Wong и Ott, 1976).
- Высокий и равный общий(обычный) режим вводит импеданс для обоих вводов. Это - важная собственность как различия в электродкожем импедансе, и/или общие(обычные) импедансы ввода режима конвертируют(преобразовывают) общее(обычное) напряжение режима в дифференциальное напряжение режима; это явление известно как "потенциальный эффект делителя" (Pacela, 1967; Huhta и Вебстер, 1973).

Рис. 1: (a) Контрольно-измерительный усилитель с тремя эксплуатационными усилителями. Биомедицинские усилители обычно основаны на этом проекте. Напряжение в пункте(точке) Pav равно общему(обычному) напряжению режима. (b) Многоканальный контрольно-измерительный усилитель с эксплуатационными усилителями. Схема - расширение(продление) трех инструментальных схем усилителя рис. 1A, и его благоприятные свойства сохраняются.
Три инструментальных схемы усилителя, будучи широко доступный как единственная(отдельная) монолитная или гибридная ИС, являются привлекательным выбором как стандартный блок для многоканального усилителя (Сразил и другие., 1987), когда это используется как независимый контрольно-измерительный усилитель с его собственной парой измеряющих электродов (биполярная регистрация). Однако, когда потенциальное различие между множеством электродов и общим(обычным) электродом ссылки(рекомендации) должно быть измерено (монополярная регистрация, например клиническая кардиограмма и размеры(измерения) электроэнцефалограммы), три инструментальных схемы усилителя не оптимальны. Это соблазняет, чтобы связать несколько вводов усилителя, чтобы получить общий(обычный) ввод ссылки(рекомендации). Однако, этот метод вводит различия в общем(обычном) импедансе ввода режима между вводом ссылки(рекомендации) и другим (не связанный) вводы, приводящие к увеличению вмешательства из-за "потенциального эффекта делителя" (Metting фургон Rijn и другие., в нажимают). Включение буферного усилителя при вводе ссылки(рекомендации) может предотвратить деградацию общего(обычного) импеданса ввода режима, но добавит дополнительный шум к входным сигналам, которые не усилены в этом пункте(точке). Многоканальную установку усилителя без этих недостатков(препятствий) показывают в рис. 1B. Это - в основном расширение(продление) трех инструментальных конфигураций усилителя, и все благоприятные характеристики, упомянутые выше сохраняются (O'Brien и другие., 1983). Каждый входной сигнал усилен относительно напряжения в пункте(точке) Pav, какое напряжение является равным среднему числу входных напряжений (= общее(обычное) напряжение режима). Обратите внимание, что все вводы усилителя равны. Для практического биомедицинского использования схема закончена с соответствующим высоким проходом и фильтрацией низкого прохода, охрана схем и управляемой правой схемы участка маршрута. 4. Биомедицинские усилители с дискретными входными стадиями В существующем изучении, цель состояла в том, чтобы разработать миниатюрную многоканальную аналоговую переднюю часть с оптимальными шумовыми свойствами и минимальной потребляемой мощностью. Спецификации были основаны на рассмотрениях(соображениях), данных в Секции 2 и перечислены в первом столбце Таблицы 1. Проект должен был быть подходящий, чтобы быть изготовленным с толстопленочными промышленными методами, который предлагает более высокую надежность и намного меньшие измерения чем напечатанные методы продукции монтажной схемы (Sergent, 1981).
Таблица I: спецификации модуля Усилителя.
| Параметр | Цель | Рис. 3 Проекта § |
| Эквивалентное входное шумовое напряжение (µVrms, 0.1 - 100 Гц) | <0.5 | 0.35 |
| Эквивалентный входной шумовой поток (pArms, 0.1 - 100 Гц) | <5 | 4 |
| Полоса пропускания +0,-3 децибела (Гц) | 0.16-100 | 0.16-100 |
| Дифференциальный диапазон ввода режима DC (милливольт) | > 150 | 190 |
| Дифференциальный аккумулятор режима вводит диапазон (mvp-p) | > 20 | 25 |
| Общий(Обычный) диапазон ввода режима (Vp-p) | > 2 | 2.5 |
| Входной поток смещения (nA во ввод) | <50 | 23 +/-5 |
| Выгода(Увеличение): 500 500 - дифференциальный режим вводит импеданс (Mohm в 50 Гц) | > 10 | > 15 |
| Общий(Обычный) импеданс ввода режима: с неэкранированными входными выводами (Mohm в 50 Гц) | > 100 | 250 |
| Общий(Обычный) импеданс ввода режима: с охраняемыми входными выводами (М. ом в 50 Гц) (кабельная емкость - 330 pF) | > 100 | 200 |
| Общее(Обычное) Отношение(Коэффициент) Отклонения Режима (децибел в 50 Гц) | > 80 | 91 +/-5 |
| потребляемая мощность (мВт в канал) | <1 | 0.6 |
Проект усилителя, показанный в рис. 1B казался привлекательным из-за его простоты. Однако, с этой схемой оказалось невозможно достигнуть желательной комбинации низкого шума и потребления малой мощности. Это может быть рассчитано (см. Приложение A1 и A2), что это является возможным в теории превзойти наши спецификации (Таблица 1) с потребляемой мощностью 10 - в 100 раз ниже чем предлагаемый в настоящее время доступными низко-шумовыми эксплуатационными усилителями. Относительно высокая потребляемая мощность инструментальных усилителей происходит главным образом из-за расширенной(продленной) полосы пропускания, которая однако является лишней для большинства физиологических приложений. Когда программируемые инструментальные усилители используются, они могут быть откорректированы для маленькой полосы пропускания и потребления малой мощности, но ни одно из этих устройств не имеет приемлемый шумовой уровень. Поэтому многоканальный контрольно-измерительный усилитель с дискретной входной стадией был разработан. Входная стадия, основанная на дискретных компонентах может предложить немного важных преимуществ: лучшие дискретные транзисторы превосходят входные транзисторы в ИС инструментальных усилителях (Нельсон, 1980), и увеличенная свобода проекта позволяет входной стадии быть оптимизированной для биомедицинских приложений. В следующей секции версия с одним каналом усилителя описана. Кроме того, новое понятие(концепция) чтобы разворачивать один усилитель оснащения аппаратурой канала до большего количества каналов было разработано. Заканчивающийся многоканальный проект, который использовался в толстопленочных модулях, описан в секции 6.
5. КОНТРОЛЬНО-ИЗМЕРИТЕЛЬНЫЙ УСИЛИТЕЛЬ С ОДНИМ КАНАЛОМ ДЛЯ BIOELECTRIC РЕГИСТРАЦИИБыл уже опыт, собранный с предварительно разработанным контрольно-измерительным усилителем с одним каналом (Hamstra и другие., 1984), Начинающийся с того проекта усилитель, который встретил(выполнил) более серьезные спецификации, был разработан. Схему показывают в рис. 2:

Рис. 2: Упрощенное схемное решение контрольно-измерительного усилителя для биомедицинских приложений. Комбинация низкого шума и потребления очень малой мощности достигнута при помощи дискретных транзисторов во входной стадии.
Входная стадия основана на известной текущей схеме усилителя равновесия (Wong и Ott, 1976; Граем, 1977) с текущими источниками T3 и T4, заменяющим общий(обычный) резистор эммитера входных транзисторов. Высокая проводимость вывода этих текущих источников обеспечивает очень высокий общий(обычный) импеданс ввода режима. Смещение T3 установлено, T4 - часть схемы обратной связи. Во второй стадии инструментальные усилители используются, чтобы сохранить номер частей низко. Программируемые инструментальные используемые усилители (LM4250, национальный Полупроводник) могут быть установлены для потребления очень малой мощности, в то время как их довольно высокий шум не неприятен из-за увеличения в первой стадии усилителя. Эксплуатационный усилитель "электрогитара(ампер)" производит несимметричный вывод. инструментальные усилители "электрогитара(ампер) B" и "электрогитара(ампер) C" регулируют сигнал обратной связи. Проект использует(нанимает) "текущую обратную связь" методика, которая предлагает высоко общее(обычное) отношение(коэффициент) отклонения режима, без потребности в очень точном соответствии резистора. Эксплуатационный усилитель "электрогитара(ампер) C" используется как интегратор, чтобы обеспечить максимальную обратную связь для напряжений ввода СИСТЕМЫ ЦИФРОВОГО УПРАВЛЕНИЯ. Подавление СИСТЕМЫ ЦИФРОВОГО УПРАВЛЕНИЯ без потребности в больших конденсаторах достигнуто с этой схемой (конденсаторы больший, чем 100 nF трудны примениться(обратиться) с толстопленочными промышленными методами).
Взвешенные характеристики работы(выполнения) проекта рис. 2 перечислены в Таблице 1, втором столбце. Когда высококачественные резисторы (с низким дополнительным-шумовым уровнем, см., что Приложение A2) используется, эквивалентное входное шумовое напряжение определено шумовыми выстрелом потоками этих четырех транзисторов во входной стадии только. С использованием высококачественных транзисторов (LM194, национальный Полупроводник) компромисс между низким шумом, потреблением малой мощности, диапазон ввода СИСТЕМЫ ЦИФРОВОГО УПРАВЛЕНИЯ и дифференциальный импеданс ввода режима были получены превосходящими входной стадии, сделанной с эксплуатационными усилителями. Детальное описание того, как находить лучшее равновесие между различными спецификациями дается в Приложении A1.
Когда схема, описанная в Секции 5 должна использоваться в многоканальном усилителе для монополярной регистрации, снова не желательно связать вводы множества независимых контрольно-измерительных усилителей. Ситуация сопоставима с той в Секции 3; схема самого усилителя должна быть приспособлена к многоканальному использованию. Мы разработали нетрадиционный метод развернуть проект до большего количества каналов. В нашей многоканальной версии, ни одна из хороших спецификаций одного проекта канала не компрометирована. Путем расширение(продление) на большее количество каналов было достигнуто, показывается для n=2 в рис. 3 (n = номер каналов).

Рис. 3: Упрощенное схемное решение многоканального контрольно-измерительного усилителя с дискретными транзисторами во входной стадии. Схема основана на проекте с одним каналом рис. 2. Усилитель оборудован Охраной и Управляемыми Правыми схемами Участка маршрута и дополнительной стадией ввода Смысла см.
Операция схемы легко понята, когда поведение схемы исследовано с тем же самым (общий(обычный) режим), сигнал применил ко всем вводы. В этом случае (аккумулятор) потоки во всех секциях равны и нет никакого напряжения поперек резисторов Rg, которые связывают секции. Поскольку нет никаких потенциальных различий между вводами инструментальных усилителей "электрогитара(ампер)", все инструментальные усилители будут иметь нулевой сигнал вывода.
Когда дифференциальные сигналы ввода режима (сигналы при измеряющих вводах относительно ввода ссылки(рекомендации)) добавляются к общему(обычному) сигналу режима, напряжение в пункте(точке) Pav будет равно среднему входному сигналу (= общий(обычный) сигнал ввода режима). Соединяющийся пункт(точка) Pav в рис. 3 подобен в этом аспекте резистору, соединяющему пункт(точку) Pav в проекте с эксплуатационными усилителями, видеть рис. 1B. Однако, дифференциальные сигналы ввода режима производят различия в потоках между секциями. Эти различия в потоке производят потенциальные различия между вводами инструментальных усилителей "электрогитара(ампер)", и следовательно каждый эксплуатационный усилитель будет иметь напряжение вывода пропорциональным напряжению между электродом ссылки(рекомендации) (ввести E0) и передача, измеряющая электрод (вводит E1 или E2).
Проект - многоканальный контрольно-измерительный усилитель для монополярных размеров(измерений): усилитель имеет тот, инвертирующий (ссылку(рекомендацию)) ввод и множество вводов неинвертирования. Все важные характеристики многоканального контрольно-измерительного усилителя с эксплуатационными усилителями (рис. 1B) - никакое увеличение общих(обычных) сигналов режима во входной стадии, увеличение дифференциальных сигналов режима во входной стадии и равных общих(обычных) импедансах ввода режима для всех вводов - также присутствуют в проекте, изображенном в рис. 3.
Взвешенные характеристики многоканального проекта те же самые как характеристики усилителя с одним каналом с дискретной входной стадией (см. Таблицу 1). Когда по сравнению с n независимыми усилителями с одним каналом (рис. 2), многоканальный проект рис. 3 предлагает значительное сокращение номера частей, в то время как потребляемая мощность уменьшена приблизительно на 40 %. Средства включены для операции с меньше чем n каналами. Схема, описанная выше не функционирует должным образом в случае один или более ужасно функционирующие электроды, потому что соответствующие входные секции влияют на напряжение в пункте(точке) Pav. Поэтому, дополнительная входная секция добавлялась (секция смысла СМ, видеть рис. 3), который обеспечивает возможность использовать усилитель двумя способами (примечание: n - номер каналов в модуле, x - номер каналов, который используется в регистрации):
- Выключатель в режиме "n каналы", нормальный режим операции. x+1 электроды, измеряющие x каналы с x=n (n измеряющие электроды и 1 электрод ссылки(рекомендации)). Соединяющийся пункт(точка) Pav управляется транзисторами ввода n+1, и напряжение в этом пункте(точке) - среднее число входных напряжений (= общее(обычное) напряжение режима). Ввод Смысла см и соответствующая секция усилителя не используются.
- Выключатель в режиме "x каналы", дополнительный режим операции. x+2 электроды, измеряющие x каналы с x <n (x измеряющие электроды, электрод ссылки(рекомендации) и электрод Смысла см). "Среднее число" напряжений вводов (= общее(обычное) напряжение режима) получено дополнительным электродом Смысла см и дополнительной входной секцией. Версия низкого импеданса сигнала ввода Смысла см используется, чтобы управлять соединяющимся пунктом(точкой) Pav. При действии в этом режиме, напряжение в пункте(точке) Pav не управляется ссылкой(рекомендацией) и измеряющий входные сигналы. Поэтому, ссылка(рекомендация) и измеряющие секции могут все работать независимо. Номер используемых электродов может быть выбран свободно, и работа со сбоями одного из электродов не будет влиять на сигналы, полученные другими электродами. Недостаток(препятствие) этого режима операции - то оптимальное общее(обычное) сокращение режима, достигнут, только если электрод Смысла см измеряет фактический средний входной сигнал, который никогда не будет иметь место. Практически это приводит - небольшой - сокращение CMRR. Оптимальное местоположение для электрода Смысла см вообще будет где-нибудь в центре области(региона) измерения.
Это было испытано, что некоторые пункты(точки) нуждаются в специальном внимании, если проект с одним каналом (рис. 2) должен быть расширен в многоканальный проект (рис. 3).
В одном усилителе оснащения аппаратурой канала два входных транзистора могут быть выбраны как монолитная пара, которая гарантирует хорошее соответствие (высоко общее(обычное) отношение(коэффициент) отклонения режима) и хороший трэкинг этих двух транзисторов с температурой (низко дрейф). Многоканальный проект (рис. 3) нуждается в n+1, соответствовал(согласовал) массиву транзистора (n - номер каналов в модуле), который в настоящее время не доступен в необходимом интервале изменения качества. Однако, соответствие между различными(wотличными) LM194 парами оказалось достаточно хорошим, чтобы гарантировать общее(обычное) отношение(коэффициент) отклонения режима не менее 86 децибелов (приблизительно 10 децибелов меньше чем возможный с монолитной согласованной парой). Использование толстопленочной методики помогает уменьшать температурные различия между различными(wотличными) парами транзистора, потому что керамическая подложка, на которой все части установлены, имеет очень хорошую теплоту, проводящую свойства. Кроме того, все транзисторы расположены близко друг к другу в толстопленочном размещении (см. рис. 4). Кроме того, напряжения смещения, произведенные температурными градиентами отменены усилителями схема подавления СИСТЕМЫ ЦИФРОВОГО УПРАВЛЕНИЯ. Дополнительный буфер (эксплуатационный усилитель "электрогитара(ампер) R" в рис. 3) включен в секцию ссылки(рекомендации), чтобы предотвратить различия в потоках смещения, чтобы произойти в индивидуальных секциях и предотвращать загрузку секции ссылки(рекомендации) большим количеством связанных инструментальных вводов усилителя. Иначе, неустойчивость, введенная(представленная) в схеме уменьшила бы общее(обычное) отношение(коэффициент) отклонения режима. Дополнительный буфер гарантирует равенство общих(обычных) потоков режима во всех секциях, в то время как шумовое содействие(вклад) является незначащим, потому что (дифференциальный режим) сигналы уже усилены больше чем 20 децибелов в пункте(точке), где буфер включен в схему.
Толстопленочный модуль (60x40x7mm) был разработан, который содержит 8 версий канала усилителя, описанного выше, вместе с мультиплексором (см. рис. 4). Шумовой спектр одного из модулей прототипа дается в рис. 5. Должно быть отмечено, что 1/f частота угла - приблизительно 1 Гц, который является значительным ниже чем предлагаемый в настоящее время доступными низкими шумовыми эксплуатационными усилителями (промышленный стандарт OP27 (PMI), низкий шумовой эксплуатационный усилитель имеет 1/f частоту угла 2.7 Гц). Из-за исключительно низкого 1/f шума входных транзисторов (LM194, частота угла <0.1 Гц), 1/f частота угла модулей определен дополнительным шумом резисторов (см. Приложение A2). Использование очень высококачественных тонкопленочных резисторов чипа (Reinhardt Microtech AG, моделируйте URA), оказалось, был существенным в достижении низкого шума.
Два или четыре модуля могут быть соединены, чтобы делать 16 или 32 системы канала с одним мультиплексным выводом. Больше модулей может быть соединено, но внутренний мультиплексор может только обработать до 32 каналов. Смысл см и вводы ссылки(рекомендации) могут использоваться в различных(wотличных) конфигурациях, чтобы получить альтернативные выборы ссылки(рекомендации). Например: с двумя модулями, 16 передних частей кардиограммы канала со стандартом Wilson Центральный Терминал (WCT) ссылка(рекомендация) (Wilson и другие., 1934) может быть сформирован. Охрана и управляемые правые схемы участка маршрута в каждом модуле гарантируют, что вмешательство главных ниже чем шумовой уровень усилителя в почти любой ситуации. Модуль (8 каналов с мультиплексором, 40 мВт) использует в течение 48 часов по двум стандартам 9 V радио-батарей (110 mAh каждый). Несколько модулей были изготовлены толстопленочной промышленной фирмой. Модули станут коммерчески доступными, как только текущая программа оценки была закончена.
- Almasi, J. J., and Schmitt, O. H.
- (1970) Systemic and random variations of ECG electrode impedance. Ann. N. Y. Acad. Sci., 170, 509-519
- Clark J. W.
- (1978) The origin of biopotentials, in "Medical instrumentation: application and design" (editor: Webster, J. G.). Houghton Mifflin Co., Boston, 184-207.
- Cooper, R., Osselton, J. W. and Shaw, J. C.
- (1969) EEG Technology. Butterworth, London, 14-22. Duff, T. A. (1980) Topography of scalp recorded potentials by stimulation of the digits. Electroenceph. clin. Neurophysiol., 49, 452-460
- Duffy, F. H.
- (1982) Topographic display of evoked potentials: clinical applications of brain electrical activity mapping (BEAM). Evoked potentials
- Ann. N. Y. Acad.
- Sci., 388, 183-196.
- Geddes L. A.
- (1972) Electrodes and the measurements of bioelectric events. John Wiley & Sons, New York, 44-94.
- Geddes, L. A. and Baker, L. E.
- (1975) Principles of applied biomedical instrumentation, John Wiley & Sons, New York, 447-487.
- Graeme, J. G. (1977)
- Designing with operational amplifiers: application alternatives. McGraw-Hill, New York, 31-35.
- Grimnes, S.
- (1983) Impedance measurements of individual skin surface electrodes. Med. & Biol. Eng. & Comp., 21, 750-755.
- Gruzelier, J. D., Liddiard, D., Davis, L. and Wilson, L.
- (1988) Topographic mapping of electrocortical activity in schizophrenia during directed nonfocussed attention recognition memory and motor programming, in "Functional brain imaging" (editors: Pfurtscheller, G., and Lopez da Silva, F. H.).
- Hans Huber
- Publishers Inc., Lewiston NY, 181-186.
- Hamstra G. H., Peper, A. and Grimbergen, C. A.
- (1984) Low-power, low-noise instrumentation amplifier for physiological signals. Med. & Biol. Eng. & Comp., 22, 272-274.
- Huhta, J. C., Webster, J. G.
- (1973) 60-Hz interference in electro-cardiography. IEEE Trans. Biom. Eng., BME-20, 91-101.
- Metting van Rijn, A. C., Peper, A. and Grimbergen, C. A.
- (in press) High quality recording of bioelectric events. I: interference reduction, theory and practice. Med. & Biol. Eng. & Comput., in press.
- Morrison, R.
- (1977) Grounding and shielding techniques in instrumentation. John Wiley & Sons, New York, 132-133.
- Motchenbacher, C. D. and Fitchen, F. C.
- (1972) Low-noise electronic design. John Wiley & Sons, New York, 37-38, 182, 206-216.
- Nelson, C. T.
- (1980) Supermatched bipolar transistors improve DC and AC designs. EDN, january 5, 115-120.
- O'Brien, M.J., van Eykern, L. A., and Prechtl, H.F.R.
- (1983) Monitoring respiratory activity in infants, a non intrusive diaphragm EMG technique, in "non-invasive measurements: 2" (editor: Rolfe, P.). Academic Press Inc., London, 131-177. Pacela, A. F. (1967) Collecting the body's signals. Electronics, 40, no. 14, 103-112.
- Reek E. J., Grimbergen, C. A. and van Oosterom, A.
- (1984) A low-cost 64 channel microcomputer based data acquisition system for bedside registration of body surface maps. Proc. 11th Int. Congr. Electrocardiol., Caen, France, July 17-20, 37-38.
- Rosell, J., Colominas, J., Riu, P., Pallas-Areny, R. and Webster, J. G.
- (1988) Skin impedance from 1 Hz to 1 MHz. IEEE Trans. Biom. Eng., BME-35, 649-651.
- Sergent, J. E.
- (1981) Understanding the basics of thick-film technology. EDN, october 14, 341-349.
- Silverman, D., Masland, R. L., Saunders, M. G. and Schwab, R. S.
- (1969) Minimal electroencephalographic recording techniques in suspected cerebral death. Electroenceph. clin. Neurophysiol., 29, 731-732.
- Smit, H. W., Verton K. and Grimbergen, C. A.
- (1987) A low-cost multichannel preamplifier for physiological signals. IEEE Trans. Biom. Eng., BME-34, 307-310.
- Spekhorst, H., SippensGroenewegen, A.
- (1990) Body surface mapping during percutaneous transluminal corony angioplasty: QRS changes indicating regional conduction delay. Circulation, 81, 840 - 849.
- Tobey, G. E., Graeme, J. G. and Huelsman, L. P.
- (1971) Operational amplifiers: design and applications. McGraw-Hill, New York, 205-207.
- Wilson, N. F., Johnston, F.E., Macleod, A.G. and Barker, P.S.
- (1934) Electrocardiograms that represent the potential variations of a single electrode. Amer. Heart J., 9, 447-458.
- Winter, B. B. and Webster, J. G.
- (1983) Driven-right-leg circuit design. IEEE Trans. Biom. Eng., BME-30, 62-66. Wong, Y. G. and Ott, W. E. (1976) Functional circuits: design and applications. McGraw-Hill, New York, 42-45.






