Зызюк А. Г.
Радиоаматор, 2, 2006
Роль простых усилителей на практике сложно переоценить. Особую ценность представляют собой такие схемы, которые обладают практически стопроцентной повторяемостью, несложны схемотехнически и собраны фактически из бросовых деталей, а также не требуют наладки. В статье описаны конструкции, повторить которые сможет любой радиолюбитель, имеющий минимальный навык в изготовлении усилителей.
Однажды автору потребовалось умощнить выход измерительного генератора ГЗ-120. Генераторы ГЗ-120 рассчитаны на работу с нагрузкой 600 Ом. Владелец генератора ГЗ-120 настойчиво просил изготовить несложный схемотехнически усилитель мощности, который бы нормально функционировал на нагрузке 50 Ом в частотном диапазоне до 1 МГц, обеспечивая максимальное выходное напряжение хотя бы до 4 В (эффективное значение) без видимых на экране осциллографа искажений формы сигнала. Конструкция усилителя не должна содержать дефицитных или дорогостоящих зарубежных комплектующих. Необходимо было предусмотреть работу усилителя от имеющегося у владельца стабилизатора напряжения (СН) на 15 В, который собран на дискретных элементах и имеет защиту с ограничением тока в нагрузке. Задача показалась предельно простой, поэтому сразу взялись за практическое воплощение.
Выполнение этой задачи не должно было встретить каких либо осложнений вообще. От операционных усилителей (ОУ) решено было отказаться из-за работы ОУ на низкое сопротивление нагрузки, поскольку выход ОУ, опять же, придется умощнять. К тому же, среди недефицитных отечественных ОУ найдется совсем немного таких, которые способны устойчиво работать в столь широкой полосе частот в режиме большого сигнала, не говоря уже о работе на реактивную нагрузку при пониженном питающем напряжении.

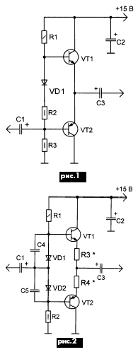
Поскольку поставленная задача предполагала схемотехническую простоту, то первоначально было решено остановиться на схеме, показанной на рис.1. Транзистор VТ1 типа КТ815В, VТ2 – КТ814В, диоды VD1, VD2 – Д223, резисторы R1, R3 сопротивлением 2 кОм, R2 – 68 кОм, конденсатор С1 емкостью 22 мкФ х 40 В, С2, С3 – 1000 мкФ х 25 В. В таком виде схема встречалась автору в нескольких разных изданиях (книгах и журналах), причем без каких-либо схемотехнических изменений. Да и какой сюрприз может ожидать в такой простой схеме, ведь она практически работает? Но одна ошибка в этой схеме из книги [1, с.273] перекочевала и в журнал [2]. Дело в том, что с номиналом резистора R2, равным 68 кОм, согласно [1] или [2], схема обладает преждевременным ограничением (срезом) положительной полуволны выходного сигнала.
Иными словами, БУ неодинаково усиливает отрицательную и положительную полуволны синусоиды. Без видимых на экране осциллографа искажений выходной сигнал БУ возможен только до напряжения не более 2,3 В (действующее значение). Каждый транзистор должен иметь свой отдельный теплоотвод с охлаждающей поверхностью 20 см2. При питающем напряжении (Uпит) 15 В ток покоя (Iпок) достигает 270 мА. Зависимость тока покоя от напряжения питания приведена в таблице.
| Uпит, В | 15 | 11 | 8 | 6 | 3,5 |
| Iпок, А | 0,27 | 0,2 | 0,15 | 0,1 | 0,05 |
Увеличить предельное значение выходного напряжения, при котором еще отсутствуют искажения формы сигнала, можно за счет симметрирования плеч данного двухтактного БУ. Для этого номинал резистора R2 уменьшают более чем в 200 раз! Этот резистор (330 Ом) подбирают исходя из достижения максимальной амплитуды положительной полуволны выходного сигнала БУ при оптимальном (минимально возможном) значении Iпок.
Установка резистора 330 Ом автоматически увеличивает Uвых.макс БУ до 3 В и снижает Iпок более чем в два раза – он теперь равен всего лишь 125 мА при Uпит=15 В. В таком варианте цепи смещения изломы синусоиды на выходе БУ наблюдаются только на частотах более 1,5 МГц и при Rн<200 Ом. При частоте 1,5 МГц и Rн=300 Ом эти искажения на экране осциллографа уже незаметны.
Не следует забывать о том, что в рассматриваемых БУ используются низкочастотные транзисторы с небольшой граничной частотой (Fгр=3 МГц). Фактически их используют по максимуму. В этом-то и заключается “изюминка” полученного результата.
Используя ВЧ и СВЧ транзисторы, можно добиться улучшения характеристик БУ. Однако здесь появляются свои нюансы, связанные с особенностями ВЧ монтажа, самовозбуждением ВЧ транзисторов, добавлением и подбором новых элементов в схеме БУ. НЧ транзисторы хороши тем, что ведут себя в этой схеме весьма устойчиво. ВЧ иСВЧ транзисторы следует использоватьлишь тогда, когда без них невозможно обойтись. Многие радиолюбители начинают работать с зарубежной элементной базой,сталкиваясь именно с вышеуказанными проблемами, для успешной борьбы с которымитребуется своя специфика.
Дальнейшего улучшения параметров БУ удалось достичь совершенствованием схемцепей смещения транзисторов. Последующий шаг в этом направлении представлен схемой БУ, показанной на рис.2. Резистор R2 (рис.1) заменен диодом VD2. Кроме того, в схему нового БУ дополнительно включены конденсаторы С4 и С5.
Несущественными и малоэффективными такие изменения могут показаться только на первый взгляд. Дело в том, что цепь смещения транзисторов должна выполнять не одну только функцию формирования стабильного напряжения смещения. В данном случае имеем дело с очень простым, но чрезвычайно важным генератором напряжения в схеме БУ. Эта схема должна обеспечивать быстрое переключение транзисторови обладать минимальным внутренним сопротивлением как на постоянном, так и напеременном токе. Все перечисленное должно обеспечиваться во всем рабочем диапазоне частот БУ. Длительное время на упомянутые обстоятельства практически не обращали внимания. И только за последние годы ситуация изменилась в лучшую сторону.
Наличие двух диодов приводит также кулучшению термостабильности режима работы по постоянному току (тока покоя) БУ.Даже без применения конденсаторов С4 иС5 этот БУ обеспечивает неискаженнуюформу синусоиды уже при 3,4 В (действ.) всравнении с модернизированной схемойБУ рис.1 (для R2=330 Ом) и Uвых.макс=3 В.Казалось бы, преимущество не столь значительное, но в схеме рис.2 Iпок равен всеголишь 45 мА! Сопротивление нагрузки в обоих вариантах БУ 50 Ом.
Теперь, пожалуй, еще об одном оченьважном и интересном, а главное – весьмаценном с практической точки зрения вопросе. Шунтирование диодов конденсаторами С4 и С5 позволило получить неискаженную форму синусоиды Uвых.макс напряжением 5 В (эффективное значение). При С4=С5=0,47 мкФ Uвыхмакс=5 В при частоте более 200 Гц (Rн=50 Ом).
Для работы БУ на более низких частотах емкости С4 и С5 необходимо увеличить.Для неискаженного усиления на более высоких частотах (до 1 МГц) конденсаторы С4и С5 должны быть качественными. Такиеконденсаторы, как, например МБМ, уже неподходят. В крайнем случае, можно применять и МБМ (например, 1 мкФ х 160 В), иКМБП (1 мкФ х 30 В), и К73П 3 (1 мкФ х 160 В),зашунтированные ВЧ конденсаторами меньшей емкости, например керамическими К107 или К10 17. Емкость шунтирующего конденсатора в данном случае не должна бытьменьше 0,1 мкФ. Связано такое ограничение с тем, что у бумажных конденсаторов,особенно после длительной и интенсивнойэксплуатации, значительно ухудшаются некоторые параметры.
Даже для новых бумажных конденсаторов предельная рабочая частота не должна превышать 1…1,5 МГц. Хорошие результаты получаются и с пленочными К73-17 1 мкФ х 63…250 В. При работе БУ только наультразвуковых частотах емкость С4 и С5можно и уменьшить, а электролитическийконденсатор С1 в таких условиях работыисключают вообще.
В качестве С4 и С5 применялись такжеэлектролитические конденсаторы. Следуетотметить, что в рассматриваемых условиях,когда конденсатор зашунтирован низкоомным резистором или диодом, всевозможные искажения электролитических конденсаторов минимизированы. Более того, дажеуже сама фиксация (стабилизация) разностипотенциалов на обкладках электролитического конденсатора способствует уменьшению искажений этих конденсаторов.

При работе БУ на НЧ и на ВЧ, т.е. в широком диапазоне частот, схему смещения БУ выполняют согласно рис.3. Здесь вместодвух конденсаторов С4 и С5 (рис.2) установлен всего один конденсатор С4. Параллельно ему включен электролитический конденсатор С5, минимизирующий искажениясинусоиды на НЧ. В качестве конденсатораС1 следует применять экземпляр с минимальной утечкой, например К53-18.
Перед установкой в конструкцию все конденсаторы следует проверить не только наутечку, но и на величину паразитного эквивалентного последовательного сопротивления (ЭПС, в английской аббревиатуре – ЕSК). В первую очередь, сказанное относится к конденсаторам С2 и С3, т.е. в к темместам, где требуется обеспечить протекание максимального тока при максимальнойрабочей частоте с минимальными потерямимощности. В таких случаях наиболее важнознать величину ЭПС.
Детали, примененные в схеме рис.2.Транзисторы разные, как по мощности, таки по частоте. Без каких либо изменений использовались транзисторы КТ816 и КТ817,КТ850 и КТ851, КТ805 и КТ837, КТ819 иКТ818 в пластмассовых корпусах (для уменьшения габаритов БУ). От параметров транзисторов зависят параметры БУ, его АЧХ,выходное сопротивление и, конечно же, искажения.
Сильное влияние на характеристики БУоказывает выходное сопротивление схемыраскачки БУ. С генератором ГЗ-120 БУ работает весьма прилично, поскольку выходное сопротивление ГЗ-120 для синусоидального сигнала составляет 600 Ом. В такомслучае БУ способен работать и на болеенизкоомную нагрузку, вплоть до 8 Ом.
Для обеспечения работы БУ с минимальными искажениями, транзисторы подбирались в пары по усилению на постоянном токе (h21э=50…100 и более при Iк=50…500 мА). У отечественных транзисторов последних лет выпуска встречается огромный разброс по h21э, от нескольких десятков до нескольких сотен. Многие радиолюбители однозначно относят транзисторы с большимзначением h21эк разряду явной некондиции.
Но, не спешите с окончательным решением. Воспользуйтесь измерителем h21эи убедитесь в том, что транзисторы обеспечивают необходимое усиление при максимальном рабочем токе коллектора. При использовании в мощных конструкциях транзисторы проверяют не только на уменьшениеh21эпри Iк.макс, но и отмечают изменениеh21эво всем диапазоне рабочих токов.Практика показывает, что грамотное использование транзисторов, h21экоторыхсильно изменяется при изменении Iк в 10раз, не приводит к отказам таких транзисторов, если соблюдены их ТУ.
Предпочтительнее применять такие транзисторы в линейных схемах блоков питанияи СН. В усилительных схемах лучше всего использовать экземпляры с самым стабильным h21э.В схеме рис.2 применены экземпляры с минимальной разницей и с максимальным значением h21э. Из партий современных транзисторов, таких, как КТ814 и КТ815, КТ816и КТ817, КТ818 и КТ819, КТ850 и КТ851,КТ864 и КТ865, КТ8101 и КТ8102, несложно подобрать и пары в БУ с h21эне менее100. В схеме рис.2 успешно применяли ималомощные транзисторы, такие, как КТ315и КТ361, КТ3102 и КТ3107, ВС549 и ВС557и многие другие. Однако в таких случаяхток покоя необходимо снижать в несколькораз, до 10…15 мА, чтобы транзисторы неперегревались и не выходили из строя. Приэтом либо повышают сопротивление нагрузки, либо снижают входное напряжениеБУ. Ток покоя уменьшают увеличением сопротивлений резисторов R1 и R2. При R1=R2=4,3 кОм ток покоя равен 20 мА.
Увеличение сопротивления этих резисторов повышает входное сопротивление БУ,но приводит к ухудшению частотных параметров БУ и увеличению искажений (при одинаковых Rн). Диоды VD1 и VD2 могутбыть любыми маломощными кремниевыми.Использовались диоды типов Д220, Д223,КД521, КД513, КД518, КД522 и другие.
В качестве С2 и С3 лучше использовать конденсаторы К50 29В, изначально имеющие малое значение ЭПС. Несмотря наэто, в широкополосном БУ (рис.2) их необходимо шунтировать неэлектролитическими (1 мкФ, К73 17), в противном случае навысоких частотах (0,3…1 МГц) искажения увеличатся настолько, что обязательно будут видны на экране осциллографа.
Практическое применение БУ
Широкое применение данный БУ находит приумощнении ОУ. Прекрасно подходит БУ и в качестве усилителя для головных телефонов. При ремонте взамен вышедшего изстроя штатного усилителя головных телефонов данный БУ выручал неоднократно,ведь ремонт не балует нас в отношении затраченного времени, и самыми ценными являются варианты, не требующие больших затрат времени и средств. Работает БУ и на громкоговорители.
Все зависит от конкретной задачи и исполнения БУ. Ограничение, связанное с небольшим входным сопротивлением (менее 1кОм) БУ, снимается применением генераторов стабильного тока, например, выполненных на полевых транзисторах, включенных по простейшей схеме – двухполюсником вместо резисторов, а также заменой выходных транзисторов составными. БУ, выполненный на маломощных КТ361 и КТ315 илина КТ3102 и КТ3107, применяют для видеоусилителей, а также в качестве БУ развязкидля ВЧ генераторов. Установка составных транзисторов на основе КТ973 и КТ972, а также более мощных КТ825 и КТ827 не приводит к значительному усложнению схемы.
Требуется всего лишь добавить в схему два диода, один из которых включен последовательно с диодом VD1, а второй – последовательно с VD2, и заново подобрать резисторы (увеличить их сопротивления) подтребуемый ток покоя БУ, т.е. теперь каждый из конденсаторов С4 и С5 шунтируетуже по два диода. Такие мощные БУ весьма универсальны в применении. Напряжение питания БУ определяется исходя из требуемой выходной мощности БУ.
Литература
- Алексенко А.Г. Применение прецизионных аналоговых микросхем. – М.: Радио и связь, 1985.
- Щербатюк В. Усилители звуковой частоты//Радиомир. – 2002. – №1.44 РА 2‘2006






