Простота, с которой можно создать оптронную гальваническую развязку между цепями, работающими при разных потенциалах земли, на самом деле обманчива. Оптроны питаются от изолированной цепи, и их переключение может быть относительно медленным и неопределенным из-за старения светодиодов. Существуют альтернативы оптронам, такие, например, как цифровые изоляторы компаний Analog Devices и Texas Instruments. В этой статье описан метод улучшения простой оптопары.
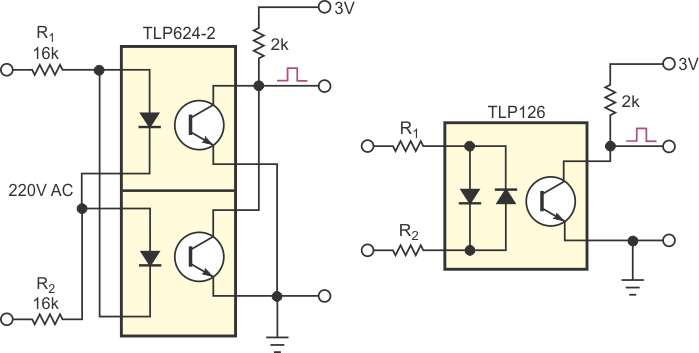
На Рисунке 1 показаны две популярные конструкции детекторов перехода сетевого напряжения через ноль. Попытка уменьшить мощность, потребляемую от изолированной цепи, за счет уменьшения тока светодиода оптопары путем соответствующего увеличения сопротивления его нагрузочного резистора приводит к более медленному и неопределенному переключению. Чтобы добиться более быстрого и четкого переключения, можно пожертвовать энергоэффективностью, однако польза от этой жертвы невелика из-за обратной зависимости между энергоэффективностью и величиной переменного напряжения.
Светодиод оптопары излучает практически непрерывно, причем в течение почти всего периода сетевой частоты его ток превышает номинальный, что приводит к низкой энергоэффективности и относительно быстрому старению оптрона. Еще одним недостатком является чрезмерно большая и практически неконтролируемая ошибка определения момента перехода через ноль, обусловленная зависимостью порога чувствительности схемы от параметров оптопары. Поэтому подход, показанный на Рисунке 1, нельзя назвать идеальным. Что касается эффективности, светодиоды, в зависимости от коэффициента передачи тока оптопары и амплитуды входного напряжения, могут потреблять от 5 до 100 мА.
Схема на Рисунке 2 решает проблемы чрезмерного энергопотребления, неуверенного переключения и старения светодиодов. Она хорошо подходит для широкого спектра приложений переменного тока. По сравнению со схемой на Рисунке 1, светодиод на Рисунке 2 излучает только в непосредственной близости от момента пересечения нуля и получает питание от предварительно заряженного конденсатора, так что средний ток потребления можно уменьшить в 10-100 раз. Схема также обеспечивает более быстрое, детерминированное и четкое переключение. Более того, мы можем ожидать более медленного старения светодиодов. Резисторами R1 и R2 на Рисунке 1 рассеивается мощность не менее 1.5 Вт, поэтому замена их на резисторы 0.1 Вт позволяет разместить дополнительные компоненты на той же площади печатной платы (Рисунок 2).
|  | |
| Рисунок 2. | Эта схема решает проблемы чрезмерного энергопотребления, неуверенного переключения и старения светодиодов. | 
Основными компонентами схемы являются амплитудный детектор D1, конденсатор C1 и триггер Шмитта на транзисторах Q1/Q2, управляющий током светодиода оптопары. Диоды D2 и D3 стабилизируют напряжение на базе транзистора Q2 и, следовательно, его коллекторный ток, который течет через оптрон. Конденсатор C1 заряжается через резисторы R1, R2 и диод D1.
В течение почти всего периода переменного напряжения, за исключением области вблизи точки пересечения нуля, транзистор Q1 включен, а Q2 выключен. Затем, при приближении к точке перехода через ноль, состояние транзисторов Q1 и Q2 триггера Шмитта меняется, и Q2 разряжает конденсатор С1 постоянным током, поскольку цепь, состоящая из Q2, D2, D3, R5 и R6, стабилизирует ток на уровне

где VD – падение напряжения на диоде D2 или D3, а VBE2 – напряжение база-эмиттер транзистора Q2.
|  | |
| Рисунок 3. | Другой вариант конструкции, показывающий, как можно обойти требования  к минимальному обратному току диода D1. | 
Некоторым приложениям гистерезис триггера Шмитта не нужен. Такая конструкция показана на Рисунке 3. Из рисунка также видно, как можно обойти требования к минимальному обратному току диода D1. Эта схема, однако, лучше подходит для чистой синхронизации, а не для управления тиристорами. Благодаря стабильности тока светодиода эти схемы поддерживают расширенный диапазон входного переменного напряжения, что может быть полезно для устройств с универсальным сетевым питанием, дает возможность задавать ток светодиода без риска его перегрузки и уменьшает влияние нестабильности оптопары. Еще одним преимуществом этих схем является их бóльшая безопасность. В случае короткого замыкания ток, проходящий между изолированной и неизолированной сторонами, в 10-100 раз меньше, чем в схеме на Рисунке 1. Благодаря небольшому коэффициенту заполнения, сопротивление нагрузочного резистора оптопары R8 можно свободно уменьшать без ущерба для энергоэффективности. А это уменьшение, в свою очередь, снижает ошибку определения точки пересечения нуля.




 Купить TLP126 на РадиоЛоцман.Цены
Купить TLP126 на РадиоЛоцман.Цены


