Введение
Эти сверхпростые проекты призваны обеспечить реализацию двух простых функций без использования трансформаторов или «эзотерических» деталей. Левая схема на Рисунке 1 – это простой умножитель напряжения с зарядовым насосом, который увеличивает напряжение питания в два раза, – по крайней мере, в теории. Реальность отличается, поскольку и в таймере 555, и в диодах Шоттки есть потери. Последние можно минимизировать, используя более сильноточные диоды, но небольшие потери все равно останутся.
![]() |
|
| Рисунок 1. | Принципы работы умножителя (А) и инвертора (Б). |
Правая схема вырабатывает отрицательное напряжение, что часто бывает полезно или необходимо для проекта, где доступен только однополярный источник питания. Отрицательное напряжение немного ниже, чем положительное, опять же из-за потерь в микросхеме таймера и диодах Шоттки. Эти потери неизбежны, и хотя их можно уменьшить, это делает сложной схему, которая должна быть простой. Специализированные микросхемы могут иметь удивительно сложные внутренние цепи, и пытаться воспроизвести их в дискретной схеме было бы неразумно.
Ни одна из схем не рассчитана на большой ток, и этот тип схемы чаще всего используется, когда требуется более высокое (или отрицательное) напряжение, но при токе лишь в несколько миллиампер. В основном схемы такого типа (по крайней мере, при использовании таймера 555) применяются там, где требуется ток не более 20 мА. Можно и больше, но напряжение будет сильно проседать при токе выше 30 мА или около того. Во многих случаях это не будет иметь значения. Если ожидаемый ток очень мал (меньше 5 мА), можно использовать микросхему 7555 – КМОП-версию таймера 555. Она может работать быстрее (до 500 кГц), но не может отдавать большой ток, и это ее главное ограничение. В основном вы будете использовать «стандартный» таймер 555, который может отдавать больший ток (вытекающий и втекающий).
Предполагается, что показанные схемы работают при питании напряжением 12 В, но они будут работать и при 9 В (с дополнительными потерями), и при максимальном рекомендованном для микросхемы таймера 555 напряжении 15 В. Работа при 5 В теоретически возможна, но характеристики будут очень плохими. Обе схемы могут быть использованы в «каскадном» включении, так что можно получить источник +47 В путем «добавления» к источнику +35 В. То же самое возможно и для инвертора напряжения, но необходимо соблюдать особую осторожность, чтобы напряжение на выходе таймера 555 никогда не было ниже нуля. (Это может привести к защелкиванию микросхемы, и для ее повторного запуска потребуется последовательность выключения-включения питания).
Описание проекта
Принцип работы зарядового насоса довольно прост. Система коммутации попеременно переключает выход между положительным источником питания и землей, в идеале без падений напряжения из-за транзисторов или последовательных сопротивлений. Поскольку во всех микросхемах используются транзисторные коммутаторы, потери неизбежны. Специальные микросхемы зарядовых насосов минимизируют эти потери, но устранить их невозможно. Принцип работы умножителя существенно отличается от принципа работы инвертора напряжения, однако в большинстве описаний их принято объединять. При любом исходном состоянии после установления условий, заданных начальной настройкой, напряжение на конденсаторе C1 (в обеих схемах) практически не меняется. Однако пульсации тока имеются, и они примерно в два раза больше выходного тока.
«Идеальные» коммутаторы переключаются управляющим генератором, и когда один контакт разомкнут, другой замкнут. Сначала рассмотрим схему умножителя (Рисунок 1, слева). Когда коммутатор замкнут на землю, конденсатор C1A заряжается током, текущим через диод D1A от источника питания на землю. Когда коммутатор меняет состояние, заряд на конденсаторе C1A увеличивает потенциал его положительного вывода до удвоенного входного напряжения (2 × VIN). Это удвоенное напряжение через диод D2A передается на конденсатор C2A. Если бы не было падения напряжения на диодах, выходное напряжение было бы ровно в два раза больше входного (постоянного) напряжения. Номинальное напряжение выходного конденсатора (C2A) должно соответствовать максимальному выходному напряжению. Также можно подключить отрицательный вывод C2A к шине +VE; это встречается редко, но работает отлично и означает, что номинальное напряжение конденсатора не обязательно должно быть 2 × +VE.
Схема инвертора напряжения работает совсем по-другому (Рисунок 1, справа). Соединение C1B и D1B образует простой фиксатор напряжения, при этом входное напряжение изменяется от нуля до +VE. Во времена аналогового телевидения эта схема была широко известна как «схема восстановления постоянной составляющей». Когда коммутатор подключен к шине +VE, конденсатор C1B заряжается через диод D1B. Когда коммутатор подключается к земле, положительный вывод C1B заземляется, поэтому напряжение на его отрицательном выводе становится равным –VE, и на конденсаторе C2B, соединенном с C1B через диод D2B, также появляется напряжение –VE. Это отрицательный источник питания. Выпрямитель однополупериодный. Конденсатор C2B заряжается с частотой переключения.
Выходные пульсации определяется скоростью переключения, номиналами конденсаторов C1 и C2 и током нагрузки (Рисунок 2). Обычно C1 и C2 делаются равными, но часто бывает вполне допустимо, если емкость C1 меньше. Например, C1 может иметь емкость 33 мкФ, а C2 – 100 мкФ. Если они не равны, выходное напряжение немного уменьшается, а пульсации увеличиваются. 100 мкФ – хорошее «универсальное» значение, но если требуемый ток меньше 10 мА, емкости можно уменьшить. Однако я не рекомендую использовать емкость менее 33 мкФ, поскольку таймер 555 не любит высоких частот. Работа на частоте 30 кГц (или около) является разумным компромиссом.
В «идеальных» схемах, показанных на Рисунке 1, пульсации на выходе составляют около 5.4 мВ пик-пик для удвоителя (100 мкФ, 30 кГц) и 4.7 мВ пик-пик для инвертора (при тех же условиях). Это при выходном токе (очень приблизительно) 10 мА для обоих устройств. Если емкость увеличить в три раза, пульсации уменьшатся во столько же раз. Аналогично, если частота генератора уменьшается вдвое, пульсации удваиваются.
![]() |
|
| Рисунок 2. | Умножитель: 12 В на входе, 24 В на выходе (номинальное значение). |
Ни одна из схем не рассчитана на большой ток, который в общем случае не должен превышать 10 мА или около того. Таймер 555 сконфигурирован как генератор с «минимальным количеством компонентов», что позволяет сэкономить резистор по сравнению с «обычным» автоколебательным генератором. Номинальная частота выбрана равной около 32 кГц, чтобы гарантировать, что она находится вне слышимого диапазона. Если вы готовы потерять 4 В, от схем можно получить около 20 мА. Фактические выходные напряжения будут порядка –8 В или +20 В (для инвертора и умножителя, соответственно).
Я постарался максимально упростить схему. Использование диодов Шоттки обязательно, если вы боретесь за последнюю каплю напряжения, но в противном случае можно использовать диоды 1N4148. Эти схемы рассчитаны на небольшой ток, и хотя возможны более сильноточные варианты, они становятся неудобными. Существуют специализированные микросхемы, которые выполняют ту же задачу с меньшим количеством внешних компонентов, но некоторые из них на удивление дороги для такой простой вещи. Преобразователи напряжения TC7660(S) стоят недорого (менее 2 австралийских долларов за штуку), но они предназначены только для работы в режиме инвертора напряжения. Кроме того, диапазон их напряжений питания ограничен (10 В для 7660, 12 В для 7660S). Как и большинство этих микросхем, они не рассчитаны на большие токи. Многие из них выпускаются в корпусах SMD, а для некоторых используются наименее удобные для пользователя корпуса (безвыводные кристаллодержатели – LLCC), которые совершенно бесполезны для радиолюбительских проектов.
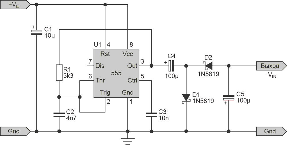
Инвертирующая схема на Рисунке 3 (при КПД 100%) обеспечит напряжение питания –12 В. Ограничением является сам таймер 555, поскольку он не может отдавать ток, достаточный для того, чтобы получить полный размах выходного сигнала 0-12 В под нагрузкой. Максимальное значение составляет около 10 В, а минимальное – 750 мВ (при выходном токе +26 мА и –36 мА). Диоды также снижают доступное напряжение, так как прямое напряжение имеют даже диоды Шоттки. Рекомендуется использовать диоды, показанные на схеме, поскольку они рассчитаны на относительно большой ток (1 А), хотя они 40-вольтовые и имеют более высокое прямое напряжение, чем 20-вольтовые 1N5157 и 30-вольтовые 1N5158.
![]() |
|
| Рисунок 3. | Инвертор: 12 В на входе, –12 В на выходе (номинальное значение). |
Преимущество использования одной из самых распространенных из когда-либо выпускавшихся микросхем заключается в том, что вы можете достать их практически везде. Вы могли купить их 20 лет назад (на самом деле гораздо раньше), и все еще сможете достать через 20 лет. Этого не произойдет со многими специализированными устройствами, и некоторые из них могут быть сняты с производства уже завтра днем. Нет сомнений, что специализированные микросхемы могут отдавать больший ток, но даже 20 мА могут питать до двух сдвоенных операционных усилителей NE5532, а для более малопотребляющих типов – гораздо больше.






Купить TC7660 на РадиоЛоцман.Цены


